晟辉智能制造

  • 海尔bcd206zmd维修

    海尔bcd206zmd维修

    第一步:安全第一!断电操作在进行任何检查或维修之前,请务必拔掉冰箱的电源插头,确保安全,第二步:常见故障与排查思路冰箱完全不制冷,压缩机不启动这是最常见的问题,通常由以下几个原因导致:电源问题:检查方法:确认电源插座是否正常(可以用其他电...

    2025-12-03
    0 0 0
  • thx203h代换维修,具体怎么操作?

    thx203h代换维修,具体怎么操作?

    THX203H是一个非常常见的电子元件,但它的“身份”有点特殊,需要根据它在电路中的具体位置来判断,它可能是一个三端稳压器,也可能是一个NPN型功率三极管,维修和代换的方法也完全不同,第一步:识别THX203H的真实身份在动手之前...

    2025-12-03
    1 0 0
  • nt29128特殊故障维修难点何在?

    nt29128特殊故障维修难点何在?

    NT29128并不是一个广泛存在于所有品牌或型号设备上的通用故障代码,它最常见于联想ThinkPad系列笔记本电脑,尤其是在一些较新的型号(如T系列、X系列、P系列等)的BIOS/UEFI设置中,以下分析将主要围绕联想ThinkPad...

    2025-12-03
    1 0 0
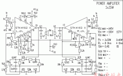
  • stk4162无声故障维修,核心问题在哪?

    stk4162无声故障维修,核心问题在哪?

    重要提示:安全第一!在进行任何维修之前,请务必遵守以下安全规则:断电操作:务必拔掉设备的电源线,并等待大容量滤波电容(通常在电源部分)上的电压完全释放,可以用一个带绝缘柄的螺丝刀或一个大功率电阻(如1kΩ/5W)进行放电,使用隔离变压器:如...

    2025-12-03
    1 0 0
  • 长虹PF21300电源维修故障如何排查?

    长虹PF21300电源维修故障如何排查?

    CRT电视内部存在高压,即使断电后,显像管阳极电容上仍可能储存致命的高压电,维修前必须对高压进行放电,操作时务必注意安全,最好由具备一定电子技术基础的人员进行,电源板电路概述长虹PF21300的电源电路属于自激式并联型开关电源,其核心任务...

    2025-12-03
    1 0 0
  • iPhone Xs Max维修价这么贵?

    iPhone Xs Max维修价这么贵?

    价格来源:以下价格主要来源于苹果官网(AppleStore在线商店)的“保外维修”价格,实际价格可能因您的设备所在地区、维修服务商(AppleStore零售店、Apple授权服务提供商)以及维修时是否遇到意外情况而有所不同,保修...

    2025-12-03
    1 0 0
  • LD7536贴片电源不工作,如何快速排查故障?

    LD7536贴片电源不工作,如何快速排查故障?

    安全第一:维修前的准备工作开关电源内部存在高压,即使在断电后,大容量的滤波电容(如C1、C2)中仍可能储存着足以致命的电荷,维修前必须做好以下准备:隔离电源:将待修电源与市电完全断开,放电操作:找到一个功率合适的电阻(如1kΩ/5W),用其...

    2025-12-03
    1 0 0
  • lt42810fu花屏怎么修?

    lt42810fu花屏怎么修?

    LT42810FU是长虹早期的一款42英寸液晶电视,使用的是比较传统的LCD面板和驱动方案,花屏问题在液晶电视中非常常见,但原因可能千差万别,从简单的接触不良到昂贵的屏坏都有可能,维修这类老电视,核心原则是:先易后难,先软后硬,先外后内,由...

    2025-12-03
    0 0 0
  • aoc e2251fw维修故障如何排查?

    aoc e2251fw维修故障如何排查?

    第一步:安全第一!维修前的准备工作在打开显示器后盖之前,必须断开电源并等待至少15-30分钟,显示器内部有大容量的滤波电容,即使断电后仍可能储存有高压电,触摸会导致严重电击,如果你不熟悉电子维修,强烈建议寻求专业人士的帮助,所需工具:螺...

    2025-12-03
    0 0 0
  • 松下DP1820维修代码故障解析与处理指南

    松下DP1820维修代码故障解析与处理指南

    下面我将为您详细整理松下DP-1820的维修代码,包括其含义、可能的原因以及相应的解决方法,重要提示:安全第一:在进行任何内部检查或维修之前,请务必将电源线拔下,让机器内部的高压部件充分放电,以避免触电风险,代码查看:维修代码通常在机器开机...

    2025-12-03
    1 0 0