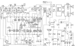
“东南菱致CD”通常指的是东南汽车菱致(V3菱悦)车型所搭载的车载音响/收音机系统,维修电路图并不是一个单独的“CD图纸”,而是指整个车辆电路图中与音响系统相关的部分,这些图纸通常包含在车辆的维修手册中,分为几个关键部分,我将为您...