BMS(Battery Management System),即电池管理系统,被誉为动力电池的“大脑”和“管家”,它是一个电子系统,负责监控、管理和保护电池组,确保电池在各种工况下都能安全、可靠、高效地运行,并最大化其使用寿命。

本文将从以下几个方面展开:
- BMS的核心功能与技术分析
- BMS的关键技术挑战
- BMS技术发展趋势与展望
BMS的核心功能与技术分析
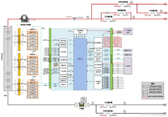
BMS的功能可以概括为“感知、计算、执行、通信”四大模块,其技术实现也围绕这四个方面展开。
核心功能
-
状态监测:
- 电压监测: 精确测量每一串电芯的电压,这是判断电芯是否过充、过放以及进行均衡的基础。
- 电流监测: 通过霍尔传感器或分流器测量充放电电流,用于计算SOC和SOH。
- 温度监测: 在电模、模组、电池包等关键位置布置温度传感器,监控电池运行和热安全状态。
- 绝缘监测: 监测高压电池包与底盘之间的绝缘电阻,防止漏电风险,对电动汽车至关重要。
-
状态估算:
(图片来源网络,侵删)- SOC (State of Charge, 荷电状态): 电池剩余电量百分比,这是BMS最核心、最难估算的参数,直接关系到车辆的续航里程和用户的“里程焦虑”,常用算法有安时积分法、开路电压法和卡尔曼滤波等。
- SOH (State of Health, 健康状态): 电池当前性能相对于全新状态的百分比,主要通过内阻增加和容量衰减来评估,用于预测电池寿命和提醒用户更换。
- SOP (State of Power, 功率状态): 电池在当前状态下能够安全输出的最大/最小功率,这影响了车辆的加速性能和能量回收效率。
-
安全管理:
- 充放电管理: 防止任何电芯过充或过放,当电压超过安全阈值时,BMS会切断充电回路或限制放电电流。
- 温度管理: 当温度过高或过低时,BMS会发出警告,并可能启动热管理系统(如加热或冷却)。
- 故障诊断与处理: 实时监测系统状态,诊断出单体电压异常、温度异常、通信中断、传感器故障等,并根据故障等级采取报警、限制功率、切断高压回路等安全措施。
-
均衡管理:
- 由于制造工艺、自放电率等差异,电池组中各电芯的容量和电压会逐渐出现不一致,均衡功能就是为了解决这个问题。
- 被动均衡: 通过给电压高的电芯并联一个电阻,以热能形式消耗多余电量,使其与其它电芯电压趋于一致,技术简单,但有能量损耗。
- 主动均衡: 将电池组中能量富余的电芯中的能量,转移到电量不足的电芯中,效率高,但电路复杂,成本高。
-
热管理:
BMS是热管理系统的“指挥官”,它根据采集到的温度数据,决策是否启动加热(如PTC加热)或冷却(如液冷板、风冷)系统,将电池工作温度维持在最佳区间(通常为15-35°C),以提升性能和寿命。
-
通信与数据记录:
- 内部通信: BMS主控单元与从控单元之间通过CAN/LIN总线或菊花链等方式通信,采集所有电芯信息。
- 外部通信: BMS通过整车CAN总线与整车控制器、电机控制器、充电机等设备通信,交换电池状态和控制指令。
- 数据记录: 记录关键事件(如故障、碰撞)和运行数据,用于后续分析和追溯。
技术架构分析
-
集中式:
- 结构: 一个主控单元集中处理所有电芯的电压、温度采样。
- 优点: 结构简单,成本较低,线束少。
- 缺点: 主控单元与电芯距离远,易受电磁干扰;高压走线风险高;扩展性差。
- 应用: 早期或小型的两轮、三轮电动车。
-
分布式:
- 结构: 一个主控单元 + 多个从控单元,每个从控单元负责一个或几个模组,采集其内部电芯的电压和温度,通过菊花链等方式串联后将数据传给主控。
- 优点: 高压与低压分离,安全性高;采样线束短,抗干扰能力强;易于扩展,支持大规模电池包。
- 缺点: 结构复杂,成本相对较高。
- 应用: 目前主流的电动汽车和大型储能系统。
-
模块化:
- 结构: 将BMC(Battery Management Cell Controller,电芯控制器)直接集成到模组上,形成一个独立的智能模块,多个BMC与一个BMU(Battery Management Unit,电池管理单元)通信。
- 优点: 极高的灵活性和可扩展性;易于标准化生产;便于后期维护和更换。
- 缺点: 成本是三者中最高的。
- 应用: 代表未来发展方向,在部分高端车型和储能项目中已有应用。
BMS的关键技术挑战
尽管BMS技术已相当成熟,但在追求更高性能、更低成本和更安全的道路上,仍面临诸多挑战。
-
SOC/SOH估算精度与鲁棒性:
- 挑战: SOC估算受温度、老化、电流等多种因素影响,尤其在电流剧烈变化(如频繁加减速)和低温环境下,精度难以保证,SOH的估算则依赖于长期的数据积累和精确的模型,且电池衰减机理复杂,模型泛化能力差。
- 影响: SOC不准导致续航里程“虚标”或里程焦虑;SOH不准则无法准确预警电池寿命,存在安全隐患。
-
安全性:
- 挑战: 电池的热失控是安全的核心威胁,BMS需要在热失控发生的极短时间内(毫秒级)准确诊断并执行安全措施(如高压下电、激活泄压阀等),如何确保BMS自身硬件(如传感器、MCU)的可靠性,防止因BMS失效导致安全事故,也是一个巨大挑战。
-
均衡效率与成本:
- 挑战: 被动均衡浪费能量,主动均衡电路复杂且成本高,在追求长续航和低成本的今天,如何设计出高效、低成本、长寿命的均衡方案,是一个持续的工程难题。
-
功能安全与功能安全认证:
- 挑战: 随着ISO 26262(汽车功能安全标准)和UL 1973(轻轨和电动轨道应用电池系统的安全标准)等法规的普及,BMS必须满足严格的功能安全要求(如ASIL C/D级),这意味着从硬件、软件到整个开发流程都需要进行冗余设计和严格的验证,极大地增加了开发难度和成本。
-
成本压力:
- 挑战: BMS在电池包总成本中占有一定比例,在激烈的市场竞争下,如何在保证性能和安全的前提下,通过集成化、芯片化、国产化等方式持续降低BMS成本,是所有厂商面临的共同压力。
BMS技术发展趋势与展望
面向未来,随着新能源汽车和储能产业的爆发式增长,BMS技术将朝着更智能、更集成、更安全的方向发展。
智能化与AI赋能
- AI算法应用: 传统的基于模型和卡尔曼滤波的算法,将被基于机器学习和深度学习的AI算法所补充或替代,AI能够通过学习海量运行数据,建立更精准的非线性模型,从而在复杂工况下实现更高精度的SOC/SOH/SOP估算,并能预测潜在的故障和电池寿命。
- 云端协同: BMS将不仅仅是车端或站端的“大脑”,还会成为连接云端的“神经末梢”,通过车云协同,云端可以利用来自成千上万块电池的“大数据”,进行更宏观的电池衰减分析、热失控预警模型训练,并将优化策略下发给单个BMS,实现“群体智能”。
高度集成化与融合化
- BMS与电池包的深度融合: 未来的BMS将不再是电池包外部的“附加”部件,而是作为“智能电池”的一部分被集成进去,将电压采样电路直接集成到模组转接片上,将温度传感器嵌入电芯之间,实现更精准、更可靠的监测。
- BMS与整车域控制器的融合: BMS的功能边界将模糊化,与整车热管理、动力驱动、充电系统等深度融合,形成一个统一的“能源域控制器”,它不仅能管理电池,还能协同管理整车的能量流,实现全局最优的能量分配,例如在智能驾驶场景下,根据路况预测提前进行能量管理。
硬件与软件的革新
- 专用BMS芯片: 传统的MCU+分立器件方案将被高度集成的BMS-SoC(System on Chip)取代,这种芯片将高性能ADC、高精度AFE、隔离通信、MCU内核甚至安全逻辑单元集成在一起,具有更高性能、更低功耗、更小尺寸和更低成本。
- 功能安全与信息安全并重: ASIL-D级别的功能安全将成为高端车型的标配,随着车辆联网,BMS作为高压系统的入口,其信息安全(如防止黑客攻击)也变得至关重要,需要内置硬件级的安全加密模块。
- 软件定义电池: 类似于“软件定义汽车”,未来BMS的软件将更加灵活和可升级,通过OTA(Over-the-Air)更新,BMS的算法、策略和功能可以不断优化和迭代,甚至可以根据用户的使用习惯,定制化地调整电池的性能曲线(如牺牲部分续航换取更长寿命或更高功率)。
新型电池技术的适配
- 固态电池: 固态电池具有更高的能量密度和安全性,但其电解质特性、界面阻抗等与液态锂电池完全不同,现有的BMS算法和管理策略将无法直接适用,需要开发全新的监测、均衡和安全控制方案。
- 钠离子电池、锂硫电池等: 随着多元化电池技术的发展,BMS技术也必须具备良好的可扩展性和适应性,能够快速为不同化学体系的电池提供定制化的管理方案。
BMS技术正处于一个快速演进的十字路口,它正从一个被动的“安全管家”,向一个主动的、智能的、集成的“能源大脑”和“价值创造者”转变,未来的BMS,将不仅仅是保障电池安全的底线,更是提升整车性能、用户体验和商业价值的核心技术,谁能在这场技术变革中率先突破,谁就能在未来的新能源汽车和储能市场中占据制高点。
