电视维修属于专业领域,涉及高压电,有触电风险,如果您没有专业的电子维修知识和技能,强烈建议联系官方售后或专业维修人员进行操作,以确保人身安全和设备完好。

关于乐华32L30维修手册
通常情况下,品牌官方不会向普通用户公开发布完整的内部维修手册,这些手册主要授权给授权维修中心和认证工程师。
我可以为您提供一份通用的液晶电视维修思路、关键信息获取途径以及常见故障排查方法,这些信息结合了乐华32L30这类常见机型的特点,希望能对您或维修人员有所帮助。
第一部分:如何获取官方或近似资料
-
联系乐华官方客服:
- 电话: 9510555 (中国大陆)
- 官网: 访问乐华(HuaWei)官方网站,通常在“服务支持”或“联系我们”页面可以找到客服联系方式。
- 说明: 直接向客服说明您的需求,询问是否可以提供该型号的维修手册或技术图纸,他们可能会提供电子版或指引您到最近的授权维修点。
-
查找型号对应的“主板图纸”:
(图片来源网络,侵删)- 对于像32L30这样的主流机型,其主板(特别是主板型号)可能在网络上被爱好者或维修人员分享。
- 搜索关键词:
乐华32L30 主板图纸、32L30主板原理图、32L30 Schematic Diagram。 - 可能的结果: 您可能会在一些电子论坛(如“21IC电子网”、“维修吧”)、百度文库、或者一些维修资料分享网站上找到PDF格式的图纸,这些图纸是维修的核心,包含了芯片型号、电路连接、关键测试点电压等。
-
搜索“固件”或“程序”:
- 有时,维修问题与软件系统有关,您可以尝试搜索
乐华32L30 固件下载或乐华32L30 程序升级包。 - 作用: 如果电视出现开机卡logo、反复重启、功能异常等“软故障”,刷入官方固件可能可以解决问题,刷机有风险,需谨慎操作。
- 有时,维修问题与软件系统有关,您可以尝试搜索
第二部分:通用维修思路与流程
即使没有完整手册,维修人员也可以遵循以下流程进行排查:
第一步:安全准备与初步检查
- 断电放电: 拔掉电源插头,等待至少10-15分钟,让内部高压电容充分放电,防止触电。
- 观察外观: 检查电视后壳、电源线是否有明显损坏、烧焦痕迹。
- 倾听声音: 开机时,仔细听是否有异常声响,如“滋滋”声(高压包)、“啪啪”声(打火)或电机异响。
- 闻气味: 闻一下电视后部是否有烧焦的异味。
第二步:故障现象分类与排查
根据电视的具体表现,判断问题的大致范围。
现象1:完全无法开机(指示灯不亮)

- 故障点: 电源板 或电源线。
- 排查方法:
- 检查电源线: 换一根确认好的电源线。
- 检查插座: 用其他电器(如手机充电器)测试插座是否有电。
- 打开后壳: 如果以上都正常,需要打开电视后壳,找到电源板。
- 测量关键电压: 使用万用表测量电源板输出到主板的排线(通常是12V或24V)是否有电压,如果没有,问题在电源板,如果有,问题可能在主板或屏幕。
现象2:指示灯亮,但屏幕黑屏(无图像,无背光)
- 故障点: 电源板(供电不足)、主板(未发出开机指令)、屏幕驱动板(T-CON板)、背光板。
- 排查方法:
- 听开机声音: 开机时,仔细听是否有“滴”的一声(这是主板高压板启动的声音)?或者是否有背光升压的“嘶嘶”声?
- 用手电筒照射法: 在黑暗环境下,打开电视,用手电筒贴近屏幕照射,如果能看到非常暗淡的图像,说明主板和屏幕驱动逻辑是好的,问题出在背光板或其供电电路上,如果完全看不到任何图像,则问题可能出在主板或屏幕驱动板上。
- 测量背光供电: 检查主板输送到背光板的供电电压(通常是24V或更高)是否正常。
- 短接背光开关信号(高级操作): 有些维修人员会短接主板与背光板之间的开关信号线(通常是BL-ON或PWM信号),强制点亮背光,以判断是主板信号问题还是背光板本身问题。此操作需谨慎,需查清对应引脚。
现象3:图像异常(有图像,但显示不正常)
- 故障点: 主板、屏幕驱动板(T-CON板)、屏幕本身。
- 常见问题:
- 花屏、闪屏、彩色条纹: 最可能是屏幕驱动板(T-CON板)故障,也可能是主板信号输出问题或屏幕本身损坏。
- 图像缺色(如缺少红色): 通常是主板或排线接触不良导致信号丢失。
- 图像拖影、延迟: 可能是主板处理能力问题或软件故障。
现象4:声音问题
- 故障点: 主板(音频处理部分)、功放板。
- 排查方法:
- 检查设置: 确认电视是否被静音,或者音量设置是否为0。
- 切换信号源: 切换到HDMI或AV等其他信号源,看是否有声音,如果某个信号源没声音,可能是该通道的解码芯片问题。
- 测量音频输出: 如果有条件,可以用示波器或万用表测量主板到功放板的音频信号线是否有信号输出,有信号则问题在功放板,无信号则问题在主板。
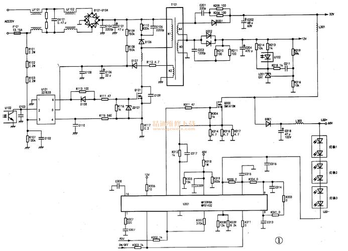
第三部分:关键部件信息(需根据实物确认)
乐华32L30这类电视通常由以下几个核心部件组成:
-
电源板:
- 作用: 将220V交流电转换为电视内部各部件所需的直流电压(如12V, 5V, 24V等)。
- 关键元件: PFC电路、主变压器、高压包、滤波电容、稳压IC。
- 识别: 板子上通常有大的变压器和电容,是电视上最大的板子之一。
-
主板:
- 作用: 电视的“大脑”,负责处理信号、控制各部件、运行系统。
- 关键元件: CPU(中央处理器)、内存、闪存、信号解调芯片(接收电视信号)、HDMI/USB解码芯片。
- 识别: 板子上有各种芯片和接口(HDMI、USB、AV等)。
-
屏幕驱动板:
- 作用: 接收主板送来的图像数据,并转换成驱动液晶屏像素点的信号。
- 识别: 通常通过一根非常扁平的排线连接到屏幕的边缘,板子本身比较小。
-
背光板:
- 作用: 为液晶屏提供背光,没有它屏幕就是黑的。
- 关键元件: 高压变压器、升压电容、MOS管、背光驱动IC。
- 识别: 连接到屏幕的灯条,通常是一个长条形的电路板。
对于乐华32L30的维修,最核心的资料是主板图纸,您可以通过搜索或联系官方客服来获取,如果没有图纸,维修过程将更加依赖经验和对通用电路的理解。
再次强调: 安全第一!如果您不熟悉电子维修,请不要轻易拆机,寻求专业帮助是最明智的选择。
