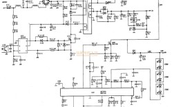
电视维修属于专业领域,涉及高压电,有触电风险,如果您没有专业的电子维修知识和技能,强烈建议联系官方售后或专业维修人员进行操作,以确保人身安全和设备完好,关于乐华32L30维修手册通常情况下,品牌官方不会向普通用户公开发布完整的内部维修手册,...