电瓶车充电器维修思路需要遵循系统化的排查流程,从外观检查到内部电路分析,逐步定位故障点,应观察充电器外观是否有明显损坏,如外壳开裂、烧焦痕迹或异味,这些直观问题往往能快速指示故障方向,检查输入输出接口是否松动、氧化或接触不良,特别是充电插头与电瓶车接口的匹配性,接触不良可能导致充电中断或异常发热,若外观无异常,需进行通电测试,但需注意安全,使用隔离变压器或串联灯泡法限流,避免二次损坏。

通电后,重点观察指示灯状态,正常充电时,电源指示灯应常亮,充电指示灯由红转绿,若指示灯不亮或颜色异常,可能是电源模块或控制电路故障,可用万用表测量输入电压,交流220V输入是否正常,若无电压,检查电源线和保险管是否熔断;若输入电压正常但输出异常,则故障可能在变压器、整流滤波或PWM控制电路,变压器故障通常伴随发热或异响,可用万用表检测初级次级绕组阻值,正常时应有一定阻值,若无穷大则断路,若为零则短路。
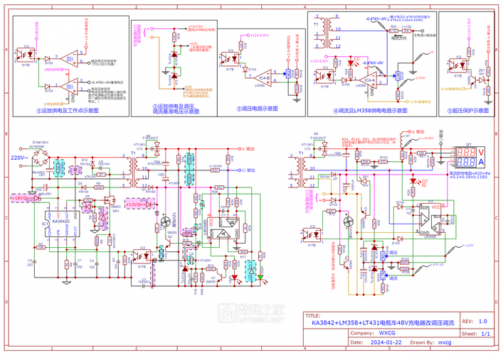
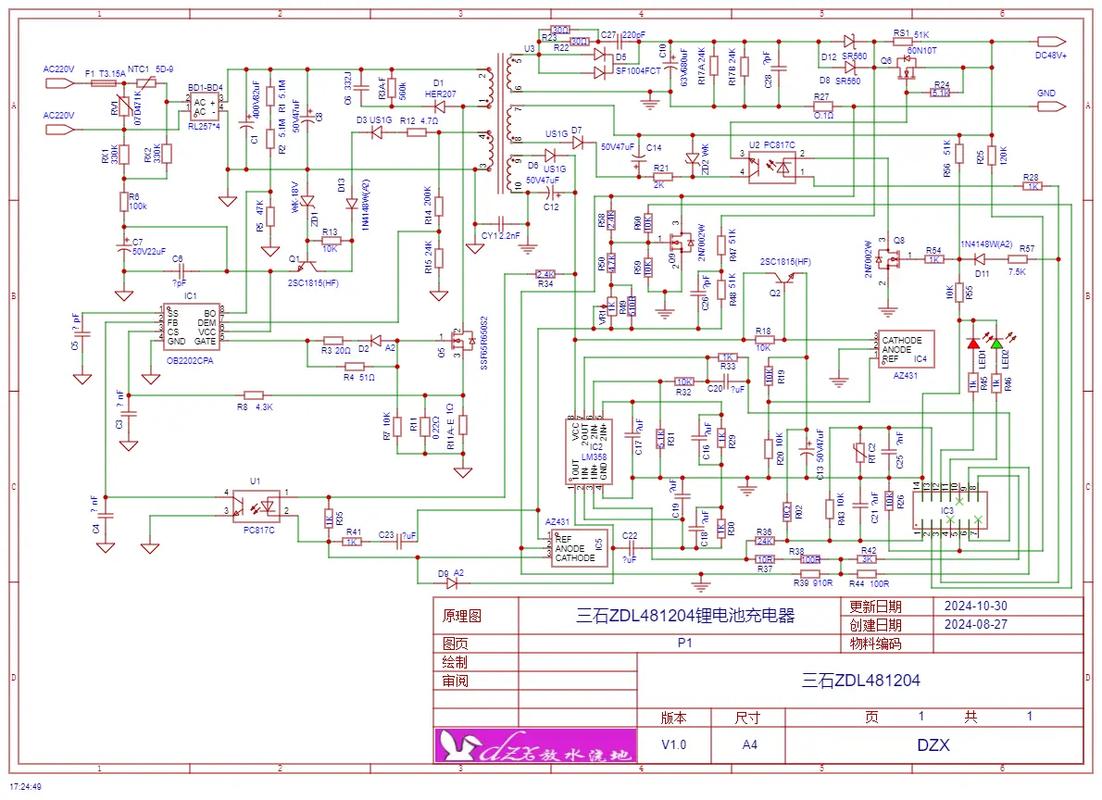
整流滤波电路是维修重点,常见故障为滤波电容鼓包、漏液或失效,导致输出电压纹波过大,可用万用表电容档检测电容容量,或代换法测试,整流二极管是否击穿可通过二极管档测量,正向导通、反向截止为正常,PWM控制芯片如UC3842、TL494等,需检测其供电脚电压(通常为12-20V)、反馈脚电压及输出脉冲信号,若供电异常,检查启动电阻和供电电路;若无脉冲输出,可能是芯片损坏或外围元件故障。
充电器输出电压过高或过低,均需调整反馈电路,反馈电路由精密稳压管(如TL431)、光耦及取样电阻组成,可检测TL431的参考端、阴极电压,光耦导通是否正常,若输出电压不可调,可能是取样电阻变值或TL431失效,温度保护电路故障可能导致充电器过热保护误触发,可检查热敏电阻和比较器是否正常。
维修过程中,需注意元件代换的兼容性,如电容耐压值、芯片型号一致性,避免因参数不匹配引发新故障,焊接时防止虚焊和短路,特别是高压部分,需确保绝缘良好,对于开关电源,需先确认负载是否正常,若输出端短路,可能引发大面积元件损坏,需先排除负载问题。

维修完成后,需进行满载测试,使用假负载模拟电瓶充电过程,监测输出电压、电流及温升,确保充电器在额定范围内稳定工作,检查充电曲线是否符合要求,恒流、恒压、浮充阶段是否正常切换,避免过充或欠充问题。
相关问答FAQs:
-
问:充电器指示灯亮但电瓶充不进电,可能是什么原因?
答:首先检查输出电压是否正常,若无电压或电压过低,可能是整流滤波电路故障,如滤波电容失效或整流二极管击穿;若电压正常但电瓶仍不充电,需检查电瓶本身是否有问题,如电瓶老化、短路或接线柱氧化,可通过测量电瓶端电压和内阻判断。 -
问:充电器充电时异常发热,如何排查?
答:异常发热通常由负载过大、散热不良或元件故障导致,首先检查输出电流是否超过额定值,若电流过大,可能是电瓶短路或控制电路失效;其次检查散热风扇是否正常运转,散热孔是否堵塞;最后检查变压器、整流管等元件是否短路或虚焊,以及滤波电容是否失效导致纹流过大,逐一排查并更换损坏元件。
(图片来源网络,侵删)
