晟辉智能制造

  • SATA硬盘电路故障如何精准维修?

    SATA硬盘电路故障如何精准维修?

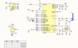
    硬盘维修,尤其是固件级和物理磁头级的维修,是一项高风险、高技术门槛的工作,操作不当可能导致数据永久丢失,并损坏硬盘,本文旨在提供理论知识和常规维修思路,对于重要数据,强烈建议寻求专业的数据恢复服务,第一部分:SATA硬盘电路原理SATA硬盘...

    2025-12-02
    1 0 0
  • 1 / 1
  • 1