晟辉智能制造

  • 金骏电子变压器电路维修常见故障有哪些?

    金骏电子变压器电路维修常见故障有哪些?

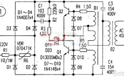
    第一部分:维修前的准备与安全须知安全第一!断电与放电:维修前务必将变压器与市电完全断开,对于大容量的滤波电容(通常在输入端),必须使用大功率电阻(如5W/1kΩ)进行放电,防止触电或损坏万用表,隔离变压器:强烈建议在维修时使用隔离变压器...

    2025-12-13
    1 0 0
  • 1 / 1
  • 1