晟辉智能制造

  • 智能电压力锅维修电路图哪里找?

    智能电压力锅维修电路图哪里找?

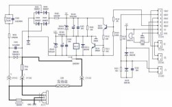
    由于智能电压力锅品牌和型号繁多,每一款的具体电路图都不同,我无法提供一张“万能”的电路图,我可以为您提供一个通用且详细的智能电压力锅电路原理框图,并解释其核心工作原理、常见故障点和维修思路,这将是您理解和分析任何一款具体型号电路图的基础,智...

    2025-12-07
    1 0 0
  • 1 / 1
  • 1