安全警告 - 非常重要!
在进行任何维修之前,请务必遵守以下安全准则:

- 断电并放电:拔下电视电源插头,并等待至少15-30分钟,CRT电视内部的高压包(行输出变压器)会储存大量高压电,即使断电后也极其危险!必须对高压包进行放电操作。
- 使用隔离变压器:强烈建议使用隔离变压器进行维修,这可以防止因电源火线零线接反而导致设备外壳带电,保护维修人员的人身安全。
- 注意高压:除了高压包,聚焦极、加速极等也带有高压,切勿用手触摸。
- 谨慎操作:CRT电视重量大,搬运时要小心,显像管颈部是脆弱的,切勿用力碰撞。
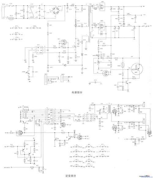
PF29800 电源板概述
这款电视通常采用 长虹自己设计的“NC-6”或类似型号的电源板,其核心功能是:
- AC/DC转换:将220V交流市电转换为多路直流电压,为主板、行扫描电路、视放电路等供电。
- 待机控制:通过控制电路实现开机/待机状态切换。
- 保护功能:内置过压、过流、欠压等保护电路,在异常时关闭输出。
主要输出电压:
- +B (主电压):通常在 +115V ~ +135V 之间,是行输出电路的工作电压,也是最高、最重要的电压。
- +12V:为伴音功放、小信号处理电路等供电。
- +8V (或+5V):为CPU控制系统供电(待机时可能由另一路低压供电)。
- +24V:部分机型用于场输出电路。
- +180V:为视放末级电路供电。
常见故障现象与维修思路
故障现象1:完全无光栅、无声音、指示灯不亮
故障分析: 这通常是电源板完全没有工作,或者市电输入、保险丝等初级电路有严重问题。
维修思路:

-
目测检查:
- 打开电源板外壳,观察保险丝(FUSE)是否烧断,如果保险丝发黑或熔断,说明后级电路存在严重短路。
- 检查 大功率元件:如 开关管(通常是一个大场效应管,如2SK2141/K2645等)、整流桥(BRIDGE)、市电滤波电容(C801/C802,通常是400V/220μF) 是否有鼓包、炸裂、烧焦的痕迹。
- 检查 限流电阻:通常在保险丝之后,是一个水泥电阻或功率电阻,看是否烧断。
-
测量电阻值:
- 如果保险丝烧断,切勿直接更换新保险丝就通电! 必须先找到短路点。
- 断电,用万用表电阻档测量开关管 D、S极 之间的电阻,如果接近0欧姆,说明开关管击穿短路。
- 测量整流桥交流输入端和直流输出端是否有短路。
- 测量+B输出端对地电阻是否正常(通常应有几十千欧以上,若为0欧,则可能是行管或行输出变压器短路,但此时保险丝往往也烧断)。
-
维修步骤:
- 更换损坏元件:如果发现开关管、整流桥、限流电阻等损坏,必须一同更换。开关管损坏,一定要检查其驱动电路(如电阻R8xx)和稳压控制电路(如光电耦合器PC817、误差放大器IC8xx)是否正常,否则极易再次烧毁。
- 更换保险丝:在确认所有短路元件都已更换后,可换上同规格的保险丝。
- 假负载测试:为了安全,通电前最好不接主板,用一个 大功率水泥电阻(如100Ω/50W)或汽车灯泡 作为假负载,接在+B滤波电容的正负极两端,通电测量+B电压是否正常(约115V-135V),如果正常,则说明电源板基本修复,问题可能在主板或行扫描电路。
故障现象2:有“吱吱”叫声,但无光栅无声音
故障分析: “吱吱”声是电源 PWM控制器 工作但 负载过重或电源本身振荡异常 的典型声音,通常是保护电路启动了。
维修思路:
-
检查+B电压:通电测量主电压+B,B电压严重偏低(如远低于80V),甚至为0V,且伴随“吱吱”声,基本可以确定是保护电路动作。
-
判断是电源保护还是负载保护:
- 断开负载法:断开电源板到主板的连接器,只给电源板通电(假负载法),吱吱”声消失,+B电压恢复正常,说明是 主板或行扫描电路 导致的过流,使电源进入保护状态,此时需要检查行管、行输出变压器、偏转线圈等是否短路。
- 如果断开负载后“吱吱”声依旧:说明是 电源板自身 的保护电路启动,需要重点检查电源板。
-
检查电源板自身保护电路:
- 稳压控制环路:这是最常见的故障点,检查 光电耦合器(如PC817)、误差放大器(如TL431、KA431) 及其周围电阻是否损坏,稳压环路失效会导致输出电压异常,触发保护。
- 初级电流检测电阻:在开关管的源极(S极)通常有一个小阻值(如0.22Ω~0.68Ω)的电流检测电阻,如果这个电阻变值或开路,会导致控制器误判过流而保护。
- PWM控制器芯片本身:如常见的 STR-F6454/STR-S6709 等芯片,如果损坏,也会导致工作异常。
故障现象3:指示灯亮,但无光栅无声音
故障分析: 这表明电源板的低压部分(如CPU供电)正常工作,但 行扫描电路没有工作,或者 高压没有建立。
维修思路:
-
测量关键电压:
- 测量+B电压:这是最关键的,B电压正常(例如130V),但无光栅,问题在行扫描电路或显像管电路。
- 测量+12V、+8V等电压:如果这些电压异常,说明电源板的待机控制或次级整流滤波电路有问题。
-
检查行扫描电路:
- 行管(Q402):测量行管是否击穿短路,行管是故障率极高的元件。
- 行推动电路:检查行推动管、行推动变压器及其周围电阻。
- 行输出变压器(FBT,俗称“高压包”):高压包是故障高发区,可能内部短路、打火或性能不良。
- 检查行振荡信号:用示波器测量小信号处理芯片(如TDA9808等)的行振荡输出脚是否有正常的行激励信号送出。
关键电路分析与易损件
-
市电输入与整流滤波电路:
- 易损件:保险丝、限流电阻、整流桥、大滤波电容(C801/C802)。
- 维修要点:此部分故障通常导致完全无反应,更换元件后要检查后级是否有短路。
-
开关振荡与稳压电路:
- 核心元件:PWM控制器芯片(如STR-F6454)、开关管、光电耦合器(PC817)、误差放大器(TL431)、电流检测电阻。
- 维修要点:这是电源的“大脑”和“心脏”,开关管击穿,必须检查驱动电路和稳压环路,输出电压不稳,重点检查PC817和TL431及其外围电路。
-
待机控制电路:
- 工作原理:CPU发出待机指令,控制一个三极管(如Q803)或光耦,改变PWM芯片的反馈或工作状态,使电源从正常工作状态切换到低功率的待机状态。
- 易损件:控制三极管、光耦、相关电阻。
- 维修要点:如果待机不正常,可能导致无法开机或无法关机,需要测量CPU的待机控制脚电平是否正常,并追踪控制信号。
-
次级整流滤波电路:
- 易损件:各路输出的整流二极管(通常是快恢复二极管FRD)、滤波电容。
- 维修要点:如果某一路电压无输出或电压低,重点检查该路的整流二极管和滤波电容是否失效。
总结与建议
- 先易后难:从保险丝、明显烧毁的元件入手。
- 安全第一:牢记CRT高压的危险性,做好放电和隔离。
- 测量是关键:万用表是你的眼睛,通过测量电压、电阻,可以快速定位故障范围。
- 原理是基础:理解开关电源的基本工作原理(振荡、稳压、保护),能让你在维修时更有方向。
- 寻找图纸:如果能找到PF29800的电源板电路图(Schematic Diagram),维修将事半功倍,可以在网上搜索“长虹PF29800 电源板原理图”。
- 善用资源:在一些专业的维修论坛(如“家电维修论坛”)上,搜索这款机型的维修案例,往往能找到宝贵的经验和线索。
希望这份详细的指南能帮助您顺利完成维修工作!祝您成功!
