晟辉智能制造

  • 电磁炉电源维修板电路图故障点在哪?

    电磁炉电源维修板电路图故障点在哪?

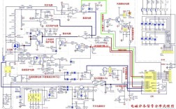
    我将为您提供一个通用性强、具有代表性的电磁炉电源板电路图,并详细讲解其工作原理、关键元件和常见故障点,这能帮助您理解绝大多数电磁炉的电源维修逻辑,核心电路构成电磁炉电源板主要包含以下几个关键部分:输入滤波电路:防止电网干扰进入电磁炉,同时...

    2025-12-05
    6 0 0
  • 1 / 1
  • 1