找到触发保护的原因,并将其排除。 这通常是一个“由简到繁,由外到内”的排查过程。

重要安全警告!
- 高压危险! ATX电源在断电后,其高压滤波电容(通常是两个圆柱形的大电容)中仍然储存着大量电荷,足以致命!在维修前,必须对电容进行放电操作。
- 短路风险! 维修时,必须使用隔离变压器(俗称“火牛”),将ATX电源与市电电网隔离,防止发生意外短路损坏电脑或造成人身危险。
- 风险自负! 如果您不具备电子维修基础,强烈建议直接更换一个新的电源,强行维修可能导致电源彻底报废,甚至损坏其他电脑部件。
第一步:判断保护类型(症状分析)
电源的保护功能通常由以下几种情况触发,不同的症状指向不同的故障原因。
无法开机(完全无反应)
- 现象: 按下电源开关,电脑风扇不转,电源指示灯不亮。
- 可能原因:
- 市电问题: 插座没电、电源线损坏。
- 电源开关损坏: 电源背后的物理开关。
- 电源初级电路故障: 保险丝熔断、PFC电路、主开关变压器、启动电阻、IC等关键部件损坏,这通常是硬件层面的硬故障。
- PS-ON信号线问题: 主板未发送开机信号(较少见,但需排查)。
瞬间启动后立即关机(或反复重启)
- 现象: 按下电源开关,风扇或CPU风扇会转动一下(甚至能听到硬盘寻道声),但马上就停了,然后毫无反应,需要拔掉电源线等一会才能再次尝试。
- 这是最典型的“保护”现象! 说明电源的保护电路(如过压、过流、欠压、短路保护)被触发了。
- 可能原因(按排查难度从低到高):
- 负载短路(最常见): 主板、显卡、CPU、内存条、硬盘等某个部件短路,导致电源检测到过流或短路而保护。
- 输出电压异常: 电源的某个输出电压(如+12V, +5V, +3.3V)过高或过低,触发过压或欠压保护。
- 温度过高: 电源内部风扇停转或散热不良,导致温度过高而保护。
- 保护电路本身误触发: 保护电路中的某个元器件(如比较器、光耦、稳压管)性能变差或损坏,导致正常工作时也误判为故障而保护。
第二步:维修流程(由简到繁)
阶段A:外部和负载排查(无需拆机)
这一步的目的是确定问题出在电源内部还是外部设备上。
-
确认市电和电源线: 换一个插座,换一根确认是好的电源线。
-
最小化系统法(黄金法则):
(图片来源网络,侵删)- 将ATX电源从机箱中取出。
- 短接开机: 找到电源上的24pin主接口,用一根导线或回形针短接
绿色线(PS-ON)和任意一根黑色线(地线),如果电源风扇正常转动,说明电源的待机电路和主变换电路基本正常。 - 连接最少的负载:
- 连接主板: 只连接24pin主接口,如果此时电源能一直运行(风扇转),说明主板可能短路。
- 连接显卡: 如果电源有独立的CPU供电(8pin)和PCIe供电(6pin/8pin),可以只连接CPU供电和一根PCIe供电线到假负载或显卡上测试。
- 连接硬盘/光驱: 只接SATA或大D型供电接口。
- 逐步添加负载: 每次添加一个部件,然后短接PS-ON开机,如果在添加某个部件后,电源立刻保护关机,那么就是该部件或其供电线路导致了短路,重点检查该部件。
-
检查散热: 如果电源能短暂启动,观察电源风扇是否正常转动,如果风扇不转或转速极慢,是导致过热保护的常见原因,可以尝试手动拨动风扇,看是否能启动。
阶段B:初步拆机检查与测量
如果外部负载排查无误,或电源在空载(只短接PS-ON)时就保护,那么问题很可能在电源内部。
- 安全放电: 断开电源线后,打开电源外壳,找到那两个最大的圆柱形电容(通常是400V左右的电解电容),用带绝缘手柄的螺丝刀或一个大功率电阻(如1KΩ/5W)的两个笔尖,同时接触电容的两个引脚,听到“啪”的一声并看到火花,表示放电完成。
- 目视检查:
- 保险丝: 找到电源输入端的保险丝(通常在交流电输入处),观察玻璃管内部是否有发黑或熔断的痕迹,如果保险丝熔断,说明电源初级电路存在严重短路(如PFC开关管、整流桥等击穿)。更换保险丝前,必须先找到并修复短路点!
- 电容: 检查所有电容,看是否有鼓包、漏液或顶部“防爆口”凸起的现象,这是电容老化的典型标志。
- 电阻: 检查电阻,特别是功率较大的电阻(如水泥电阻、色环电阻),看是否有烧焦、开裂的痕迹。
- MOS管/IGBT: 检查PFC电路和主开关电路的MOS管或IGBT,看是否有裂痕或烧毁的迹象。
- PCB板: 查看PCB板是否有烧黑的痕迹,闻一下是否有焦糊味。
阶段C:通电测量与故障定位
这是维修的核心环节,需要用到万用表。
-
静态电阻测量(断电测量):
(图片来源网络,侵删)- 初级电路: 用万用表的二极管档或电阻档,测量PFC开关管、主开关变压器初级侧的MOS管的三个引脚之间是否有短路现象(正常情况下,D-S极、G-S极之间应该有一定阻值,不应完全短路),测量整流桥的四个二极管是否正常。
- 次级电路: 测量+12V、+5V、+3.3V输出端的整流二极管(通常是肖特基二极管)和滤波电容对地是否有短路,这是排查输出短路的关键步骤,如果发现某一路输出对地短路,就需要顺着电路找到故障元器件(如电容、二极管、PWM控制器IC的反馈电路等)。
-
动态电压测量(通电测量 - 高风险!):
- 做好隔离! 必须使用隔离变压器!
- 连接假负载: 为了安全测量各路输出电压,需要连接假负载,可以购买现成的ATX电源假负载,或者自制一个(+12V上接一个汽车灯泡,+5V和+3.3V上接相应功率的电阻)。
- 短接开机: 再次短接PS-ON和地线,使电源启动。
- 测量关键电压:
- +5VSB(待机电压): 在未短接PS-ON时,测量紫色线与黑色线之间,应有稳定的+5V电压,如果没有,说明待机电路故障。
- PFC输出电压: 测量主滤波电容(那个最大的电容)两端电压,正常工作时,应为约380V(市电220V 1.414 PFC boost系数),如果为300V左右,说明PFC电路未工作。
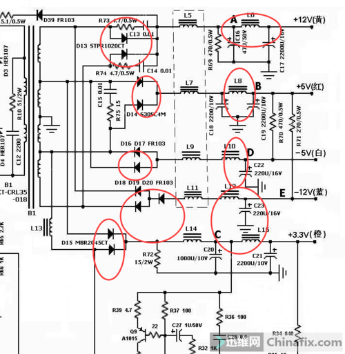
- 各路输出电压: 测量+12V、+5V、+3.3V、-12V、+5VSB等电压是否在标准范围内,如果某一路电压异常(过高或过低),则问题出在该路的反馈电路或整流电路上。
第三步:常见故障点与维修方法
根据测量结果,定位到具体故障点。
-
保险丝熔断:
- 原因: 初级电路短路,常见为整流桥、PFC开关管击穿。
- 维修: 更换损坏的元器件,更换后,最好再测量一下其他相关元件,确保没有连带损坏。
