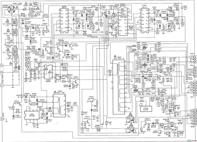
NT25B68 是长虹公司非常成功的一款“金牌”纯平彩电,采用了当时主流的 “CH-16”机芯,这个机芯以稳定、可靠而著称,但也存在一些设计上的通病,随着使用年限的增长,这些故障会逐渐显现。

在开始维修前,请务必注意 安全事项:
- 断电操作:在进行任何检查或维修前,务必拔下电源插头。
- 高压危险:彩电内部,特别是显像管尾部和行输出变压器附近,存在数千伏的高压,即使断电后,大电容中仍可能储存有高压,必须对相关部位进行放电操作。
- 专业防护:佩戴绝缘手套,使用绝缘工具,避免单手操作。
核心结构与常见故障点
要维修 NT25B68,首先要了解其核心部件和易损件:
-
开关电源:
- 作用:将220V交流电转换为稳定的+115V、+24V、+12V、+5V等直流电压,供给整机各部分。
- 核心IC:通常采用 STR-S6709A 或其替代型号(如STR-S6708A、STR-S6707A),这是此机芯的“心脏”,也是故障率最高的元件之一。
- 易损件:
- STR-S6709A:本身容易损坏。
- R826 (0.68Ω/2W):取样电阻,常因开关电源过流而烧断。
- D831 (12V稳压管):保护管,易击穿。
- C820 (100μF/160V):主滤波电容,容量下降会导致“吱吱”声或图像不稳。
- D820、D821、D822:整流二极管,易击穿。
- 光电耦合器 PC817:反馈耦合元件,性能不良会导致输出电压不稳。
-
行扫描电路:
(图片来源网络,侵删)- 作用:产生高、中、低电压,并驱动显像管工作,形成光栅。
- 核心IC:通常采用 LA76810 或 LA76820 等超级芯片(或周边分立元件)。
- 易损件:
- 行输出变压器 (FBT/回扫变压器):俗称“高压包”,是故障高发区,易内部打火、短路,导致无光栅、无伴音。
- 行管 (Q404):型号常为 2SC5422 或 2SC2482,因负载过重或高压包问题而烧毁。
- 逆程电容 C410、C411:容量下降或失效会导致行幅不足、光栅顶部线性不良,甚至击穿行管。
- 枕形校正电路:相关二极管、电容易损坏,导致光栅几何失真(如枕形、桶形失真)。
-
视放板 (CRT Board / 视放板):
- 作用:处理RGB三基色信号,并驱动显像管三个阴极。
- 易损件:
- 末级视放管 (Q501, Q502, Q503):型号常为 2SC2068 或类似型号,因老化或过流而损坏,导致缺色或色偏。
- 显像管座:长期受热氧化,会导致图像出现“雪花”、亮度下降、关机亮点等故障。
-
CPU控制系统:
- 作用:接收遥控器和本机键指令,控制整机工作状态。
- 核心IC:通常为 ST92163 或 CHT04xx/05xx 系列芯片。
- 易损件:
- 晶振 Z601:频率通常为 8MHz 或 10MHz,不良时会导致“死机”、无图无声、遥控失灵。
- 复位电路 IC601 (如μPC8113):不良时会引起CPU工作不正常。
- 存储器 IC602 (如24C08):数据丢失或损坏会导致“菜单”乱闪、不能记忆台位、无图无声等。
经典维修案例
最常见的故障——“三无”(无光栅、无图像、无伴音)
故障现象:开机后,电源指示灯不亮,屏幕和扬声器均无任何反应。
分析思路:“三无”故障通常发生在电源部分或负载严重短路,应遵循“先电源,后负载”的原则。

维修步骤:
-
初步检查:观察保险管 F801,如果保险管发黑熔断,说明后级电路存在严重短路。
- 保险管熔断:
- 测量开关管 Q801 (c极对地电阻):若阻值接近0Ω,则Q801击穿。
- 测量行管 Q404 (c极对地电阻):若阻值接近0Ω,则行管击穿。
- 测量行输出变压器 (FBT) 初级绕组对地电阻:若阻值很小,则FBT内部短路。
- 处理方法:更换损坏的元件(如Q801、Q404、FBT)。注意:更换行管后,必须检查逆程电容是否失效,否则会再次烧毁行管,更换电源开关管后,必须检查R826、D831等周边元件。
- 保险管熔断:
-
保险管完好:
- 测量主电压输出端 (如C820两端):应有+115V直流电压。
- 电压为0V:说明电源未启动。
- 电压偏低或跳动:说明电源负载过重或处于保护状态。
- 重点检查STR-S6709A及其外围电路:
- 检查STR-S6709A的(1)、(2)、(3)脚外接的启动电阻(如R810、R811)是否开路。
- 检查(9)脚的反馈电路(PC817、T802、IC802等)是否正常。
- 检查(4)脚的过流检测电阻R826是否开路或阻值变大。
- 测量STR-S6709A各脚对地电阻,判断其是否损坏,如果STR-S6709A损坏,最好用同一型号或其直接替代品更换。
- 测量主电压输出端 (如C820两端):应有+115V直流电压。
NT25B68的“三无”故障,80%以上由STR-S6709A损坏、R826烧断、行管Q404击穿或高压包FBT损坏引起。
有光栅,无图像,无伴音
故障现象:屏幕有正常的背景光栅,但雪花点正常,接收不到任何电视台信号,也没有声音。
分析思路:此现象说明电源、行扫描、显像管电路基本正常,故障发生在公共通道或CPU控制系统。
维修步骤:
-
检查高频头:
- 测量高频头各供电脚(如+5V、+32V/AGC、VT调谐电压)是否正常。
- 检查高频头的I2C总线(SCL、SDA)电压是否正常(通常在4-5V之间跳动),如果总线电压异常或恒定不变,说明CPU或总线外围电路有问题。
-
检查中放和解码芯片 (如LA76810):
- 测量LA76810的供电脚(如+5V、+8V)是否正常。
- 检查其I2C总线(SCL、SDA)是否畅通,这是此机型的常见故障点。
- 检查中放AGC电压、视频信号输出脚等关键点波形或电压。
-
检查CPU和存储器:
- 强制搜台:按遥控器上的“自动搜台”键,观察屏幕上的搜台指示条是否在跳动,如果不动,说明CPU未发出搜台指令。
- 测量CPU晶振 Z601:用示波器观察晶振两端是否有起振波形,若无波形,可尝试更换晶振。
- 检查存储器 IC602:拔下存储器,开机观察故障是否消失,如果开机有图像了,说明存储器内部数据错乱或损坏,更换一块同型号的空白存储器(如24C08)后,重新进行
