晟辉智能制造

  • PLC技术如何用PDF实现高效应用?

    PLC技术如何用PDF实现高效应用?

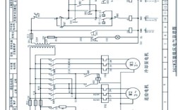
    直接复制到Word或类似文档编辑器中,然后保存为PDF格式,关于PLC技术及应用的PDF文档PLC技术基础、编程与应用全解析从入门到实践的工程师指南目录第一章:PLC概述1.1什么是PLC?1.2PLC的诞生与发展历史1.3PLC...

    2025-12-05
    2 0 0
  • 1 / 1
  • 1