晟辉智能制造

  • sdc2921电源电路维修关键点在哪?

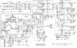
    sdc2921电源电路维修关键点在哪?

    在进行任何维修操作前,请务必确保设备已完全断电,并对大容量电容进行放电处理,否则有触电和损坏元件的风险,如果您不具备电子维修基础,建议寻求专业人士的帮助,第一部分:维修前的准备工作与安全须知安全第一:断电与放电:拔下输入电源插头,用万用表...

    2025-12-03
    1 0 0
  • 1 / 1
  • 1