晟辉智能制造

  • 互联逆变器并联技术如何实现高效协同?

    互联逆变器并联技术如何实现高效协同?

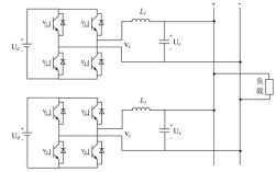
    当然有,而且互联逆变器并联技术是现代光伏、储能和微电网系统的核心和基石,这项技术就是将两台或多台逆变器连接在一起,协同工作,共同为负载供电或向电网送电,它不是一个“可有可无”的选项,而是实现大规模、高可靠性、高效率新能源应用的必然选择,为什...

    2025-12-13
    1 0 0
  • 1 / 1
  • 1