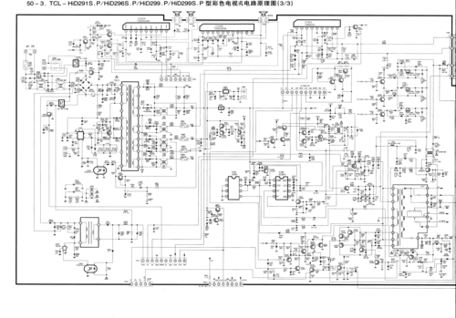
TCL HID2990是一款非常老旧的CRT(阴极射线管,俗称“大头管”)电视,这意味着它的技术原理、常见故障和维修方法与现在的液晶电视完全不同,CRT电视的维修需要专业的电子知识和工具,普通用户自行修理难度极高,且存在高压触电的风险。

在开始任何操作前,强烈建议您先考虑以下几点:
- 安全性第一:CRT电视内部有高压包,即使拔掉电源,断电后短时间内电容中仍储存有足以致命的高压电,非专业人员请勿轻易打开后盖。
- 成本与价值:这是一台近20年前的电视,其本身价值很低,即使找到维修师傅,维修费加上零件费,很可能会超过一台新的入门级智能电视的价格。
- 配件稀缺:很多专用的电子元件(如行管、集成电路IC)已经停产,很难找到原装配件,只能用性能相近的代用品,这会影响维修效果和电视寿命。
TCL HID2990 常见故障分析与维修思路
根据CRT电视的通病和这款电视的常见反馈,主要故障可以分为以下几类:
完全不开机,指示灯不亮
这是最常见也最严重的故障,通常涉及电源部分。
- 现象描述:按遥控器或机身上的电源键,电视毫无反应,屏幕全黑,电源指示灯也不亮。
- 可能原因:
- 电源线或插座问题:最简单的,先检查电源线是否插紧,插座是否有电。
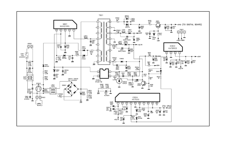
- 保险丝熔断:电视内部电源电路的保险丝因为过流(如短路)而烧断,这是电源故障的典型表现。
- 电源板故障:开关电源部分损坏,最常见的元件是 电源开关管(大功率三极管)、启动电阻、PWM控制器集成电路(如UC384X系列) 等。
- 电源线内部断裂:电源线在插头根部或电视机内部连接处因弯折而断裂。
- 维修思路:
- 外部检查:确认电源线和插座正常。
- 专业检修:必须由专业师傅打开后盖,使用万用表测量电源输入端的保险丝是否通,如果保险丝发黑或熔断,说明后级电路存在严重短路。
- 重点排查:师傅会重点检查开关电源管是否击穿短路,如果开关管短路,通常会连带烧毁启动电阻和PWM芯片,需要将损坏的元件一一更换,并检查其他相关元件有无异常。
- 更换电源板:如果电源板故障复杂,维修成本高,可以考虑寻找同型号的电源板进行整体更换。
有声音,但黑屏或图像异常
这说明电源和伴音电路基本正常,问题出在 行扫描电路 或 视放电路。

- 现象描述:能听到电视的声音(台、杂音等),但屏幕是黑的,或者有光栅但很暗、有回扫线、图像扭曲等。
- 可能原因:
- 行扫描电路故障:
- 行输出管(行管)损坏:这是CRT电视的“心脏”部件,工作在高电压、大电流状态下,是最高发的故障点之一,损坏后会导致无高压,屏幕无光。
- 行输出变压器(FBT,俗称“高压包”)损坏:高压包负责产生显像管所需的各种高压(阳极高压、聚焦极电压、加速极电压)和低压,损坏后会导致无光、图像扭曲、有焦味等。
- 行振荡/行推动电路故障:提供行管正常工作所需的激励信号。
- 显像管或视放板故障:
- 视放板(尾板)故障:负责将视频信号放大后驱动显像管的三个阴极,如果视放板出问题,可能导致黑屏、单色光栅(如全红、全绿、全蓝)、有回扫线等。
- 显像管老化或损坏:显像管寿命到期,阴极发射能力下降,会导致亮度暗、图像模糊,极少数情况下显像管内部极间短路也会导致黑屏。
- 行扫描电路故障:
- 维修思路:
- 听声音:仔细听开机时是否有轻微的“吱”一声,这是行电路启动的声音,如果没有,很可能是行电路未工作。
- 看光栅:在较暗的环境下开机,看屏幕是否有微弱的光栅,或者用手电筒斜照屏幕看是否有图像的影子,这能帮助判断是高压问题还是视放问题。
- 专业检修:
- 测量关键电压:师傅会测量行管集电极电压(正常应在100V以上,具体看图纸)、基极电压,测量显像管管座上的加速极、聚焦极、阳极高压是否正常。
- 替换法:对于行管和高压包这种易损件,师傅通常会直接用同型号或性能相近的优质新品进行替换。
- 检查视放板:测量视放板上三视放管的各极电压,判断是否工作正常。
图像或声音问题
这类故障相对“软性”,但有时也更难排查。
- 现象描述:
- 图像:图像扭曲、S形失真、几何失真(如枕形失真)、色彩异常、无彩色、有雪花点、有干扰条纹。
- 声音:声音小、有杂音、无声音。
- 可能原因:
- 图像问题:通常与 中放/解码电路、行场扫描电路的稳定性、 AGC(自动增益控制)电路 有关,色解码芯片(如TA系列、OM系列)外围的晶振、电容失效会导致无彩色。
- 声音问题:与 伴音功放电路 有关,如伴音功放IC(如TDA系列)、音频输入/输出接口、静音控制电路等。
- 维修思路:
- 信号隔离法:将电视天线拔掉,看是内部信号问题还是所有信号都受影响。
- 波形测量:需要示波器等专业设备,测量视频通道、色度通道、伴音通道的信号波形,找到信号中断或失真的点。
- 电容替换:对于图像扭曲、S形失真,通常是电源滤波电容或行场扫描电路的电解电容失效(容量减小),这是老通病,师傅可能会进行“电容代换”处理,将所有老化的电容全部换新。
总结与建议
- 自我评估:如果您完全不懂电子电路,不要尝试自行维修,安全第一!
- 寻找维修师傅:
- 可以尝试在当地的家电维修市场或社区寻找专门维修“老电视”的老师傅,他们对CRT电视的电路非常熟悉。
- 师傅上门检修时,可以请他先进行“上门检测费”范围内的初步判断,了解大概的故障点和维修费用。
- 明确告知师傅这台电视的年龄和价值,让他判断维修是否划算。
- 权衡利弊:
- 如果维修费用低于200-300元,且师傅有把握修好,可以考虑维修,作为备用电视或怀旧之用。
- 如果维修费用过高,或师傅表示配件难找,建议直接放弃这台电视,花几百元可以买一台全新的、更省电、功能更丰富的智能电视,从长远来看是更明智的选择。
希望这些信息能帮助您对TCL HID2990的维修问题有一个清晰的了解,祝您好运!

