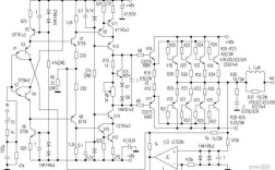
大功率功放的基本工作原理与结构如何识读功放电路图功放维修的完整流程与安全须知常见故障现象、原因与排查方法维修实例与总结大功率功放的基本工作原理与结构大功率功放的核心任务是将微弱的音频信号(来自音源、前置放大器)放大,以驱动扬声器(喇叭)发出...