遥控电风扇作为一种常见的家用电器,其核心功能依赖于电路系统的稳定运行,当出现故障时,通过电路图分析电路原理是维修的关键步骤,遥控电风扇的电路通常由电源模块、控制模块、电机驱动模块、接收模块及显示模块等部分组成,各模块协同工作实现风速调节、摇头控制、定时等功能,以下从电路图分析角度,详细阐述遥控电风扇的常见故障及维修方法。

电源模块电路分析及故障维修
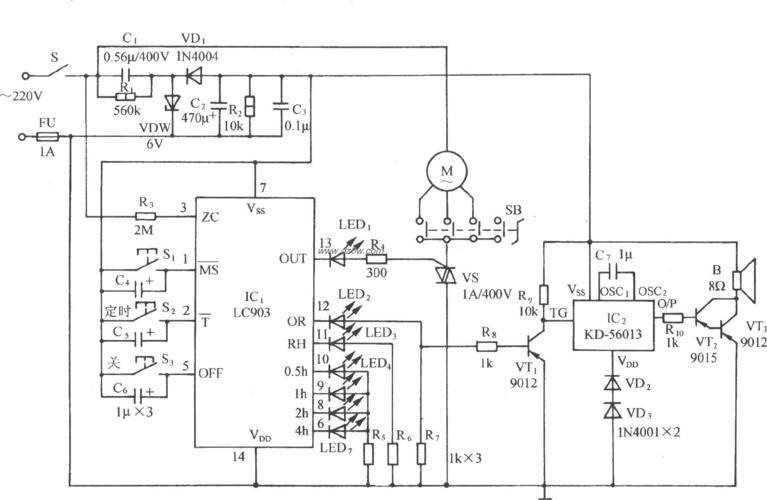
电源模块是电风扇的“心脏”,负责将220V交流电转换为适合各模块工作的低压直流电,典型电路图显示,电源模块包括保险管、整流桥、滤波电容、稳压IC(如7805)等元件,保险管作为第一级保护,当电路发生过流或短路时熔断,需先检查是否因短路导致保险管熔断,若更换后再次熔断,需重点检查整流桥、滤波电容是否击穿,滤波电容容量减小会导致输出电压纹波增大,可能引发控制模块工作异常,可通过万用表测电容两端电压或替换法判断,稳压IC输出电压异常时,需检查其输入输出端电压是否正常,若输入正常但输出无电压,多为IC损坏,需更换同型号稳压芯片。
控制模块电路分析及故障维修
控制模块以微控制器(MCU)为核心,电路图中MCU的电源引脚(VCC)、接地引脚(GND)、晶振引脚、复位引脚及各功能引脚(如风速控制、摇头控制、红外接收信号输入)需重点检测,当电风扇完全无反应时,应先测量MCU的VCC与GND电压是否正常(通常为5V或3.3V),若电压异常,排查电源模块输出至MCU的供电线路是否有断路或元件损坏,晶振为MCU提供时钟信号,若晶振停振,会导致MCU无法工作,可用示波器检测晶振两端是否有波形,或用替换法更换晶振及负载电容,复位电路通常由电容和电阻组成,若复位引脚持续处于低电平,MCU无法复位启动,需检查复位电路元件是否损坏,MCU的I/O口驱动能力有限,若驱动三极管或继电器损坏,可能导致功能失效,需结合电路图检测对应I/O口输出信号是否正常,以及驱动元件是否完好。
电机驱动模块电路分析及故障维修
电机驱动模块负责接收MCU的控制信号,驱动电机运转实现风速调节,常见电路采用可控硅调速(交流电机)或MOS管调速(直流电机),以交流电机为例,电路图中MCU通过光电耦合器触发双向可控硅,改变可控导通角实现调速,若电机不转,需检查电机绕组是否断路(用万用表测电机两端阻值),可控硅是否击穿(测可控硅T1、T2极间阻值),以及光电耦合器是否导通(测输入输出端是否通断),若电机转速异常,可能是可控硅导通角控制信号异常,需检测MCU输出至光电耦合器的信号是否正常,对于摇头功能,若摇头电机不工作,需检查摇头电机驱动电路(如继电器或H桥电路)及MCU对应的控制引脚输出信号,排查电机本身或驱动元件故障。
红外接收模块电路分析及故障维修
红外接收模块负责接收遥控器信号并解码后传输给MCU,电路图中红外接收头的输出端通常直接连接至MCU的外部中断引脚,若遥控失灵,需先检查遥控器电池电量(可用手机摄像头检测遥控器是否发出红外光),再测量红外接收头的VCC与GND电压是否正常(通常为5V),若供电正常,用示波器检测接收头的输出端,当按下遥控器时是否有脉冲信号输出,若无信号,多为接收头损坏;若有信号但MCU无响应,需检查接收头至MCU之间的线路是否有断路或干扰。

常见故障维修流程总结
| 故障现象 | 检测步骤 | 可能原因及解决方法 |
|---|---|---|
| 通电无反应 | 检查保险管是否熔断;2. 测电源模块输出电压;3. 检测MCU供电及晶振 | 保险管熔断,更换同规格保险管并排查短路点;2. 电源模块损坏,更换整流桥、滤波电容或稳压IC;3. 晶振损坏或MCU故障,更换对应元件 |
| 遥控失灵 | 检测遥控器;2. 测红外接收头供电及输出信号;3. 检查接收头至MCU线路 | 遥控器电池耗尽,更换电池;2. 红外接收头损坏,更换接收头;3. 线路断路,重新焊接或更换导线 |
| 风速调节异常 | 测电机两端电压;2. 检测可控硅或MOS管;3. 检查MCU调速信号输出 | 电机绕组短路,更换电机;2. 可控硅/MOS管击穿,更换同型号元件;3. MCU输出异常,检查或更换MCU |
| 摇头功能失效 | 检查摇头电机;2. 测摇头驱动电路(继电器/H桥);3. 检测MCU控制信号 | 电机卡死或损坏,维修或更换电机;2. 驱动电路元件损坏,更换继电器或三极管;3. MCU故障,更换MCU |
在进行遥控电风扇维修时,需先断开电源,使用万用表、示波器等工具结合电路图逐步排查,切忌盲目更换元件,对于集成度较高的控制板,若无法确定故障点,建议联系专业维修人员或更换原厂控制板,以确保维修质量和安全。
相关问答FAQs
Q1:遥控电风扇通电后指示灯亮,但电机不转,如何排查?
A1:首先检查电机两端是否有电压(交流电机通常为AC 100-220V),若无电压,说明故障在电机驱动模块或控制模块,需检测可控硅、继电器等驱动元件是否损坏,以及MCU对应的控制引脚是否有输出信号;若有电压但电机不转,多为电机绕组断路或卡死,可断开电源后用万用表测电机阻值,若阻值无穷大或异常,需更换电机。
Q2:电风扇遥控距离变短或偶尔失灵,是什么原因?
A2:可能原因包括:1. 遥控器电池电量不足,导致发射信号弱,更换电池即可;2. 红外接收头表面有灰尘或遮挡,清洁接收头表面;3. 红外接收头灵敏度下降或损坏,可用示波器检测接收头输出信号,若信号异常,更换接收头;4. 周围环境有强红外干扰(如阳光直射或红外设备),尝试远离干扰源使用。

