官方通常不会直接向普通用户或非授权维修点提供完整的、高清的原始维修图纸,这些资料属于内部技术文件,主要提供给授权的售后服务工程师。

对于维修人员或有一定电子基础的爱好者来说,有多种途径可以找到等效的、可用于维修的技术资料。
获取维修资料的主要途径
官方售后渠道 (最可靠)
这是获取最准确、最全面资料的首选方法。
- 联系官方售后:通过TCL品牌的官方网站或客服热线,查找您所在地区的官方授权维修站,联系他们,说明您是维修人员,需要该型号的图纸和维修手册,如果您的维修站是授权的,通常可以申请获取。
- 优点:资料最权威,包含电路图、PCB布局图、物料清单、各点电压波形图、维修流程和软件等。
- 缺点:对个人用户不开放,且流程可能较慢。
专业维修论坛和社区 (资源最丰富)
这是国内维修人员获取资料最常用的地方,里面有大量由同行分享的资源。
- 推荐论坛:
- 维修吧:非常专业的维修技术论坛,有大量图纸、技术交流帖子。
- 家电维修论坛:老牌论坛,资源库庞大。
- 迅维网:以液晶电视、电脑板卡维修著称,社区活跃。
- 如何搜索:在这些论坛的搜索框中输入 “L42E5300D”、“TCL L42E5300D”、“5300D图纸” 等关键词,很多热心网友已经上传过相关资料。
- 优点:资源免费、种类多、有同行可以交流。
- 缺点:需要注册和寻找,资料质量参差不齐,可能需要一定的“论坛币”或积分下载。
第三方维修资料网站
这类网站专门收集和销售各类电子产品的维修资料。

- 如何搜索:在百度等搜索引擎中搜索 “L42E5300D 维修图纸下载”、“电视图纸网” 等关键词。
- 优点:通常有打包好的资料,下载方便。
- 缺点:部分网站可能需要付费,且资料的真实性和完整性无法完全保证。
拆机测绘 (终极方法)
如果以上途径都找不到,就只能自己动手了。
- 方法:将电视主板(通常是逻辑板和电源板)小心拆下,观察元器件的布局,使用万用表测量关键测试点的对地阻值和电压,根据芯片型号查找其数据手册,反向绘制出局部电路图。
- 优点:完全自主,最贴合实际情况。
- 缺点:耗时耗力,需要深厚的电子技术功底,且容易在拆机过程中损坏部件。
L42E5300D 的技术特点与关键图纸
L42E5300D 是一款比较老款的 LED 液晶电视,了解其基本构成有助于你更高效地查找和使用图纸。
核心组成部分
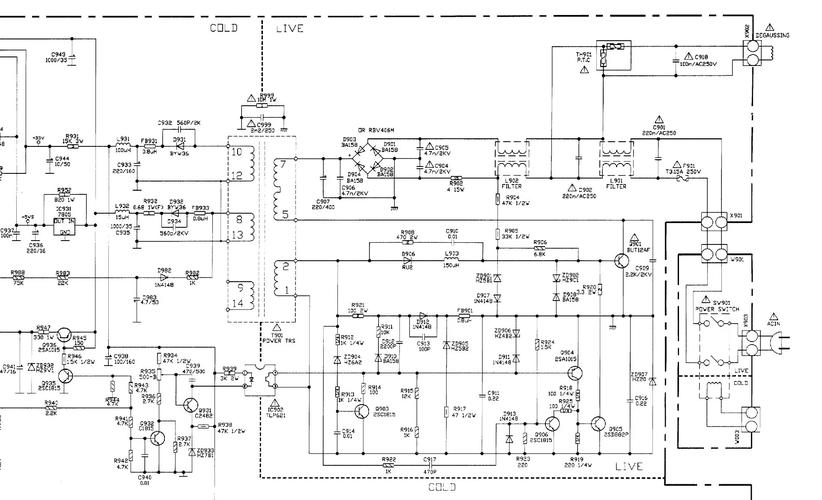
- 电源板:负责将220V交流电转换为电视各部分所需的各种直流电压(如12V, 5V, 24V等),这是最常见的故障区域之一。
- 主板:也叫信号板或逻辑板,是电视的“大脑”,负责接收和处理视频、音频信号,并驱动屏幕显示。
- 背光驱动板:也叫高压板或逆变器,负责点亮LED背光条,在一些新型号中,此功能可能被集成到主板或电源板上,但在L42E5300D这个年代,它通常是独立的。
- 屏幕:包含液晶面板和 attached film (TCON等),是电视最昂贵的部分,通常不维修,只更换总成。
你需要的关键图纸类型
- 电源板电路图:
- 作用:用于维修电源板无输出、输出电压低、屡烧保险丝等故障。
- 关键信息:AC输入整流滤波电路、PFC(功率因数校正)电路、LLC谐振电路、次级整流输出电路、反馈控制电路,需要重点关注各路输出电压的标注值和测试点。
- 主板电路图:
- 作用:用于维修不开机、无图像、无声音、花屏、遥控失灵等故障。
- 关键信息:
- CPU/主芯片电路:供电、晶振、复位电路。
- 信号输入接口电路:HDMI、AV、VGA、USB等接口的对应芯片电路。
- 存储器电路:Flash(程序存储)和DDR(运行内存)的供电和通信线路。
- LVDS/TCON接口:主板驱动屏幕的信号输出接口,是图像显示的关键。
- 背光使能/控制电路:主板给背光驱动板的开关信号和亮度调节信号。
- 背光驱动板电路图:
- 作用:用于维修黑屏、背光亮一下就灭、屏幕亮度不均匀等故障。
- 关键信息:高压输出电路、PWM亮度控制信号输入电路、使能信号输入电路、供电电路。
- 物料清单:
- 作用:提供每个元器件的型号、位号和参数,是更换损坏元器件的“字典”。
- 维修手册/流程图:
- 作用:提供故障现象与可能原因的对应关系,以及标准化的检修流程,能极大提高维修效率。
维修注意事项 (非常重要!)
在拿到图纸并准备动手维修前,请务必牢记以下安全事项:
- 安全第一,断电操作:在拆卸任何部件前,务必拔掉电源线,电源板即使在断电后,大容量的滤波电容中仍储存有高压电,必须对其进行放电操作(用大功率电阻短接电容两脚),否则有触电危险!
- 防止静电损坏:主板上的芯片和CMOS器件对静电非常敏感,维修前请佩戴防静电手环,并确保工作环境干燥。
- 备份数据:如果需要刷机或更换存储芯片,最好先备份原机的程序,以防刷机失败导致电视变砖。
- 先易后难:遵循“先电源,后负载;先外设,后主板”的原则,先检查电源板输出是否正常,再检查主板和背光板。
- 善用工具:准备好万用表、示波器(观察波形非常关键)、电烙铁、热风枪、螺丝刀等必要工具。
要获取 L42E5300D 的维修图纸,最佳途径是通过官方售后或专业的维修论坛(如维修吧),你需要重点关注的是电源板电路图、主板电路图和背光驱动板电路图。

维修是一项技术活,请务必在确保安全的前提下进行,如果你没有相关经验,建议将电视送到专业的维修店处理,希望这份详细的指南能对你有所帮助!
