lm2907技术文档详细阐述了这款由美国国家半导体公司(现属德州仪器)推出的集成频率/电压转换器芯片的核心特性、工作原理、引脚功能、典型应用电路及设计注意事项,该芯片专为将输入频率信号线性转换为直流电压而设计,广泛应用于汽车电子、工业控制、转速测量、频率监测等领域,其内部集成了比较器、充电泵、高增益运算放大器和输出级电路,具有高灵敏度、宽工作电压范围及外围元件简单等优势。

从内部结构来看,lm2907主要由五部分构成:输入比较器、充电泵(也称锁相环环路滤波器)、运算放大器、输出级及稳压二极管,输入比较器的作用是将输入的频率信号(通常为方波、脉冲波或正弦波)与内部参考电平比较,输出对应频率的方波信号,其阈值电压可通过外部电阻设置,以适应不同幅度的输入信号,充电泵电路由电容和开关组成,将比较器输出的方波信号转换为与频率成正比的电流,该电流通过外部滤波电容积分后形成直流电压,其转换增益由外部RC时间常数决定,公式为Vout = fin × Vcc × R1 × C1,其中fin为输入频率,Vcc为供电电压,R1和C1为外部充电泵电阻和电容,运算放大器作为缓冲级,可配置为同相或反相放大器,用于调整输出电压的增益和极性,其反相输入端可通过电阻分压设置参考电压,实现输出电压的偏移调节,输出级采用集电极开路结构,可提供最大60mA的灌电流或拉电流,驱动负载能力强,且输出电压范围接近地电位(约0.3V),内部稳压二极管为可选功能,当引脚8(Vcc)与引脚3(Op Amp Output)之间外接电阻时,可提供5.6V的稳压输出,为外部电路提供基准电压。
引脚功能方面,lm2907采用8引脚DIP或SO封装,各引脚定义如下:引脚1为比较器输入端(Input Comparator),接收频率信号输入,通常通过耦合电容或电阻分压电路与信号源连接;引脚2为比较器输入端(Input Comparator),一般接地或通过电阻设置比较阈值,用于滤除输入信号中的直流分量;引脚3为运算放大器输出端(Op Amp Output),可配置为跟随器或放大器输出,用于调整输出特性;引脚4为地(GND),系统接地端;引脚5为输出端(Output),集电极开路输出,需外接上拉电阻至Vcc,输出电压与频率成正比;引脚6为充电泵电容连接端(Charge Pump Capacitor),外接电容C1,决定转换增益的积分时间常数;引脚7为充电泵电阻连接端(Charge Pump Resistor),外接电阻R1,与C1共同决定频率-电压转换系数;引脚8为电源正端(Vcc),工作电压范围为8V至24V,推荐工作电压12V。
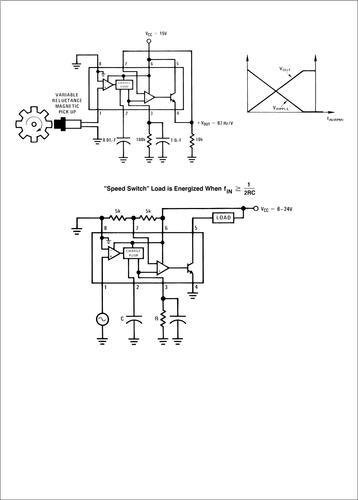
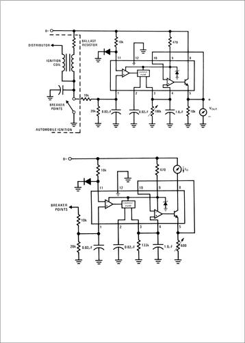
典型应用电路中,汽车转速表是最常见的场景之一,输入信号来自点火系统的点火脉冲,经电阻分压和电容滤波后送入引脚1,引脚2接地,比较器将脉冲信号转换为方波;引脚7和引脚6分别外接电阻R1(如10kΩ)和电容C1(如0.1μF),设定转换系数;引脚5通过上拉电阻(如10kΩ)接Vcc,输出电压送入仪表表头;引脚3与引脚5短接,构成电压跟随器,提升驱动能力,在此应用中,若点火频率为50Hz,Vcc=12V,则输出电压Vout=50×12×10×0.1=6V,实现转速与电压的线性对应,lm2907还可用于频率监测电路,当输入频率超过设定阈值时,输出电压达到特定值触发报警;或作为转速控制器,通过运算放大器设置参考电压,实现闭环调速。
设计注意事项需重点关注输入信号处理:输入信号幅度需满足比较器阈值要求,若信号幅度较低(如<100mV),应前置放大电路;高频应用时,输入端需并联小电容(如100pF)滤除噪声,避免误触发,充电泵参数选择直接影响转换精度和响应速度:R1和C1取值不宜过大,否则响应慢;取值过小则纹波大,需根据频率范围权衡,一般R1取1kΩ~100kΩ,C1取0.001μF~1μF,输出端需根据负载特性选择上拉电阻,驱动感性负载时需续流二极管保护,供电电源需就近旁路电容(如0.1μF)滤波,减少电源噪声干扰,温度漂移方面,lm2907的转换增益温度系数约为±0.3%/℃,精密应用中需进行温度补偿或选用高精度元件。

相关问答FAQs:
-
问:lm2907的输入信号可以是正弦波吗?需要如何处理?
答:可以,正弦波需先通过整形电路转换为方波,可在输入端外接比较器(如LM393)或施密特触发器,或利用lm2907内部比较器,在引脚2与地之间并联电阻和电容,设置比较阈值,确保正弦波过零时被有效转换为方波,避免因幅度波动导致比较器输出不稳定。 -
问:lm2907输出电压纹波过大如何解决?
答:纹波主要因充电泵积分电容C1取值过小或负载电流过大导致,解决方法包括:增大C1容量(如从0.1μF增至1μF),但需注意会牺牲响应速度;在输出端并联滤波电容(如10μF电解电容与0.1μF陶瓷电容组合);降低负载电流,或选择更小的上拉电阻;优化充电泵电阻R1取值,确保RC时间常数与输入频率匹配,减少纹波分量。

