晟辉智能制造

  • L42E5300D维修图纸哪里找?

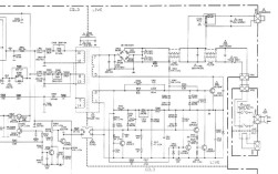
    L42E5300D维修图纸哪里找?

    官方通常不会直接向普通用户或非授权维修点提供完整的、高清的原始维修图纸,这些资料属于内部技术文件,主要提供给授权的售后服务工程师,对于维修人员或有一定电子基础的爱好者来说,有多种途径可以找到等效的、可用于维修的技术资料,获取维修资料的主要...

    2025-11-28
    16 0 0
  • 1 / 1
  • 1