需要强调的是,PF29366是一款经典的纯平显像管电视机,其技术原理和维修方法与现代液晶电视有本质区别,维修此类电视需要具备一定的电子电路知识和高压安全意识,如果您没有相关经验,请务必谨慎操作或寻求专业维修人员的帮助。

以下资料将围绕该机型的核心图纸、工作原理、常见故障及维修思路展开。
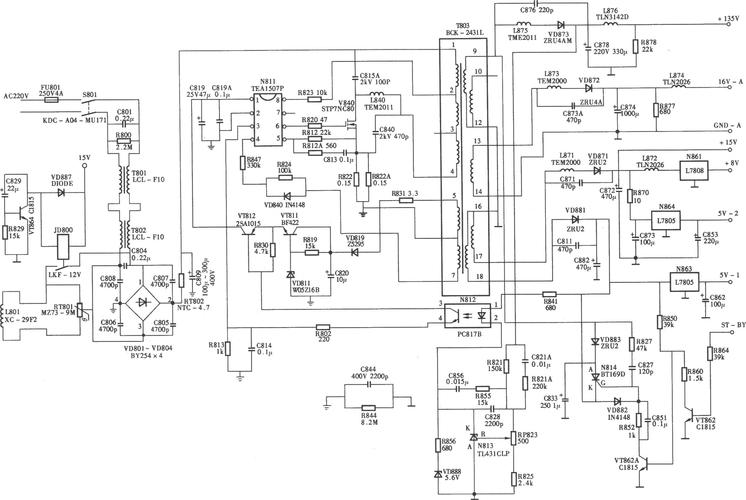
核心图纸资料
维修电视机,图纸是必不可少的,对于PF29366,其图纸通常包括以下几种:
- 电原理图:这是最重要的图纸,详细标明了电视机中所有元器件的型号、参数以及它们之间的电气连接关系,通过它可以分析信号流程和供电走向。
- 总装图/结构图:展示了电视机内部各部件(如主板、显像管、偏转线圈、高压包等)的物理位置和安装方式。
- 元器件位置图:在PCB板上清晰地标出了各个电阻、电容、集成电路等元器件的位置,方便查找和测量。
- CRT管脚图:显像管各引脚的功能定义图。
如何获取图纸:
- 品牌售后服务中心:长虹官方渠道可能存有这些图纸。
- 专业维修论坛/网站:如“电视维修论坛”、“维修吧”等,老型号电视的图纸是共享资源,通常可以找到。
- 图纸网站:一些电子图纸网站可能收录。
重要提示: 在网上搜索时,请使用完整型号 “长虹 PF29366” 或 “CHANGHONG PF29366” 进行搜索,以提高找到准确资料的几率。

核心工作原理简介
了解基本原理有助于快速判断故障范围。
PF29366属于“单片机”彩电,其核心控制通常由一块大规模集成电路完成,TDA9383 或其系列芯片,整个电视系统可以分为以下几个部分:
-
电源电路:
- 功能:将220V交流电转换成电视机各部分所需的各种直流电压(如+B主电压,通常是+130V左右,还有+12V, +5V, +24V等)。
- 关键元件:开关管、开关变压器、光电耦合器、稳压控制IC(如TEA2261, UC3842等)。
- 常见故障:无光栅、无声音,保险丝烧断。
-
微处理器控制电路:
(图片来源网络,侵删)- 功能:电视机的“大脑”,负责接收遥控器和本机键的指令,控制所有功能的切换(频道、音量、亮度等),并执行开机/待机指令。
- 关键元件:主控CPU芯片(如PCA84C641或其升级型号)、存储器(用于存储用户设置)。
- 常见故障:所有按键失灵、遥控失灵、不能开机、自动关机、无台等。
-
中频/伴音解调电路:
- 功能:处理高频头送来的中频信号,解调出图像(视频)和声音(音频)信号。
- 关键元件:中频处理块(如TDA9808, TDA9874等)。
- 常见故障:有图像无声音、有声音无图像、图像雪花点多、伴音噪音大。
-
视频/色度/行场扫描小信号处理电路:
- 功能:这是图像和光栅形成的关键,它处理视频信号,进行解码(分离出色差信号Y, U, V),并产生行场扫描的激励信号。
- 关键元件:超级芯片(如TDA9383)。
- 常见故障:光栅异常(一条水平/垂直亮线、幅度不满、线性差)、图像缺色、无彩色、图像扭曲等。
-
行场扫描输出电路:
- 功能:将小信号处理电路送来的行场激励信号进行功率放大,驱动偏转线圈,使电子束在显像管上做周期性扫描,形成光栅。
- 关键元件:行输出管(通常是BU系列大功率管)、行输出变压器(俗称“高压包”)、场输出集成电路(如TDA8177, LA7845等)。
- 常见故障:一条水平亮线(场停振)、一条垂直亮线(行偏转线圈开路)、光栅几何失真、行幅不足等。
-
显像管及附属电路:
- 功能:最终将电信号转换成可见的光图像。
- 关键元件:显像管、高压包(提供阳极高压、聚焦极电压、加速极电压)、视放板(将R, G, B三基色信号放大后加到显像管阴极)。
- 常见故障:图像暗、偏色、有回扫线、亮度失控、聚焦不良等。
常见故障及维修思路
故障现象一:完全无光栅,无声音(“三无”故障)
这是最常见也最危险的故障,因为涉及到高压部分。
-
检查电源:
- 观察保险丝:如果保险丝F801熔断,说明后级有严重短路,重点检查 开关管 是否击穿、整流桥 BD801 是否击穿、以及 +130V 主电压负载(主要是行输出电路)是否短路。
- 保险丝未断:说明后级基本无短路,测量开关电源输出的各路电压(如+B +130V, +12V, +5V等)是否正常,如果电压全无或异常,故障在电源电路本身。
- 电压全无:检查启动电阻、反馈电路、稳压控制环路(如光电耦合器IC802、误差放大IC803)。
- 电压过低:可能是负载过重(如行电流大),或稳压控制电路异常。
-
检查负载:
- B电压输出正常,但光栅和声音都没有,说明故障在负载端,此时应重点检查 行输出电路。
- 测量行输出管Q401的集电极电压,B电压正常,但集电极电压很低或为0,说明行输出管未工作或已击穿。
- 检查行推动级Q402是否工作(测量基极是否有激励脉冲电压)。
- 检查小信号处理块N201(如TDA9383)的行振荡供电和行振荡引脚电压是否正常。
故障现象二:有光栅,无图像,无声音
-
检查公共通道:
- 观察光栅上是否有“雪花点”,有雪花点说明中放、高频头以前的电路基本正常,故障在视频或解码电路。
- 无雪花点,光栅纯净,则故障在高频头或中放电路,检查高频头供电(+5V, +32V)是否正常,测量中频块(如N101)的供电和信号输入输出脚波形。
-
检查视频/解码电路:
- 如果有雪花点,说明故障在视频信号之后,可以用示波器或万用表测量超级芯片N201的 视频输出脚 是否有正常的视频信号波形。
- 检查N201的 供电、复位、总线(SDA, SCL) 电压是否正常,总线不正常会导致CPU无法控制解码芯片,从而无图无声。
故障现象三:图像正常,无伴音
-
检查伴音功放:
- 测量伴音功放集成电路的供电是否正常。
- 用干扰法(手拿螺丝刀金属部分触碰功放输入端)听扬声器是否有“喀喀”声,有声音说明功放正常,故障在之前的伴音解调电路;无声音则故障在功放本身。
-
检查伴音解调电路:
- 检查中频/伴音解调块(如N102)的供电和I2C总线是否正常。
- 测量其音频输出端是否有音频信号,如果输入正常但无输出,则该芯片损坏。
故障现象四:光栅异常(一条水平亮线)
- 故障根源:场扫描电路停止工作,电子束只能在水平方向偏转,形成一条水平亮线。
- 维修思路:
- 测量场输出集成电路(如N401)的供电电压是否正常。
- 测量其输入端(场激励信号输入脚)是否有来自小信号处理块N201的场激励脉冲信号,若无信号,检查N201及其供电。
- 如果输入信号正常
