重要提示:安全第一!
在开始任何维修之前,请务必阅读并遵守以下安全准则:

- 断开电源: 维修前务必拔掉电源插头,即使关机,设备内部的大电容仍可能储存有致命的高压电。
- 放电: 对于电源部分,必须使用带绝缘手柄的螺丝刀或专用放电工具,对滤波电容进行充分放电。
- 绝缘: 操作时最好使用防静电手环,并确保身体良好接地,避免直接裸露的皮肤接触电路板上的元器件和焊点。
- 专业工具: 使用合适的万用表、示波器、电烙铁等工具,不合适的工具可能导致设备进一步损坏或人身伤害。
- 如果不确定,请寻求专业人士帮助。 这些设备结构复杂,内部有高压,非专业人员维修风险极高。
获取维修手册的途径
直接找到 GF-800 的原始纸质维修手册(SM - Service Manual)或电路图(Schematic Diagram)可能比较困难,但以下途径可以尝试:
-
专业的电子维修资料网站(付费或部分免费) 这些网站是寻找老设备资料的最佳去处,它们通常由维修爱好者或专业人士维护,资料非常齐全。
- Elektrotanya: 非常知名的维修资料库,需要注册和付费(通常通过点数或小额订阅),但资料质量极高,通常是清晰的扫描件。
- Nodevice: 资料库非常庞大,包含大量驱动、手册和电路图,部分免费,部分需要付费。
- ManualsLib: 主要偏向用户手册,但有时也会包含维修手册。
- RadioAmateur.Info: 专注于音频和无线电设备,有很多经典音响的维修资料。
-
搜索引擎高级搜索技巧 使用 Google 或百度等搜索引擎,并使用精确匹配和文件类型限定。
- 关键词组合:
Sharp GF-800 Service Manual夏普 GF-800 维修手册Sharp GF-800 Schematic DiagramSharp GF-800 电路图Sharp GF-800 SM
- 文件类型限定:
- 在 Google 搜索框中输入:
Sharp GF-800 Service Manual filetype:pdf - 这会优先搜索到 PDF 格式的手册,质量通常更好。
- 在 Google 搜索框中输入:
- 关键词组合:
-
发烧友论坛和社群 国内外的音响发烧友论坛是获取帮助和资料的宝库。
(图片来源网络,侵删)- 国内: “音响世界”、“耳机大家坛”(其音响版块)、“HiFi吧”等贴吧,在这些论坛发帖求助,可能会有热心的老玩家分享资料。
- 国外: AudioKarma 是一个非常友好的老式音响维修和讨论社区,你可以在相关版块发帖,很可能会得到帮助。
-
电商平台和二手网站 在淘宝、eBay 等平台上搜索“夏普 GF-800”,有时会有人出售包含维修手册的资料光盘或打印件。
维修手册通常包含哪些内容?
一份完整的维修手册是维修工作的“圣经”,通常包含以下部分:
- 产品规格与功能介绍: 列出机器的各项技术参数、频率响应、信噪比等,让你对设备性能有基本了解。
- 拆卸与组装指南: 详细说明如何安全地拆开外壳、取出机芯和电路板,以及如何正确地将其装回,这是第一步。
- 方框图: 显示整个设备各个功能模块(如电源、收音头、录放卡座、功放、显示控制等)之间的信号流向和连接关系,对于理解信号路径至关重要。
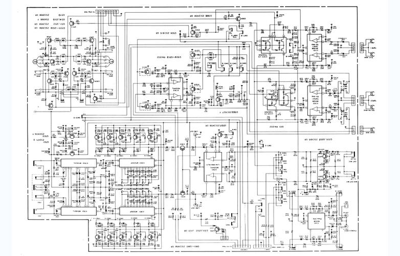
- 电路图: 这是维修手册的核心! 它会详细绘制出所有电子元器件(电阻、电容、芯片、晶体管等)在电路板上的精确位置、型号和连接方式,有了它,你才能进行电压、电阻测量和故障定位。
- 印制电路板图: 通常有两张图,一张是 元件布局图,标明了每个元器件在PCB板上的位置和编号;另一张是 PCB走线图,展示了铜箔线路的连接,这对于查找短路、断路或更换特定位置的元件非常有帮助。
- 调整与校准程序: 设备在维修后,各项参数(如磁头方位角、磁带速度、偏磁电流、杜比电平等)可能会偏离标准,手册会提供使用示波器、毫伏表等仪器进行精确调整的步骤和测试点。
- 故障排除指南: 这是最实用的部分,手册会列出常见的故障现象(如“不工作”、“某卡不走带”、“声音失真”、“录音无声”等),并给出可能的原因和检查流程,引导你一步步找到问题所在。
- 零件清单: 列出所有元器件的型号、规格和在电路图中的编号,当你需要更换损坏的元件时,可以按图索骥。
- exploded view (爆炸图): 一种分解图,清晰展示了设备内部所有机械零件、塑料件的组装顺序和位置关系,对维修机械传动部分非常有用。
常见故障与初步判断
根据 GF-800 的结构,常见故障通常集中在以下几个方面:
-
电源部分:
(图片来源网络,侵删)- 现象: 整机无反应,指示灯不亮。
- 可能原因: 电源线、保险丝烧断、电源开关损坏、电源变压器初级开路、整流桥或稳压块(如IC601)故障。
-
机械传动部分(机芯):
- 现象: 按下播放键后,磁带不走带,或电机转动但飞轮不转;换片机构卡死;磁带绞带。
- 可能原因: 传动皮带老化、断裂或打滑;电机损坏或其驱动电路故障;机械部分(如惰轮、靠轮)磨损或脏污;橡胶轮圈老化失去摩擦力,这是老设备最常见的问题。
-
录放卡座部分:
- 现象: 某个卡座播放无声,但另一个正常;录音功能失效;声音发闷、高频差。
- 可能原因:
- 磁头: 磁头严重磨损或脏污(需要用专用清洁液和棉签清洁),或方位角偏移,这是导致音质下降和录音无声的常见元凶。
- 录放开关: 这是一个多刀多位的滑动开关,长期使用容易接触不良或氧化,导致信号通路中断。
- 杜比降噪电路: 相关的运放(如IC301, IC302)或外围元件故障。
- 磁头放大器电路: 驱动磁头的放大器芯片或周边元件问题。
-
控制与显示部分:
- 现象: 按键失灵,显示屏缺划或乱码。
- 可能原因: 键盘矩阵触点脏污或氧化;微处理器(CPU)或其外围电路故障;显示屏损坏或驱动电压异常。
维修夏普 GF-800 这样的经典设备,耐心和细致是关键。第一步也是最关键的一步,就是找到一份高质量的电路图和维修手册。 有了这份“地图”,你才能系统地分析问题,而不是盲目地更换零件。
祝您维修顺利,让这台经典的录音座重获新生!
