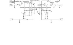
电源板基本结构与工作原理
LT32630V 是一个典型的PFC+LLC谐振双电源架构,主要由以下几个部分组成:

-
输入与抗干扰电路 (EMI/EMC)
- 作用:滤除电网中的杂波,防止其干扰电视;同时防止电源板自身产生的干扰反馈到电网。
- 关键元件:保险丝、负温度系数热敏电阻、X电容、Y电容、共模电感。
- 故障现象:通常表现为保险丝熔断。
-
PFC (功率因数校正) 电路
- 作用:将整流后的脉动直流电(约100V-310V)提升并稳定在约 380V-400V 的直流电压,提高功率因数,减少对电网的谐波污染,并为后级电路提供稳定的电压。
- 核心IC:通常是 NCP1653 或其兼容型号,驱动PFC开关管(如2SK3562)。
- 关键元件:PFC开关管、PFC电感、PFC二极管、输出滤波电容(大电解电容)。
- 故障现象:输出电压异常(过低或过高)、无输出、PFC芯片或开关管烧毁。
-
LLC谐振半桥变换电路
- 作用:将PFC输出的高压直流电(~380V)高效地转换成高频交流电,再通过变压器降压,最后整流成电视主板所需的各组低压直流电(如24V, 12V, 5V, STB-VCC待机电压等)。
- 核心IC:通常是 NCP1399 或其兼容型号,驱动两个LLC开关管(如K2645, K2844等MOSFET)。
- 关键元件:LLC开关管对、谐振电容、谐振电感、变压器、次级整流二极管(或同步整流管)。
- 故障现象:各组电压无输出或输出异常、开关管烧毁。
-
待机控制电路
(图片来源网络,侵删)- 作用:当用遥控器关机或按下电源键时,电源板进入低功耗的待机模式,此时只有一小部分电路工作,提供 STB-VCC(通常为5V或12V)给主板CPU,当主板检测到开机信号后,会控制电源板从待机状态切换到正常工作状态,输出全部电压。
- 关键元件:光耦(如PC817)、待机控制IC(如NCP1014等反激式电源IC)、继电器(部分设计用继电器切换PFC电压)。
- 故障现象:始终处于待机状态(只有5V),无法开机;或者无任何电压输出。
-
保护电路
- 作用:监测各路电压、电流、温度等,当发生过压、过流、过温、短路等异常情况时,关闭电源输出,保护电路不受损坏。
- 关键元件:电压比较器、光耦、稳压管(如431)、取样电阻。
- 故障现象:电源板启动一下就关机(进入保护状态)。
维修所需工具与准备
-
基础工具:
- 万用表(必备,最好有二极管档和电容档)
- 示波器(强烈推荐,用于观察波形,判断驱动和PWM是否正常)
- 电烙铁、吸锡器、焊锡丝、松香
- 螺丝刀、镊子、剪线钳
-
安全工具:
- 隔离变压器(非常重要!用于将市电与维修电路隔离,防止触电和因地线问题造成的二次损坏)
- 防静电手环
-
配件:
(图片来源网络,侵删)- 保险丝(同规格同电流)
- 易损件备件:PFC开关管、LLC开关管对、PFC二极管、大电解电容、整流二极管、光耦、431稳压管。
常见故障分析与维修步骤
维修黄金法则:先外后内,先静后动,先易后难,先电源后负载。
故障现象一:完全不通电,指示灯不亮
可能原因:
-
保险丝熔断:最常见。
- 维修步骤:
- 断开电源板与主板的连接。
- 用万用表二极管档测量PFC开关管D-S、S-G之间是否击穿短路,如果短路,需更换。
- 测量LLC开关管D-S、S-G之间是否击穿短路,如果短路,需更换。
- 测量输入整流桥(四个二极管)是否击穿。
- 测量PFC二极管是否击穿。
- 检查大电解电容是否鼓包或漏液。
- 如果以上元件有损坏,更换后务必检查驱动电路(如PFC驱动IC NCP1653和LLC驱动IC NCP1399)是否正常,避免再次烧毁开关管,确认无误后,更换同规格保险丝。
- 维修步骤:
-
NTC热敏电阻开路:较少见,但可能因老化或瞬间电流冲击损坏。
- 维修步骤:用万用表电阻档测量,正常冷态下阻值几欧到十几欧,如果阻值无穷大,则需更换。
故障现象二:指示灯亮(有STB-VCC待机电压),但无法开机,各组电压无输出
可能原因:
-
待机控制电路故障:无法向主电源发出开机指令。
- 维修步骤:
- 测量 STB-VCC 电压是否正常(通常为5V或12V),如果异常,检查待机电源电路(如NCP1014及其外围元件)。
- 用万用表测量 PS-ON 或 ON/OFF 引脚(连接到主板的排针脚),在待机状态下,此脚通常为高电平(如3.3V或5V);开机后,主板会将其拉低(如0V)。
- 如果PS-ON电压变化正常,但电源板不启动,则问题在电源板的待机信号检测或控制电路。
- 重点检查光耦PC817,看其是否导通,测量光耦的1、2脚电压差,正常导通时应有1V左右压降,如果光耦不工作,检查其4脚三极管侧的上拉电阻和供电。
- 检查431精密稳压管及其外围电阻分压电路,这是待机电压反馈和稳定的核心。
- 维修步骤:
-
主电源(PFC或LLC)未启动:
- 维修步骤:
- 测量PFC输出电压(大电容两端),待机状态下应为0V,开机后应上升到380V左右,如果始终为0V,检查PFC电路。
- 测量LLC驱动IC(如NCP1399)的VCC供电脚电压是否正常,此电压通常由一个辅助绕组经整流滤波后提供。
- 用示波器观察NCP1399的输出驱动脚(OUT)是否有正常的PWM波形,如果没有,检查其供电、使能脚(EN)、电压反馈脚(FB)等外围电路。
- 检查PFC驱动IC(如NCP1653)是否正常工作,确保PFC电压先建立起来。
- 维修步骤:
故障现象三:电源板“打嗝”,启动一下就关机
可能原因: 这通常是保护电路被触发了。
- 过压保护:最常见。
- 维修步骤:
- 重点检查LLC的电压反馈回路,通常是一个电阻分压网络,连接到NCP1399的FB脚。
- 检查稳压管431是否被击穿,导致反馈电压异常。
- 检查光耦PC817是否损坏,导致反馈信号中断。
- 检查
- 维修步骤:
