tl494电源电路维修是电子维修工作中常见且需要细致操作的任务,tl494是一款广泛应用于开关电源的脉宽调制(pwm)控制器,其性能直接影响电源的输出稳定性和可靠性,维修时需遵循系统化的排查流程,结合电路原理和实际测量数据,逐步定位故障点。

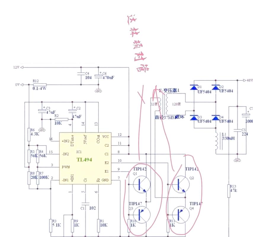
维修前需准备工具和资料,包括万用表、示波器、稳压电源、焊接工具以及tl494的数据手册,tl494内部包含误差放大器、振荡器、pwm比较器、死区时间控制等模块,典型应用电路中,其①脚为误差放大器1的反相输入端,通常接反馈电压;②脚为同相输入端,接基准电压;③脚为误差放大器1的输出端,与pwm比较器相连;④脚为死区时间控制端,通过电阻分压设定死区时间;⑤、⑥脚为振荡器外接定时电容和电阻,决定振荡频率;⑦脚为接地端;⑧脚为集电极开路输出端,⑨脚为发射极输出端,⑩脚为控制放大器反相输入端,⑪脚为控制放大器同相输入端,⑫脚为vcc电源端,⑬脚为输出控制端,⑭脚为基准电压输出端(5v),熟悉各引脚功能是维修的基础。
维修步骤通常从外观检查开始,观察tl494及周围元件是否有烧焦、鼓包、虚焊等现象,检查电源输入端保险管是否熔断,若保险管熔断,需进一步排查后级是否有短路故障,如整流桥、mosfet管等是否击穿,测量tl494的⑭脚基准电压是否正常(应为5v±0.1v),若基准电压异常,tl494无法正常工作,需检查⑭脚外接滤波电容是否漏电或短路,以及vcc供电电路是否正常。
检查振荡电路是否起振,用示波器测量⑤、⑥脚波形,正常情况下应有锯齿波振荡信号,若无振荡,需检查定时电阻和电容是否损坏或参数偏移,振荡频率由⑤脚外接rt和⑥脚外接ct决定,计算公式为f=1/(rt×ct),若频率偏离设计值,可能导致电源输出异常。
再检查pwm输出控制,tl494的⑧、⑨脚为推挽输出,正常工作时应有互补的pwm波形,输出脉冲宽度受误差放大器和死区时间控制,若输出异常,需测量③脚误差放大器输出电压,该电压与锯齿波比较后决定脉冲宽度,若③脚电压过高或过低,需检查反馈电路,如光耦、误差放大器(如tl431)等是否正常,在开关电源中,tl494的①脚通常通过电阻分压获取输出电压反馈,与②脚的2.5v基准电压(tl431参考端)比较,误差信号经tl431和光耦反馈至tl494的②脚,若光耦开路或tl431损坏,会导致反馈异常,进而使输出电压不稳或无输出。

死区时间控制端④脚的电压也很关键,正常电压通常为0-3v,若电压过高(接近vcc),会导致输出脉冲宽度被封锁,电源无输出,需检查④脚外接电路,如分压电阻是否变值或是否有短路。
在维修过程中,还需注意tl494的工作电压范围(通常为7-40v),若vcc电压过低,会导致芯片工作不稳定;若过高,可能损坏芯片,更换tl494时需注意焊接质量,避免静电击穿,建议使用防静电工具。
以下为tl494关键引脚功能及常见故障排查要点简表:
| 引脚 | 功能 | 常见故障现象 | 可能原因 |
|---|---|---|---|
| ①脚 | 误差放大器1反相输入 | 输出电压异常 | 反馈电阻变值、光耦损坏 |
| ②脚 | 误差放大器1同相输入 | 输出电压为0 | tl431损坏、基准电压异常 |
| ③脚 | 误差放大器1输出 | pwm波形异常 | 误差放大器损坏、反馈回路开路 |
| ④脚 | 死区时间控制 | 无输出 | ④脚电压过高、分压电阻异常 |
| ⑤、⑥脚 | 振荡器定时 | 输出频率异常 | rt、ct参数偏移、损坏 |
| ⑭脚 | 基准电压输出 | 芯片不工作 | 外接电容短路、vcc异常 |
相关问答FAQs:
-
问:tl494电源输出电压偏高,应重点检查哪些部分?
答:首先测量tl494的①脚反馈电压,若电压偏低,可能是反馈电阻变值或光耦未导通;其次检查③脚误差放大器输出电压,若电压过高,说明误差放大器输出脉冲宽度增加,需检查tl431和光耦是否正常;最后检查振荡频率是否稳定,若频率偏低也会导致输出电压升高。 -
问:tl494的⑧、⑨脚无pwm波形输出,电源无电压,如何排查?
答:先测量tl494的⑭脚基准电压是否为5v,若异常,检查vcc供电和⑭脚外接电容;再测量④脚死区控制电压,若接近vcc,说明死区时间过长,需检查④脚外接电路;然后检查⑤、⑥脚是否有振荡波形,若无,检查定时电阻和电容;最后检查tl494本身是否损坏,可用替换法确认。
