第一部分:维修前准备与安全须知
-
断电与放电:
(图片来源网络,侵删)- 在进行任何操作前,务必将设备与市电断开。
- 对于使用大容量电容(尤其是电源滤波电容)的电路,必须用大功率电阻(如 1kΩ/5W)对电容进行放电,防止触电或损坏万用表。
-
工具准备:
- 万用表:必备,用于测量电压、电阻、通断。
- 示波器:强烈推荐,可以直观地观察输入、输出信号波形,判断放大器是否工作正常。
- 信号发生器:用于在输入端注入测试信号。
- 音频线:用于连接音源和功放进行试听。
- 电烙铁、吸锡器、焊锡:用于拆卸和更换元件。
- 放大器假负载:一个8Ω/50W的大功率电阻,用于在无喇叭的情况下测试功放是否正常工作(保护喇叭)。
-
图纸:
尽可能找到你维修设备的电路原理图,如果找不到,可以参考标准的 TDA2030 典型应用图进行分析。
第二部分:故障现象分析与初步排查
根据不同的故障现象,我们可以将问题大致归类,并开始针对性排查。

现象1:完全无声
这是最常见也最基础的故障,通常问题出在电源部分、功放芯片本身或其静态工作点不正常。
排查步骤:
-
检查电源:
- 保险丝:检查电源输入回路的保险丝是否熔断,如果熔断,说明存在短路故障,绝对不能直接更换更大电流的保险丝,必须先找到短路点。
- 电源电压:用万用表测量 TDA2030 的 V+ 和 V- 引脚(引脚5和引脚3)的电压,电压是否正常且对称?在 ±15V 供电的电路中,V+ 应该是 +15V,V- 应该是 -15V,如果电压为零、过低或不对称,问题出在电源整流滤波电路,而不是功放部分。
-
检查功放芯片静态电流:
(图片来源网络,侵删)- 静态电流是判断功放芯片是否损坏的关键指标,在未通电时,将万用表打到 电流档(mA档),串联在 TDA2030 的 V+ 引脚(引脚5)和电源正极之间。
- 正常值:TDA2030 的静态电流通常在 20mA ~ 50mA 之间。
- 故障判断:
- 电流为 0:可能是芯片未工作(如供电问题)或芯片内部开路。
- 电流远大于正常值(如 > 100mA):这是最危险的信号! 表明芯片内部或其外围电路存在严重短路,应立即断电,否则芯片会迅速烧毁,常见原因:芯片击穿、自举电容(C3)短路、输出耦合电容(C5)严重漏电或短路。
- 电流不稳定:可能芯片性能不良,或外围元件有软击穿现象。
-
检查芯片是否发烫:
- 在通电后(即使无声),用手快速触摸 TDA2030 的散热片(注意烫伤!),如果异常发烫,几乎可以肯定是芯片已经击穿损坏或存在严重短路,应立即断电。
现象2:声音小、失真
这类问题通常与信号通路、负反馈网络或供电不足有关。
排查步骤:
-
检查输入信号:
- 用示波器或万用表(交流档)测量 TDA2030 的 输入端(引脚1),看是否有正常的音频信号输入,如果输入端没信号,检查前级电路和输入耦合电容(C1)是否正常。
-
检查负反馈网络:
- 负反馈网络(电阻 R5 和电容 C2)对放大器的增益、失真度和稳定性至关重要。
- R5:一个开路的电阻会导致增益急剧下降,声音变得非常小。
- C2:一个失效(开路)的电容会导致交流负反馈加深,增益降低,声音小;如果漏电,可能会引起失真或工作点偏移。
-
检查自举电路:
自举电容(C3)的作用是提升正半周的输出功率,C3 失效(开路或容量严重下降),会导致正半周信号被削顶,产生严重失真,听起来声音发“虚”,动态不足。
-
检查电源电压:
- 在播放大动态音乐时,用万用表监测电源电压,如果电压大幅下降,说明电源滤波电容(C6, C7)容量不足或整流桥内阻过大,导致功放“吃”不饱电,从而失真。
现象3:有“嗡嗡”的交流声
交流声通常由电源滤波不良或接地问题引起。
排查步骤:
-
检查电源滤波电容:
这是交流声最常见的原因,用万用表电容档或替换法检查电源滤波电容(C6, C7)的容量是否足够,如果电容失效,会导致直流中含有大量的纹波,被放大后就是交流声。
-
检查接地:
- “地环路”是产生交流声的另一个元凶,检查电路的接地是否规范,特别是信号地(前级)和功率地(后级,靠近TDA2030)是否是“星形接地”或在一点汇合,接地线过长、过细或多个接地点混乱连接都容易引入干扰。
-
检查输入屏蔽:
检查输入音频线是否为屏蔽线,屏蔽层是否正确接地(通常在音源端接地,功放端悬空或通过一个小电容接地)。
现象4:自激振荡(高频啸叫或“嘶嘶”声)
自激是放大器内部的正反馈引起的,通常发生在高频段,人耳可能听到“嘶嘶”声,或在示波器上看到高频波形叠加在音频信号上。
排查步骤:
-
检查消振电容:
- TDA2030 的 相位补偿电容(C4) 是防止自激的关键,如果这个电容开路或失效,极易引起高频自激,这是首要检查对象。
-
检查布线与布局:
输入级和输出级的走线是否靠得太近?是否存在交叉?杂散的元器件引脚过长,都可能成为天线,引入干扰。
-
检查电源退耦电容:
在 TDA2030 的电源引脚附近,通常会并联一个小的瓷片电容(如 0.1μF),用于滤除高频噪声,如果这个电容缺失或失效,也可能引起自激。
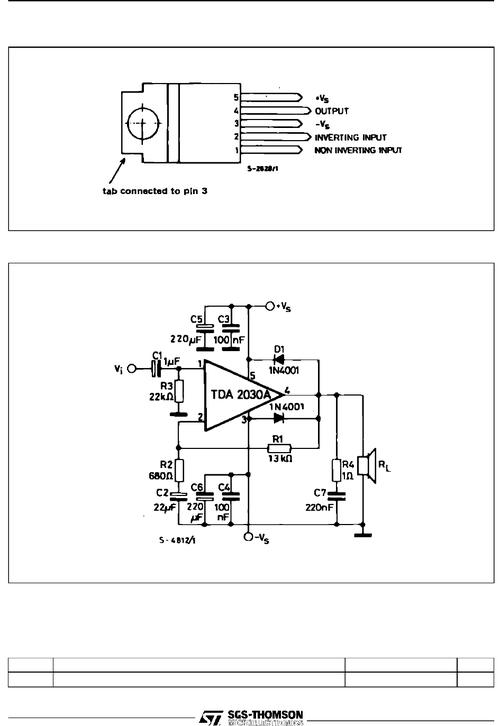
第三部分:TDA2030 典型应用电路与常见故障点
下面是一个标准的 TDA2030 同相放大电路,我们来标注常见故障点:
- C1 (输入耦合电容):开路导致无声;漏电或失效可能导致失真或交流声。
- R2, R3 (分压偏置):为输入端提供直流偏置,任何一个开路都可能导致输出直流偏置严重异常,烧毁喇叭或芯片。
- R4 (反馈电阻):决定放大器增益,开路导致增益剧降,声音小。
- C2 (交流负反馈电容):开路导致增益下降;漏电或短路可能导致工作点异常。
- R5 (直流负反馈电阻):稳定直流工作点,开路可能导致输出端直流电压严重偏移。
- C3 (自举电容):开路导致正半周削顶失真。
- C4 (相位补偿/消振电容):开路导致高频自激振荡。
- C5 (输出耦合电容):开路导致只有一半周期(负半周)的信号;短路则直接将输出端短路到地,可能烧毁芯片;漏电可能导致喇叭有“噗噗”声或音质变差。
- C6, C7 (电源滤波电容):失效导致交流声和动态不足。
- C8, C9 (高频退耦电容):失效可能导致高频自激。
- TDA2030 芯片本身:最常见的故障点,因过流、过压、过热而击穿短路。
第四部分:维修流程总结
- 安全第一:断电、放电。
- 观察:看保险丝是否熔断,元件有无明显烧黑、爆裂。
- 测电源:测量 V+ 和 V- 电压是否正常。
- 测静态:测量静态电流,判断芯片基本状态。
- 分段排查:
- 无声:重点查电源、静态电流、芯片是否发烫。
- 失真/小声:重点查输入信号、负反馈、自举电容、电源电压。
- 交流声:重点查电源滤波电容、接地。
- 自激:重点查消振电容、布局布线。
- 替换法:对于怀疑损坏的电容、电阻等小元件,采用替换法是最快、最有效的判断方法。
- 加载测试:在确认功放部分基本正常后,用假负载或小音量接入喇叭进行最终测试。
遵循以上步骤,你就能像医生一样,有条不紊地为 TDA2030 功放“看病”,并最终解决问题,祝你维修顺利!
