维修前的安全准备与初步检查
在开始任何操作之前,安全第一!

- 断电与放电:务必将电源从市电断开,并对大容量的滤波电容(通常是输入端和输出端的电解电容)进行放电操作,防止电击。
- 隔离测试:强烈建议使用隔离变压器,将待修设备与市电电网隔离开,确保维修人员的安全。
- 初步目视检查:
- 保险丝:检查输入保险丝是否熔断,如果熔断,说明后级电路可能存在严重短路,不要直接更换更大规格的保险丝,必须先找到短路原因。
- 外观:仔细观察电路板上的元器件,看有无明显的烧黑、炸裂、鼓包(特别是电解电容)、虚焊或元件引脚发绿(腐蚀)的现象。
- 气味:闻一下电路板有无焦糊味,这可以帮助定位过热的区域。
系统性维修思路与步骤
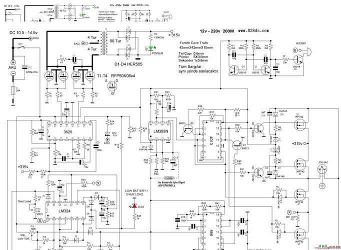
SG3525输出电压低,根源无非是三大块:供电不足、SG3525芯片本身或其外围电路故障、输出级(MOS管/变压器)故障,我们可以按照这个逻辑顺序进行排查。
第一步:检查输入级和辅助供电
这是最基础的一步,粮草”不足,后续一切免谈。
- 测量输入电压:用万用表测量整流滤波后的高压直流电压(对于220V输入,正常应在300V左右)是否正常,如果过低,问题在输入级,如整流桥损坏、限流电阻开路等。
- 检查SG3525的Vcc供电(第15脚):
- SG3525需要一个稳定的+15V到+35V的供电才能正常工作。
- 这个+Vcc通常由一个独立的辅助电源(如一个小型工频变压器+整流滤波电路)或从主变压器的一个辅助绕组经整流滤波后提供。
- 测量方法:上电(在确保安全的前提下),测量SG3525第15脚对地的电压,如果电压很低或为0,说明其辅助供电电路出了问题。
- 常见故障点:
- 辅助电源的整流二极管击穿短路。
- 滤波电容失效或容量减小(ESR增大)。
- 限流电阻开路。
- 给Vcc供电的绕组开路。
第二步:检查SG3525芯片及其关键外围电路
如果Vcc供电正常,但输出仍低,问题很可能出在SG3525本身或其控制电路上。
-
测量基准电压(第16脚):
(图片来源网络,侵删)- SG3525内部有一个精确的5V基准电压源,这是其所有功能的核心。
- 测量方法:测量第16脚对地的电压,如果电压不是稳定的5V,说明芯片已损坏。
- 常见故障点:第16脚对地短路,或芯片内部损坏。
-
检查电压反馈电路(第1脚):
- 这是实现稳压功能的关键,输出电压通过一个电阻分压网络采样,反馈到第1脚(反相输入端)。
- 工作原理:当输出电压升高时,第1脚的电压也升高,SG3525会内部比较,减小输出PWM占空比,使输出电压回落,反之亦然。
- 测量方法:
- 在输出端接上假负载(防止空载电压升高误导判断),测量输出电压。
- 测量第1脚对地的电压,正常情况下,这个电压应该是一个稳定的值(如果分压电阻设计为让第1脚在2.5V时对应额定输出电压,那么当输出偏低时,第1脚电压也应低于2.5V)。
- 如果第1脚电压异常高(接近或超过5V),说明反馈环路可能开路,导致芯片误以为输出电压过低而拼命拉大占空比,但由于其他故障,输出电压还是上不去。
- 常见故障点:
- 分压电阻变值或开路。
- 光耦(如果使用)损坏。
- 误差放大器(如TL431)损坏或其基准端、参考端连接错误。
-
检查振荡器(第6、7脚):
- 振荡器决定了PWM频率,如果频率过低,会导致变压器磁芯饱和或效率下降,也可能引起输出电压异常。
- 测量方法:用示波器测量第7脚(CT放电)和第5脚(CT充电)的波形,观察其频率和幅度是否与设计值相符,如果没有示波器,可以尝试更换定时电容CT和定时电阻RT,看问题是否解决(此为试探性操作)。
-
检查使能端(第10脚):
- 第10脚为高电平有效关闭端,正常工作时,此脚应为低电平。
- 测量方法:测量第10脚对地电压,如果为高电平(接近Vcc),说明芯片被强制关闭了,检查外部电路是否有误触发。
-
检查输出级(第11、14脚):
(图片来源网络,侵删)- 这是SG3525驱动信号的输出端,正常工作时,应有清晰的、互补的PWM波形。
- 测量方法:用示波器测量第11脚和第14脚对地的波形,应该能看到幅度接近Vcc(例如15V)的方波。
- 如果波形异常(如幅度很低、没有波形、波形畸变),说明SG3525芯片内部输出级驱动能力已损坏,或其Vcc供电不足导致驱动能力弱,此时需要更换SG3525芯片。
第三步:检查功率输出级
如果SG3525的驱动信号正常(波形好、幅度够),但最终输出电压低,问题就出在功率转换部分。
-
检查MOSFET/三极管:
- 测量方法:断电后,用万用表的二极管档测量MOSFET的D-S极或三极管的C-E极之间有无短路或漏电现象。
- 常见故障点:MOSFET被击穿短路,这是最常见的故障之一,通常由过流、过压或驱动不足引起,如果击穿,需要检查驱动电路和吸收回路(RCD缓冲电路)是否正常。
-
检查主变压器:
- 测量方法:
- 用万用表电阻档测量初级、次级各个绕组的直流电阻,看有无开路或匝间短路(匝间短路用万用表很难测出,通常会引起初级电流异常增大)。
- 检查变压器有无发黑、烧焦的痕迹。
- 常见故障点:变压器初级绕组局部短路,导致电感量下降,磁芯饱和,电流剧增但能量传递效率低下,输出电压自然很低。
- 测量方法:
-
检查输出整流滤波电路:
- 整流二极管/快恢复二极管:测量其是否击穿短路或开路,如果击穿,会导致输出端电压被拉低。
- 输出滤波电容:这是另一个高频故障点,电容失效后,其等效串联电阻会增大,导致带载能力严重下降,空载时电压可能正常,一加负载电压就暴跌,可以用电容表测量其容量,或在路测量其ESR(需要专业工具),也可以尝试更换同规格电容来验证。
常见故障点一览
| 模块 | 常见故障点 | 可能现象 |
|---|---|---|
| 输入级 | 输入保险丝熔断 | 完全无输出 |
| 整流桥损坏 | 输入直流电压低或为0 | |
| SG3525供电 | Vcc滤波电容失效/鼓包 | Vcc电压不稳定或偏低 |
| Vcc供电电阻开路 | Vcc电压为0 | |
| 辅助电源绕组开路 | Vcc电压为0 | |
| SG3525芯片 | 基准电压源损坏(16脚) | 16脚电压不是5V,芯片不工作 |
| 内部输出驱动损坏 | 11/14脚无波形或波形异常 | |
| 使能端被拉高(10脚) | 芯片被关闭,无输出 | |
| 反馈电路 | 电压反馈分压电阻变值/开路 | 输出电压不可控,严重偏离 |
