创维5800电源板维修是一项需要细致操作和专业知识的技术工作,该电源板广泛应用于创维部分液晶电视型号,其核心功能是为电视主板、背光驱动板等提供稳定的直流电压,维修过程中需遵循系统化的排查流程,结合电路原理和实测数据定位故障,避免盲目操作导致二次损坏。

电源板基本结构与工作原理
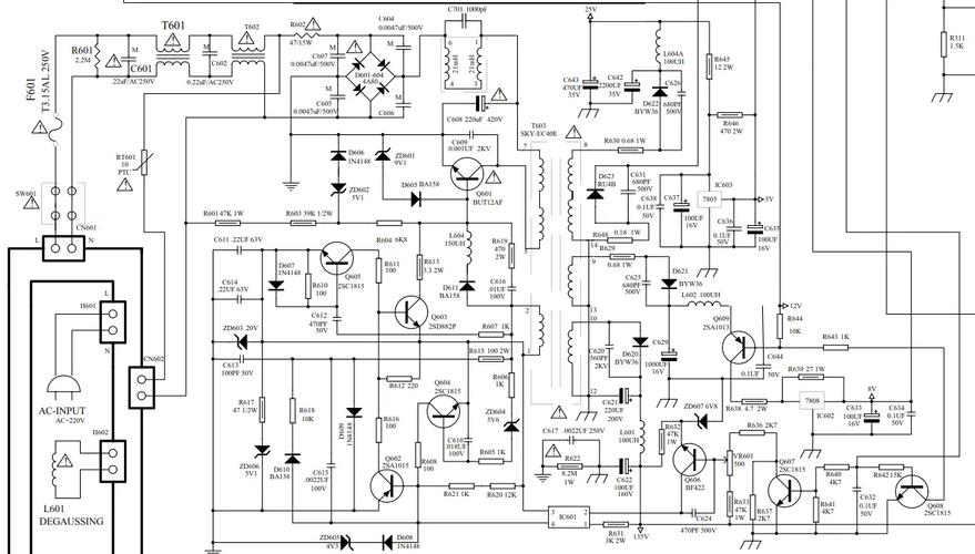
创维5800电源板主要由主电源、待机电源、保护电路及接口组成,主电源负责将220V交流电压转换为12V、24V、5V等直流电压,待机电源则提供整机待机时的5V电压,工作流程为:交流输入→EMI滤波→整流滤波→PFC升压→PWM开关→整流输出→稳压保护,其中PFC电路用于提升功率因数,减少电网干扰;PWM控制器通过调节开关管占空比稳定输出电压。
常见故障现象与排查步骤
完全无输出,指示灯不亮
- 可能原因:交流输入异常、保险丝熔断、待机电源故障。
- 排查步骤:
- 断电测量:用万用表电阻档检测交流输入端插件L、N脚是否有短路,整流桥正反向电阻是否正常(正常时正向电阻数十千欧,反向无穷大)。
- 保险丝检查:若保险丝熔断,需进一步检查PFC开关管(如2SK3562)、整流桥、尖峰吸收电路是否击穿,常见故障点为PFC开关管D-S极短路,需同时更换其栅极电阻(如10Ω/5W)。
- 待机电源检测:待机电路通常采用反激式拓扑,重点检查待机IC(如TEA1733T)、变压器初级开关管(如2SC2655)及反馈电路(如光耦PC817),若输出电压为0V,需测量待机IC供电脚(如VCC)是否有启动电压(通常为10-20V)。
输出电压偏低或波动
- 可能原因:稳压电路异常、负载短路、滤波电容失效。
- 排查步骤:
- 脱载测试:断开电源板与负载的连接,接假负载(如汽车灯泡)测量空载电压,若电压恢复正常,说明负载侧存在短路(如主板、背光板故障)。
- 稳压电路检查:主电源稳压依赖TL431光耦反馈回路,测量TL431参考端(Ref)电压(正常为2.5V),若异常,检查分压电阻(如10kΩ/47kΩ)是否变值,光耦PC817若c-e漏电会导致电压下降。
- 电容检测:用电容表测量PFC输出滤波电容(如450V/100μF)及主电源输出电容(如25V/2200μF)容量是否衰减,鼓包或漏液需直接更换。
保护电路频繁动作
- 可能原因:过压、过流、过热保护触发。
- 排查步骤:
- 过压保护:测量PFC输出电压是否高于400V(正常为380V±10V),若过高,检查PFC控制IC(如NCP1653)反馈电阻是否开路。
- 过流保护:检测主电源开关管源极电流检测电阻(如0.22Ω/1W)是否阻值增大,或PWM控制器(如UC3843)电流检测脚电压是否超过1V。
- 温度保护:检查热敏电阻(如NTC)是否性能异常,散热器是否积尘导致散热不良。
关键元件代换与维修技巧
- 开关管代换:原型号多为MOSFET,如2SK3562、STP15N60,代换时需注意耐压(Vds≥600V)、电流(Id≥8A)及封装(TO-252)。
- PWM控制器:如UC3843损坏,需同时检查其供电端(7脚)的启动电阻(如100kΩ)及工作电容(如47μF/16V)。
- 贴片电容:PFC电路中的高压电容(如500V)建议选用品牌产品,避免耐压不足导致炸裂。
- 焊接技巧:焊接贴片元件时,需使用恒温烙铁(300℃左右),避免长时间加热导致铜箔脱落,大电流焊点(如开关管D极)需增加助焊剂,确保焊接牢固。
维修数据参考表
| 测试点 | 正常电压 | 故障现象 | 可能原因 |
|---|---|---|---|
| PFC输出端 | 380V±10V | 0V或300V以下 | 整流桥击穿、PFC开关管开路 |
| 主电源12V输出 | 12V±0.2V | 电压波动或为0V | 稳压电阻变值、滤波电容失效 |
| 待机5V输出 | 5V±0.1V | 0V | 待机IC损坏、变压器开路 |
| PWM控制器VCC脚 | 12-20V | 电压不稳或无电压 | 启动电阻变值、电容漏电 |
维修注意事项
- 安全防护:维修前必须对PFC滤波电容放电,避免残余高压触电,建议使用隔离变压器供电。
- 故障复现:对于间歇性故障,可进行冷热机交替测试,观察故障是否与温度相关。
- 负载分级:维修时优先断开背光板等大功率负载,逐步排查以缩小故障范围。
相关问答FAQs
Q1:电源板输出电压正常,但电视无法开机,可能是什么问题?
A:若电源板各路输出电压正常,但整机无反应,需检查电源板与主板的连接线是否松动,主板上的开机控制信号(如PS-ON)是否为低电平(正常开机时为0.3V左右),若信号异常,需检查主板上的电源管理芯片(如TPS65263)或开机按键电路。
Q2:维修后电源板出现“滋滋”异响,如何处理?
A:异响通常由变压器或电感饱和引起,首先检查负载是否过流(如输出端对地短路),其次测量PWM控制器的输出驱动波形(正常为方波,频率约50kHz),若波形畸变,需检查反馈电路或更换PWM控制器,滤波电容容量不足也会导致电流声,建议更换同规格优质电容。

