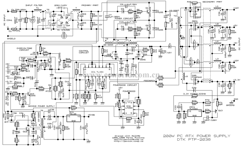
ATX电源是计算机硬件系统的核心供电组件,其原理基于开关电源技术,通过将交流电转换为稳定的直流电为主板、CPU、硬盘等设备提供能量,其工作流程主要包含EMI滤波电路、整流滤波、PWM变换、稳压保护及PG信号输出等模块,交流电输入后,首先经过EMI滤波电路(由电容、电感组成),抑制电网中的高频干扰,同时防止电源自身产生的干扰回馈电网,随后,整流桥将交流电转换为脉动直流电,再由大容量电解电容滤波,形成平滑的高压直流电(约+310V),PWM控制器驱动开关管(如MOSFET)以高频(通常50kHz以上)通断,将高压直流电斩波为高频脉冲,再通过高频变压器降压,次级线圈输出多组低压交流电,各组输出经整流滤波(肖特基二极管、电容)后,分别生成+3.3V、+5V、+12V、+5VSB等直流电压,5VSB(待机电压)在关机状态下仍保持输出,用于支持主板通电功能,电压反馈电路通过采样输出电压,调整PWM占空比,实现稳压输出;过压、过流、过功率、短路等保护电路实时监测参数异常,触发保护机制切断输出。

维修ATX电源时,需遵循“断电、放电、分段检测”的原则,重点排查常见故障点,检查保险管是否熔断,若发黑或烧断,需进一步确认开关管、整流桥等元件是否击穿,测量+310V直流电压是否正常,若无输出,可能为EMI滤波电路或整流桥故障,若+310V正常但各组输出电压异常,需检查PWM控制器(如TL494、UC3842)及其外围电路,以及高频变压器的次级整流滤波电路(如+12V输出端的肖特基二极管和电容),对于无输出且保护电路动作的情况,需逐一排查过流保护元件(如电流检测电阻)及过压反馈电路。+5VSB电压异常会导致无法开机,需检查待机电路(如TL431、光耦)及相关元件,维修时需注意,部分故障可能由元件老化(如电解电容鼓包、失效)或虚焊导致,需仔细观察并替换可疑元件。
| 检测部位 | 常见故障现象 | 可能原因及排查方法 |
|---|---|---|
| 保险管 | 熔断、发黑 | 开关管击穿、整流桥短路、PFC电路故障,需用万用表二极管档检测相关元件是否导通。 |
| +310V电压 | 无输出或偏低 | EMI滤波电感开路、整流桥损坏、电源线接触不良,重点测量整流桥输入输出端电压。 |
| +5VSB电压 | 无输出或波动 | 待机电路IC(如TL431)失效、光耦损坏、滤波电容失效,检查+5VSB整流电路及反馈回路。 |
| +12V输出 | 电压偏低或无输出 | 次级整流二极管短路、滤波电容鼓包、负载短路,断开负载后测量空载电压判断故障源。 |
| PWM控制器 | 无驱动信号输出 | IC损坏、供电异常、外围振荡元件(如电阻、电容)参数偏移,用示波器检测输出波形。 |
FAQs
Q1:ATX电源开机后无任何反应,如何排查?
A:首先检查电源线及插座是否正常,然后测量+5VSB待机电压(正常为5V±5%),若+5VSB无输出,需检查待机电路的保险管、TL431及光耦;若+5VSB正常但无法开机,可能是主板PS_ON信号(绿线)未触发,需检查主板相关电路或电源的PG信号(灰线)是否正常。
Q2:电源输出电压偏高或偏低,如何解决?
A:输出电压异常通常与稳压反馈电路有关,可测量PWM控制器(如TL494)的反馈端电压,若偏差较大,检查分压电阻、TL431及光耦是否损坏,滤波电容老化也会导致电压波动,需重点检查输出端的电解电容是否鼓包或失效。

