下面我将从常见故障现象 -> 故障原因分析 -> 核心维修思路与步骤 -> 关键电路与元器件检测 -> 维修实例与技巧这几个方面,为您进行详细的讲解。

(图片来源网络,侵删)
常见故障现象
当ATX电源出现问题时,通常会表现为以下几种现象:
-
完全无反应(最常见)
- 现象:按下电源开关后,电脑风扇不转,电源指示灯不亮,主板没有任何反应,就像没通电一样。
- 可能原因:市电输入问题、保险丝熔断、主开关电路(PWM)未启动、保护电路动作。
-
开机后立即关机或反复重启
- 现象:按下电源开关,风扇和CPU风扇转一下,然后立刻停止,或者反复循环启动。
- 可能原因:电源的PG(Power Good)信号未产生或异常、+5VSB(待机电压)不稳、负载短路、保护电路误动作。
-
部分电压输出异常
(图片来源网络,侵删)- 现象:电源风扇转动,主板部分指示灯亮,但CPU不工作、显卡无显示、硬盘不转等。
- 可能原因:对应电压的整流滤波电路(如+12V、+5V、+3.3V)故障、稳压电路失效、负载有轻微短路。
-
输出电压过高或过低
- 现象:电脑工作不稳定,频繁蓝屏、死机、重启,或者硬件检测到电压异常,无法开机。
- 可能原因:稳压反馈电路(如TL431、光耦)故障、基准电压源异常、采样电阻变值。
-
电源发出异响
- 现象:电源发出“滋滋”、“吱吱”等高频啸叫声,或“啪啪”的打火声。
- 可能原因:电容(特别是主滤波电容)爆浆或失效、风扇轴承问题、变压器或电感磁芯松动。
核心维修思路与步骤
维修ATX电源,安全第一!务必在断电并确保滤波电容(尤其是+310V大电容)完全放电后再进行操作。
维修流程遵循“由外到内、由简到繁、先静后动、先主后次”的原则。

(图片来源网络,侵删)
第一步:初步检查与安全准备
- 外观检查:观察电源外壳有无破损、烧焦的痕迹,打开外壳后,仔细检查电路板。
- “看”:
- 保险丝:位于AC输入端,通常是玻璃管或方形,如果发黑、熔断,说明后级电路存在严重短路。
- 电容:检查主滤波电容(最粗的圆柱体)有无鼓包、漏液、顶部防爆口凸起,这是最常见的故障点之一。
- 电阻:检查功率电阻(水泥电阻、色环电阻)有无烧焦、变色。
- IC:检查PWM主控芯片(如UC384X系列)、稳压IC(如TL431)有无烧裂、发黑。
- 闻:闻一下有无烧焦的异味。
- 测(断电):
- 用万用表二极管档测量保险丝是否通断,若断路,需先排除后级短路。
- 测量AC输入端的两个整流桥二极管,有无短路。
- 测量PFC(功率因数校正)开关管和主变压器次级整流二极管(肖特基二极管)有无短路。这是判断后级是否短路的关键。
第二步:通电初步判断
如果初步检查未发现明显短路点,可以谨慎通电测试。
- 连接假负载:强烈建议! 为了防止空载或轻载导致电压过高烧毁主板,需要连接假负载。
- 方法:用一个汽车灯泡(如12V/21W)接在+12V输出端,或者,将主板连接上,但先不插CPU和内存。
- 测量待机电压:
- 用万用表测量紫色线(+5VSB)的电压,正常应为+5V。
- 若无+5VSB:问题通常在市电输入、AC-DC转换、或+5VSB形成电路。
- 若有+5VSB:说明电源的待机电路基本正常,问题可能在主开关电路或PG信号电路。
第三步:核心电路排查
-
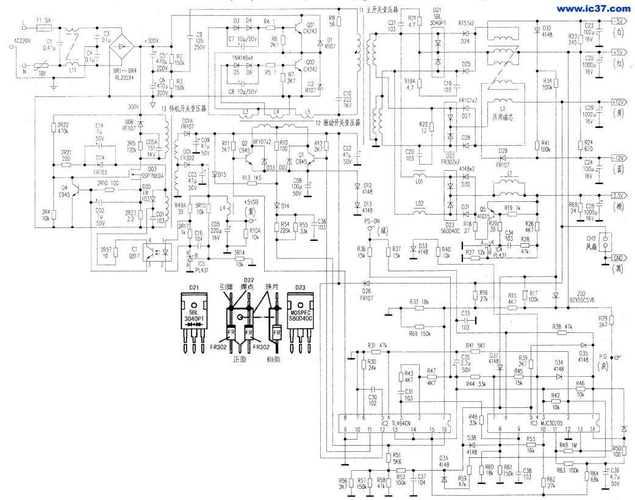
市电输入与抗干扰电路:检查保险丝、压敏电阻、X/Y电容,保险丝熔断,重点查整流桥和PFC开关管是否击穿。
-
PFC(功率因数校正)电路:
- 作用:提升功率因数,将脉动的直流电变为稳定的+380V高压。
- 关键元件:PFC电感、PFC开关管(MOSFET)、PFC控制IC、升压二极管。
- 检测:PFC开关管是易损件,极易因过流或过压击穿,测量其D-S极是否短路。
-
主开关电路(PWM):
- 作用:将+380V高压斩波,通过变压器降压,再整流输出各组低压。
- 关键元件:主开关管(MOSFET)、主变压器、PWM控制IC(如UC3842/3843)。
- 检测:主开关管也是高发故障点,测量其D-S极是否短路,PWM IC的供电(VCC脚)、反馈脚(FB)是否正常。
-
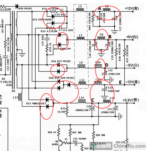
整流滤波与稳压电路:
- 作用:将变压器次级的交流电整流成直流,并稳压。
- 关键元件:
- +12V:肖特基二极管、滤波电容。
- +5V/+3.3V:整流电路、滤波电容、三端稳压器(如1117)。
- 稳压反馈:光耦(PC817等) 和 精密稳压源(TL431),这是导致电压不稳的“罪魁祸首”。
- 检测:用万用表测量各组输出电压是否正常,若电压偏高,重点检查TL431和光耦组成的反馈环路。
-
PG信号电路:
- 作用:在电源稳定输出后,给主板一个“电源已准备好”的信号。
- 检测:PG信号由一个简单的RC延时电路或比较器产生,测量灰色线在开机后300ms-500ms内是否有稳定的+5V高电平输出。
关键电路与元器件检测要点
| 电路/元器件 | 功能 | 常见故障 | 检测方法 |
|---|---|---|---|
| 保险丝 | 过流保护 | 熔断 | 电阻档测量通断,断则说明后级严重短路。 |
| 整流桥 | 交流转脉动直流 | 击穿短路 | 二极管档测正反向电阻,正常应有单向导通特性。 |
| 主滤波电容 | 滤波,储能 | 鼓包、漏液、失效 | 外观观察,测量容量(电容表)和ESR(ESR表)。 |
| PFC开关管 | PDC升压 | 击穿短路 | 二极管档测D-S极,应不通。 |
| 主开关管 | DC-DC斩波 | 击穿短路 | 同上,D-S极应不通。 |
| 肖特基二极管 | 次级整流 | 击穿短路 | 二极管档测正反向电阻,应有单向导通。 |
| PWM IC (如UC3842) | 产生PWM脉冲 | 不起振、损坏 | 测量VCC脚电压(gt;16V启动,>10V维持)、输出脚(OUT)有无脉冲信号。 |
| TL431 | 精密基准电压 | 损坏、性能变差 | 测量其R脚(参考端)和K脚(阴极)电压,正常R脚应为2.5V。 |
| 光耦 (PC817) | 信号反馈 | 损坏、不导通 | 测量初级侧(1-2脚)和次级侧(3-4脚)的正向电阻,次级侧在通电状态下应有导通压降。 |
| +5VSB电路 | 提供 |
