由于我无法直接为您播放视频,我将为您提供一个详细的维修指南、关键知识点和学习路径,您可以根据这些关键词和思路,在各大视频平台(如YouTube、Bilibili、抖音等)上搜索到最相关、最优质的视频教程。

第一部分:核心维修思路与步骤(视频通常会涵盖这些)
维修TL494电路,通常遵循“由外到内、由简到繁、先静后动”的原则。
安全第一,做好准备工作
- 断电与放电:务必切断电源,并对大容量电容(如输入端的PFC电容、输出端的母线电容)进行放电,防止电击。
- 工具准备:
- 万用表(必备,用于测电压、电阻、通断)。
- 示波器(强烈推荐,用于观察PWM波形、反馈信号,是维修开关电源的“眼睛”)。
- 焊台、焊锡、吸锡器、镊子等。
- (可选)可调直流电源、电子负载。
外观检查(目测法)
视频的第一个镜头往往是这个,仔细检查电路板:
- 烧毁痕迹:有没有发黑、烧焦的元件、PCB板或焊点?这是最直接的故障线索。
- 鼓包/漏液:电解电容是否有鼓包、顶部开裂或电解液漏出的情况?这是最常见的故障点之一。
- 虚焊/冷焊:功率器件(如MOS管、IGBT)、TL494芯片、变压器引脚等是否有焊点开裂或光泽不正常的情况?
- 异物:是否有异物掉入,导致短路?
静态测量(断电测量)
在确保断电和电容放电后,用万用表进行测量:
- 测电阻:
- 输入端:测量输入端对地(热地/冷地)的电阻,如果阻值很小或接近0Ω,说明输入端有短路,通常是整流桥、PFC电路或前级滤波电容损坏。
- 输出端:测量输出端对地的电阻,如果阻值异常小,说明输出端有短路,通常是输出整流二极管/电容或负载问题。
- 关键元件:
- TL494本身:测量其电源引脚(如Vcc,Pin12)对地和其他引脚的电阻,与正常值对比,判断芯片是否击穿。
- MOS管/IGBT:测量三个极之间的电阻,判断是否被击穿(D-S极或C-E极短路)。
- 输出整流二极管:测量其正向和反向电阻,判断是否开路或短路。
上电初测(通电测量,需非常小心!)
这是最关键也最危险的步骤,建议使用隔离变压器进行上电,防止触电。

- 测关键电压:
- TL494供电电压:测量Pin12(Vcc)的电压,正常工作电压通常在+15V到+35V之间,如果无电压,检查启动电路(如启动电阻、稳压二极管)。
- 输出电压:测量主输出电压,如果电压严重偏低、偏高或为0,说明控制环路或功率输出级有问题。
- 参考电压:测量TL494内部的基准电压Pin14,应为稳定的+5V,如果此电压异常,整个芯片工作都会不正常。
动态分析与波形测量(使用示波器)
这是区分“软故障”和精确定位问题的核心。
-
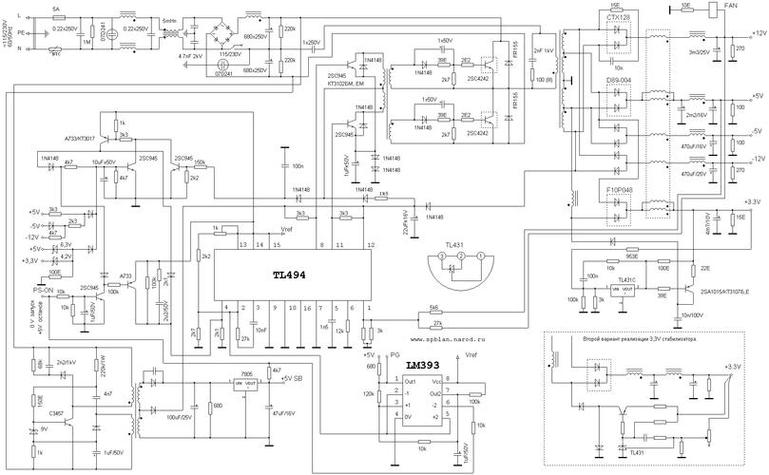
TL494关键引脚波形:
- Pin8 (Output 1) 和 Pin11 (Output 2):这是两路PWM输出波形,正常情况下,你应该能看到周期性的方波或脉冲波,如果波形异常(如无输出、占空比失控、频率不对),问题很可能在TL494本身或其外围电路。
- Pin3 (Feedback / Error Amp Input):这是误差放大器的反相输入端,连接着输出电压的采样信号,观察此点的波形,可以判断电压反馈环路是否正常工作。
- Pin4 (Dead Time Control):此脚的电平决定了输出死区时间,通常通过一个RC电路接地,或由外部控制,如果此脚电压异常,可能导致输出占空比失控。
- Pin5 (CT) 和 Pin6 (RT):这两个引脚外接的电阻和电容决定了TL494的振荡频率,如果频率不对,通常是这两个元件损坏或参数漂移。
-
驱动波形:
测量MOS管/IGBT的栅极波形,正常情况下,应该是一个干净、陡峭的方波,有足够的驱动电压(如12V)和足够的负压(-5V到-10V,防止误导通),如果波形畸变、幅度不足,说明驱动电路有问题(如驱动IC、三极管、电阻电容损坏)。
(图片来源网络,侵删)
第二部分:TL494的核心知识点(视频会反复强调这些)
在看视频前,理解这些概念会让你事半功倍。
-
TL494是什么?
- 它是一款固定频率的脉宽调制(PWM)控制器,简单说,它就是一个“大脑”,负责产生控制开关管通断的脉冲信号,并根据负载变化自动调整脉冲的宽度(占空比),从而稳定输出电压。
-
TL494的内部结构:
- 两个误差放大器:一个用于电压反馈,一个用于电流反馈(过流保护)。
- 一个死区时间控制比较器:用于设定输出脉冲之间的最小间隔,防止上下桥臂直通短路。
- 一个振荡器:由外接的RT和CT电阻电容决定工作频率。
- 一个D触发器:将振荡器产生的时钟信号分频,驱动两个输出三极管。
- 两个输出三极管:可以并联使用(单端模式),也可以交替使用(推挽模式)。
-
两种主要工作模式:
- 推挽模式:Pin8和Pin11交替输出,驱动半桥或全桥电路,这是最常见的应用。
- 单端模式:Pin8和Pin11并联,驱动一个开关管(如Flyback反激电路)。
-
核心反馈环路:
- 电压反馈:输出电压通过电阻分压,送到误差放大器的反相输入端(Pin3),与同相输入端(Pin2,通常是内部5V基准)进行比较,误差放大器输出一个控制电压,改变死区时间控制端的电平,从而调整PWM占空比,实现稳压。
- 电流反馈:通常在开关管的源极/发射极串联一个小采样电阻,将电流信号送到另一个误差放大器(Pin1),用于过流保护。
第三部分:在视频平台搜索关键词
您可以使用以下关键词组合进行搜索,找到最相关的视频:
中文关键词(Bilibili、抖音等)
TL494维修开关电源维修 TL494逆变器维修 TL494驱动电路TL494电路图分析示波器测TL494波形TL494各脚电压正常值TL494不工作 故障维修
英文关键词(YouTube等)
TL494 repair tutorialSwitching power supply repair TL494TL494 inverter circuit troubleshootingHow to test TL494 with oscilloscopeTL494 PWM controller deadTL494 no output voltage
第四部分:常见故障点总结(视频案例会反复出现)
- TL494芯片本身损坏:最常见,可能因外围电路故障(如过压、过流)而烧毁。
- 启动电阻/电路故障:导致TL494无供电,无法启动。
- 基准电压源故障:Pin14电压不是5V,导致整个控制逻辑紊乱。
- 输出驱动电路故障:如驱动三极管、电阻、电容损坏,导致MOS管/IGBT无法正常开关。
- 反馈环路故障:电压采样电阻开路、光耦损坏,导致输出电压失控(要么很高,要么很低)。
- 振荡电路故障:RT或CT元件损坏,导致频率异常或不振荡。
- 功率输出级故障:MOS管/IGBT、整流桥、变压器损坏,导致无输出或短路。
希望这份详细的指南能帮助您高效地找到并理解TL494
