48V充电器是电动自行车、电动滑板车等交通工具的核心供电设备,其原理与维修涉及电力电子、电路控制等多方面知识,以下从工作原理、常见故障及维修方法进行详细阐述。

48V充电器工作原理
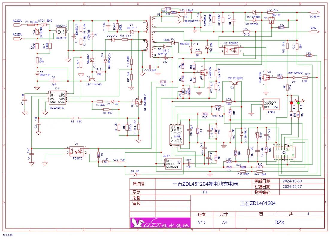
48V充电器本质是一种开关电源,通过AC-DC转换和PWM控制实现恒流恒压充电,其核心电路包括输入整流滤波、PWM变换、输出整流滤波、电压电流反馈控制等模块。
-
输入整流滤波电路:220V交流电经桥式整流(如GBU系列整流桥)转换为脉动直流,再通过电解电容(如400V/100μF)滤波,得到约310V直流电压,此部分需关注电容是否鼓包、整流桥有无击穿,若电容失效会导致输出电压纹波过大。
-
PWM变换电路:310V直流电压通过高频变压器(如EE25磁芯)降压,MOSFET(如IRF840)作为开关管,在PWM控制器(如UC3842)驱动下以50-100kHz频率导通/关断,变压器初级绕组串联的限流电阻(如0.22Ω/5W)用于过流保护,若电阻变值会导致开关管工作异常。
-
输出整流滤波电路:变压器次级低压交流电通过肖特基二极管(如SB5100)整流,再经LC滤波(如470μF电解电容+10μH电感)输出平滑直流,输出电压通常为59.2V(标称48V电池),电流根据电池容量设定(如20Ah电池配1.5A充电器)。
(图片来源网络,侵删) -
反馈控制电路:通过电压反馈(如TL431精密基准)和电流采样电阻(如0.1Ω)实现恒流-恒压自动切换,充电初期以恒流模式工作(如1.5A),电池电压上升至阈值后切换至恒压模式(59.2V),电流逐渐减小至0.1A时进入浮充状态。
常见故障及维修方法
维修前需断电测量关键点电压,避免元件损坏扩大化,以下为典型故障排查流程:
| 故障现象 | 可能原因 | 检测步骤与维修方法 |
|---|---|---|
| 无输出电压,指示灯不亮 | 输入电路开路 PWM控制器损坏 变压器初级开路 |
测量输入AC220V是否正常,检查保险丝(通常为5A/250V)是否熔断,更换同规格保险丝; 测量UC3842供电脚(7脚)电压,若无则检查启动电阻(如100kΩ),若供电正常但8脚无PWM输出,更换UC3842; 用万用表电阻档检测变压器初级绕组阻值(正常约10-20Ω),若开路需重绕或更换变压器。 |
| 输出电压偏低(<50V) | 输出滤波电容失效 反馈电路故障 负载过重 |
测量输出端电容容量,若ESR增大(用电容表检测)或鼓包,更换同规格电容(如63V/470μF); 检查TL431基准电压(2.5V)是否正常,测量光耦(PC817)发光二极管侧电流,若反馈异常调整或更换TL431; 断开输出端接假负载(如50Ω/50W电阻),若电压恢复正常,检查电池是否短路。 |
| 充电电流不稳定 | 电流采样电阻变值 PWM驱动电路干扰 电池老化 |
测量采样电阻(如0.1Ω)阻值,若偏差超过5%更换1%精度金属膜电阻; 检查MOSFET栅极驱动波形(示波器观察),若波形畸变,检查驱动电阻(如10Ω)和续流二极管(如FR107); 检测电池电压,若电池组单节电压差超过0.3V,需更换电池。 |
维修注意事项
- 安全防护:输入端滤波电容存有高压,断电后需用电阻(如1kΩ/5W)放电,避免触电。
- 元件代换:更换MOSFET时需注意耐压(>500V)和电流(>10A),整流桥需选用同参数或更高规格器件。
- 散热处理:大功率充电器需检查散热硅脂是否干涸,MOSFET和整流二极管需加装散热器。
相关问答FAQs
Q1:充电器长时间充电不转绿灯怎么办?
A:首先测量输出电压是否高于59.2V(恒压值),若电压过高说明恒压控制失效,检查TL431和光耦反馈电路;若电压正常但电流不减小,可能是电池电压保护板故障(如BMS过充保护失效),需检测电池端电压,若以上均正常,可能是充电器恒流阶段未正常切换,需检查电流采样电阻和PWM控制器。
Q2:充电器外壳发烫严重是什么原因?
A:主要原因包括:①散热硅脂老化导致MOSFET或整流二极管散热不良,需重新涂抹硅脂;②输出滤波电容ESR增大,导致纹波电流增大,更换电容即可改善;③高频变压器匝间短路,初级电流增大,需测量变压器温升并更换;④电网电压过高(>240V),导致充电器功率损耗增加,建议加装稳压器。

