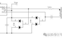
什么是DC直流驱动背光技术?DC直流驱动背光技术是一种通过施加一个恒定、稳定、方向不变的直流电压来点亮背光模组中光源的技术,这里的“光源”主要指两种:CCFL(冷阴极荧光灯):早期的LCD显示器广泛使用,LED(发光二极管):当今所有主流...