晟辉智能制造

  • USB接口原理与技术核心是什么?

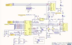
    USB接口原理与技术核心是什么?

    什么是USB?USB(UniversalSerialBus,通用串行总线)是一种标准化的协议,用于连接计算机系统和外部设备,它的核心目标是实现即插即用和热插拔,并统一连接各种外设,取代过去种类繁多、互不兼容的串口、并口、PS/2等接口,...

    2025-12-18
    1 0 0
  • 1 / 1
  • 1