从本期开始,我们将开启一个全新的系列:《RFID行业深度剖析》,我们将跳出纯粹的技术介绍,深入探讨RFID作为一个产业,其生态系统、商业模式、面临的挑战以及如何实现规模化落地,本期的主题是:《RFID产业生态圈:从芯片到云端的全景扫描》。

《RFID行业深度剖析》第一期:RFID产业生态圈:从芯片到云端的全景扫描
一个产业的成熟与否,关键在于其生态系统的完整性和复杂性,RFID产业已经不再是单一的技术供应商市场,而是一个由多个层级、多方参与者构成的复杂生态系统,理解这个生态圈,是把握行业脉搏、洞察商业机会的关键。
我们可以将RFID产业生态圈自下而上划分为以下几个核心层级:
第一层:核心元器件层
这是整个生态圈的基石,决定了RFID技术的性能、成本和可靠性。
-
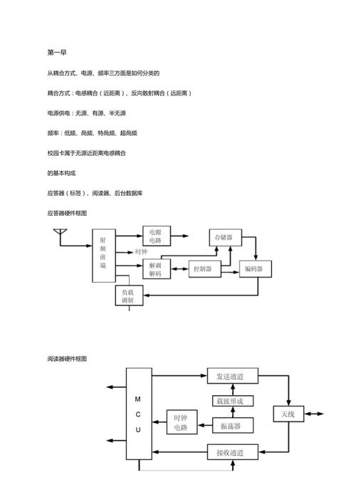
芯片:
(图片来源网络,侵删)- 角色: RFID的“大脑”,存储唯一的ID号、用户数据,并负责与读写器进行通信。
- 玩家:
- 国际巨头: 恩智浦、英频杰、意法半导体、德州仪器,它们在超高频和有源RFID领域拥有绝对的技术优势和市场份额。
- 国内新锐: 复旦微电子、国民技术、华大半导体等,它们在特定领域(如低频、超高频)不断突破,是国产替代的重要力量。
- 关键指标: 芯片类型(无源/有源/半有源)、灵敏度、读写距离、数据存储容量、加密算法、成本。
-
天线:
- 角色: RFID的“嘴巴和耳朵”,负责发射和接收射频信号,是连接芯片与物理世界的桥梁。
- 特点: 天线的设计与芯片、标签形态、应用环境(金属、液体)紧密相关,天线可以集成在标签上,也可以是读写器的一部分。
- 玩家: 专业的天线设计公司、大型标签制造商通常也具备天线设计能力。
-
标签基材与封装:
- 角色: 保护芯片和天线,使其能够适应各种恶劣环境(高温、潮湿、腐蚀、物理冲击)。
- 形态多样: 不干胶标签、卡片、钥匙扣、植入式标签、抗金属标签、耐高温标签等。
- 玩家: 大量的标签封装厂商,它们根据客户需求,将芯片和天线封装成最终形态的标签。
第二层:硬件制造层
这一层级将核心元器件组装成终端产品,是技术落地的物理载体。
-
读写器:
(图片来源网络,侵删)- 角色: RFID系统的“指挥官”,负责激活标签、采集数据,并与后端系统进行交互。
- 分类:
- 固定式读写器: 安装在固定位置,用于通道门、仓储入口等。
- 手持式读写器: 便携式,用于盘点、巡检、移动作业。
- 嵌入式读写器: 集成到其他设备中,如打印机、叉车、工业设备。
- 玩家: 讯宝科技、Impinj(其读写器芯片市场份额极高)、明华智能、东集技术等。
-
中间件:
- 角色: RFID系统的“翻译官”和“调度中心”,它连接读写器和后端应用系统(如ERP、WMS),对读写器采集的原始数据进行过滤、聚合、去重、格式化,然后推送给上层应用。
- 重要性: 中间件屏蔽了底层硬件的复杂性,实现了设备管理和数据处理的标准化,是RFID系统规模化部署的关键。
- 玩家: SAP、Oracle等大型ERP厂商内置了RFID中间件;还有专业的RFID中间件软件公司。
第三层:系统集成与服务层
这一层级是连接技术与商业应用的桥梁,提供完整的解决方案。
-
系统集成商:
- 角色: “总承包商”,它们根据客户的具体业务需求(如仓储管理、资产管理、生产追溯),整合不同厂商的硬件、软件、中间件,进行定制化的开发、部署、实施和维护。
- 特点: SI通常对特定行业有深入的理解,拥有项目管理和实施经验。
- 玩家: 大量的IT服务公司和专注于RFID领域的集成商,它们是RFID技术触达最终客户的主要渠道。
-
解决方案提供商:
- 角色: “行业专家”,它们不仅提供系统集成服务,更提供一套标准化的、针对特定场景的软硬件组合包,即“开箱即用”的解决方案。
- 例子: 提供智能零售试衣间解决方案、智慧医疗耗材管理方案、智能档案柜方案的公司。
- 玩家: 通常是行业内的深耕者,将RFID技术与自身业务知识深度绑定。
第四层:应用与运营层
这是生态圈的顶端,直接面向最终用户和消费者,创造商业价值。
-
各行业终端用户:
- 角色: RFID技术的最终“买单者”和价值实现者。
- 行业分布: 零售、物流、制造、医疗、政府、交通、安防、畜牧业等。
- 价值驱动: 用户采用RFID的核心驱动力是降本增效、提升透明度、改善客户体验、防范风险,零售商通过RFID实现库存的实时可视,减少缺货和积压;车企通过RFID实现零部件的精准追溯。
-
云平台与数据分析服务商:
- 角色: “数据价值挖掘者”,随着物联网的发展,RFID采集的海量数据需要被上传到云端进行存储、分析和可视化。
- 功能: 提供设备管理、数据存储、报表生成、趋势预测、AI分析等服务,帮助用户从数据中洞察业务机会。
- 玩家: 亚马逊AWS IoT、微软Azure IoT、阿里云IoT、腾讯云IoT等云服务商,以及专注于数据分析的初创公司。
生态圈的互动与商业模式
这个生态圈不是孤立的,而是相互依存、协同演进的。
-
商业模式:
- 硬件销售模式: 芯片、标签、读写器等硬件的直接销售,这是最基础的模式。
- 项目交付模式: SI通过项目制为客户提供定制化解决方案,收取项目费用。
- SaaS/云服务模式: 越来越多的解决方案提供商采用“硬件+云服务”的订阅模式,用户按需付费,降低了初始投入门槛。
- 增值服务模式: 基于RFID数据,提供数据分析、咨询、优化等高附加值服务。
-
互动关系:
- 上游依赖下游: 芯片厂商的技术突破(如更低功耗、更高灵敏度)会推动整个行业应用范围的扩大。
- 下游拉动上游: 终端用户对更低成本标签的需求,会促使芯片和封装厂商通过规模化生产和技术创新来降低价格。
- 横向合作: 硬件厂商与软件厂商、SI与云平台之间需要紧密合作,才能提供稳定可靠的端到端解决方案。
RFID产业生态圈是一个从微观元器件到宏观商业应用的完整价值链,每一个层级都有其独特的价值和挑战。
- 对于技术厂商(芯片、硬件),核心挑战在于性能、成本和可靠性的持续优化。
- 对于集成商和解决方案商,核心挑战在于行业知识深度和项目交付能力。
- 对于终端用户,核心挑战在于清晰地定义业务痛点,并衡量RFID带来的投资回报率。
理解了这个全景式的生态圈,我们就能明白,RFID的成功应用绝非一蹴而就,而是需要产业链上下游的共同努力,在下一期中,我们将聚焦于“RFID的规模化落地:从试点到普及的鸿沟与桥梁”,深入探讨阻碍RFID技术大规模普及的关键因素以及破局之道。
