第一部分:维修前的准备与心态
在拿起烙铁和万用表之前,正确的准备和心态至关重要。

安全第一!
- 断电操作:任何检修都必须在完全断电后进行,对于带大容量电容(如电源滤波电容)的设备,必须先进行放电操作,可以使用大功率电阻(如1KΩ/5W)的两端接触电容正负极,进行放电。
- 隔离危险:确保设备外壳良好接地,防止触电,对于胆机(电子管功放),高压部分极其危险,非专业人士切勿触碰。
准备工具
- 万用表:必备!建议使用数字万用表,能测量电压、电流、电阻、二极管、通断等。
- 示波器:进阶工具,用于观察信号波形,对判断故障点(如失真、噪声)非常有帮助。
- 电烙铁和焊锡丝:用于拆卸和焊接元器件。
- 吸锡器/吸锡线:用于拆卸元器件。
- 螺丝刀、钳子、镊子:基本工具。
- 信号发生器:用于为功放注入测试信号。
- 假负载:一个大功率水泥电阻(如8Ω/50W),用于测试功放输出级是否正常。
- 备用元器件:一些常见易损件,如保险丝、电解电容、整流二极管等。
心态与原则
- 先外后内:先检查外部连接(音源线、音箱线、电源线)、开关、旋钮是否正常。
- 先简后繁:先检查最简单的部分,如保险丝是否熔断。
- 先静态后动态:先在不通电(静态)情况下检查电路,再通电(动态)测试。
- 先电源后功放:电源是整个音响的“心脏”,电源不正常,后级再好也无法工作。
- 先输入后输出:信号从前级往后级传递,从前级开始排查更容易定位故障。
第二部分:Hi-Fi音响的基本构成
一个典型的Hi-Fi音响系统通常分为几个部分,维修时需要针对性分析:
- 前级放大器:负责信号源选择、音量控制、音调控制等,对信号进行初步放大,它处理的是小信号。
- 后级功率放大器:负责将前级送来的信号进行足够的功率放大,以驱动扬声器,它处理的是大信号,发热量大,是故障高发区。
- 合并式放大器:将前级和后级集成在一个机箱内,是市场主流。
- 数字音源:如CD机、解码器等,内部包含数字信号处理、D/A转换、模拟输出等电路。
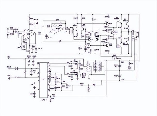
第三部分:基于电路图的故障排查流程
拿到一张电路图,不要盲目测量,遵循以下流程,可以高效地找到问题。
明确故障现象
这是最重要的一步,用户描述的现象是排查的起点。
- 完全无声:可能是电源、功放输出级、保护电路问题。
- 声音小、失真:可能是信号通路、电源电压不足、负反馈电路、晶体管/IC性能变差问题。
- 有交流声(嗡嗡声):通常是电源滤波不良、接地环路、前级放大级问题。
- 有噪声(沙沙声、噼啪声):可能是元器件虚焊、接触不良、前级晶体管/IC内部噪声过大。
- 只有一个声道工作:问题基本局限在该声道的电路中。
分析电路图,划分功能模块
根据电路图,将整机划分为几个主要模块,这是将复杂问题简单化的关键。

以一个典型的合并式功放为例:
-
电源模块:
- 变压器:降压。
- 整流电路:将交流电转换为脉动直流电(通常为桥式整流)。
- 滤波电路:将脉动直流电平滑为稳定的直流电(通常为大容量电解电容)。
- 稳压电路(部分功放有):提供更稳定的电压。
-
前级放大模块:
- 输入/选择电路:切换不同音源。
- 音量/平衡/音调控制电路:通常由电位器和RC网络构成。
-
后级功放模块:
(图片来源网络,侵删)- 电压放大级:对信号进行初步电压放大。
- 推动级:驱动末级输出。
- 末级输出级:提供强大电流驱动音箱(常见为OCL、BTL、OTL等结构)。
- 负反馈电路:稳定工作点、减小失真、降低输出阻抗。
- 保护电路:如过流、过热、中点电位保护。
-
指示和保护模块:
- 电源指示灯、保护继电器、静音电路等。
从电源模块开始排查
“电源是万病之源”,90%的故障都与电源有关。
-
直观检查:
- 观察保险丝是否熔断,如果熔断,先不要直接更换新的!必须找到保险丝熔断的原因(如整流管击穿、滤波电容短路、功放管击穿等),否则会再次熔断,甚至扩大故障。
- 观察电路板有无明显烧焦、发黑、元器件爆裂、电容鼓包漏液等现象。
-
静态电阻测量(断电):
- 将万用表打到电阻档,红表笔接电源地,黑表笔分别测量电源整流桥输出端正、负极对地的电阻。
- 正常情况下,应有较大的充电电阻值(从几百欧姆逐渐增大到无穷大),如果阻值很小或为零,说明后级有严重短路(如滤波电容击穿、功放管c-e极击穿)。
-
动态电压测量(通电):
- 注意安全! 使用单手测量法,避免同时接触两个电位点。
- 测量变压器次级交流电压是否正常。
- 测量整流桥后的直流电压(空载时约为交流电压的1.4倍,带载后约为1.2倍)。
- 测量各路滤波电容两端的直流电压是否正常(参考电路图标注值)。
- 如果某一路电压为零或严重偏低,说明该路供电有问题。
排查信号通路
如果电源正常,但依然无声或失真,问题就出在信号通路。
-
信号注入法(动态测试):
- 这是最有效的动态测试方法,使用信号发生器,在功放的输入端注入一个标准的1kHz正弦波信号(如100mV)。
- 用示波器或带监听功能的万用表,沿着信号流程,逐级测量信号。
- 正常情况:信号从输入端注入,经过前级放大、音量控制、后级电压放大、推动级,最后在输出端得到一个放大了的、不失真的正弦波。
- 故障定位:如果在某一级的输入端有信号,但输出端没有信号或信号严重失真,那么问题就出在这一级。
-
电压测量法(静态/动态):
- 静态工作点:测量晶体管或运放的各个引脚电压,与电路图标注的典型值进行对比,如果偏差很大,说明该管子或周边偏置电路有问题。
- 动态电压:在有信号输入时,测量关键点的电压是否正常变化,功放输出端在有信号时,电压应该在零点附近上下摆动。
排查常见故障点
-
无声:
- 检查保护继电器是否吸合,如果没吸合,检查保护电路的输入信号(如中点电压、检测电压)是否正常。
- 检查静音电路是否被触发。
- 检查功放末级是否对称,可以测量输出端对地的直流电压,正常应为0V或接近0V,如果偏差很大,说明末级有故障。
- 检查信号通路中的耦合电容是否失效(开路)。
-
失真:
检查负反馈电路中的电阻是否变值或开路。
