长虹37寸电视电源板维修是电视维修中的常见工作,由于电源板负责将市电转换为电视各模块所需的稳定电压,其故障往往会导致电视无法开机、无光栅、无声音等问题,维修时,掌握电源板的工作原理、关键测试点及常见故障排查方法至关重要,以下从电源板基本结构、维修图解读、关键元器件检测、常见故障维修流程及注意事项等方面进行详细说明。

电源板基本结构与工作原理
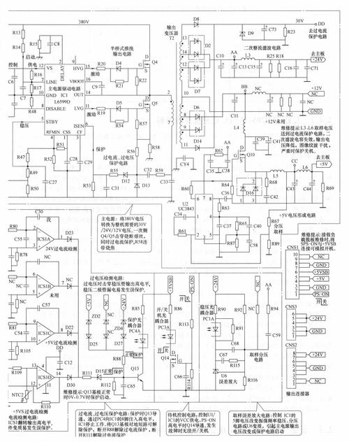
长虹37寸电视电源板通常采用开关电源设计,主要由输入滤波电路、整流滤波电路、PFC(功率因数校正)电路、PWM脉冲控制电路、开关变压器、次级整流滤波电路及保护电路等组成,市电进入后,首先通过输入滤波电路(包含保险管、压敏电阻、共模电感等)滤除干扰,再经桥式整流电路转换为300V左右直流电,若电源板带有PFC功能,300V直流电会经PFC电路升压至380V左右,以提高功率因数并减少电网谐波,PWM控制芯片(如L6565、SG6848等)驱动开关管工作,通过开关变压器耦合能量,次级绕组经整流二极管和滤波电容输出+12V、+24V、+5V等电压,供给电视主板、背光板等模块。
维修图解读关键要素
维修图(电路原理图)是维修的核心工具,需重点关注以下内容:
- 电源输入部分:查看保险管型号(通常为2A-3A)、压敏电阻(参数为14D471K,即标称电压470V)是否炸裂,共模电感(L1)引脚是否虚焊,若保险管熔断,需排查整流桥(DB107)、开关管(如2SK3562)是否击穿。
- PFC电路:PFC控制芯片(如L6565)的供电引脚(VCC)、反馈引脚(FB)及驱动输出引脚(GATE)是关键测试点,正常工作时,PFC输出电压应为380V±10V,若电压偏低或无输出,需检查PFC开关管、升压二极管(如D5)、储能电感(L2)及采样电阻(R1、R2)。
- PWM控制与开关变压器:PWM芯片(如SG6848)的供电(通常由8V-15V辅助电源提供)、误差反馈引脚(COMP)、电流检测引脚(CS)需重点检测,开关变压器初级绕组并联的尖峰吸收电路(R3、C4、D3)若损坏,易导致开关管反复击穿,次级绕组组数需对应输出电压,24V绕组接整流二极管(如SB5600)和滤波电容(C20,耐压35V)。
- 保护电路:过压保护(OVP)、过流保护(OCP)电路通常通过PWM芯片的引脚或光耦(如PC817)实现,当+24V电压过高时,误差放大电路会通过光耦控制PWM芯片 shutting down,此时需检查稳压二极管(如ZD1,稳压值27V)是否漏电。
关键元器件检测方法
维修时需借助万用表、示波器等工具,对可疑元器件进行检测:
- 保险管与整流桥:用万用表电阻档测量保险管是否通断,整流桥正反向电阻应呈二极管特性,若短路则需更换。
- 开关管与PFC管:拆下后测量三个极间电阻,若G-S、G-D之间阻值接近0或D-S之间短路,则已损坏,需同时检查驱动电阻是否烧毁。
- PWM芯片与光耦:测量芯片VCC端对地电压,若无电压,需检查辅助电源电路;光耦初级侧二极管正向压降应为0.5-0.7V,若开路或短路,会导致电压输出异常。
- 滤波电容:用电容表或万用表电容档检测容量是否衰减,外观是否鼓包、漏液,尤其是PFC输出端的滤波电容(如C10,耐压450V),容量下降会导致电压波动。
- 整流二极管与肖特基二极管:用二极管档测量正向压降,肖特基二极管正向压降约0.2-0.3V,若异常则需更换。
常见故障维修流程
完全无反应,指示灯不亮
- 故障排查:首先测量保险管是否熔断,若熔断,说明存在严重短路,重点检查整流桥、开关管(Q1)、PFC开关管(Q2)是否击穿,若保险管完好,测量300V滤波电容(C5)两端是否有300V电压,若无,则检查输入电路是否开路;若有300V但无输出,则检查PWM芯片是否起振(用示波器测量GATE脚是否有脉冲)。
- 维修案例:一台长虹37寸电视无反应,保险管熔黑,测量发现开关管Q1(2SK3562)与整流桥短路,更换后保险管再次熔断,最终发现尖峰吸收电路中的电容C4(104/1kV)失效,导致开关管因尖峰电压击穿。
有指示灯但无光栅无声音
- 故障排查:测量次级输出电压,如+12V、+24V是否正常,若电压偏低或无输出,可能是PWM芯片未工作或保护电路启动,检查PWM芯片VCC电压(通常为12V-15V),若电压为0,检查辅助电源电路(如变压器T3次级整流二极管D10、滤波电容C15),若电压正常但无输出,测量GATE脚脉冲,若无脉冲,更换PWM芯片;若有脉冲但无输出,检查开关变压器初级绕组是否开路。
- 维修案例:一台电视指示灯亮但无图声,测量+24V输出为0V,测PWM芯片SG6848的VCC脚为8V(正常应为12V),检查辅助电源电路发现电阻R12(10Ω/2W)开路,导致PWM芯片供电不足,更换后恢复正常。
输出电压不稳定,图像闪烁
- 故障排查:重点检查滤波电容(如C20、C25)是否容量下降,误差反馈电路(如光耦PC817、精密稳压源TL431)是否性能不良,若PFC输出电压波动(非380V),需检查PFC控制芯片L6565的FB脚电压及采样电阻。
- 维修案例:一台电视图像闪烁,测量+5V电压在4.5-5.5V波动,更换+5V滤波电容C25(2200μF/16V)后故障排除,原因为电容老化导致纹波过大。
维修注意事项
- 安全操作:电源板部分线路带高压(如300V、380V),维修时需断电并放电,避免触电,使用隔离变压器进行市电输入,防止因电源板接地不良导致短路。
- 元器件代换:更换元器件时需注意参数匹配,如开关管的耐压(Vds≥900V)、电流(Id≥5A),滤波电容的耐压、容量及温度等级(105℃以上),PWM芯片、光耦等建议使用原型号或直接替代型号。
- 焊接工艺:功率器件(如开关管、整流桥)需使用大功率烙铁,焊接时间不宜过长,避免损坏元器件,虚焊会导致接触电阻增大,引发过热故障。
- 保护电路恢复:维修后需确认保护电路功能正常,如断开过压保护电路(谨慎操作),测量输出电压是否稳定,避免因保护电路失效导致负载损坏。
相关问答FAQs
Q1:长虹37寸电源板维修时,如何判断PFC电路是否工作正常?
A:判断PFC电路是否工作,可通过测量PFC输出端滤波电容(如C10)两端电压,正常工作时,电压应为380V±10V(市电220V时),若电压为300V左右,说明PFC电路未工作,此时需检查PFC控制芯片(如L6565)的VCC供电(约15V)、GATE脚是否有驱动脉冲(可用示波器观察),以及PFC开关管(Q2)和升压二极管(D5)是否损坏,若芯片供电正常但无脉冲,则芯片可能损坏;若有脉冲但无输出,需检查储能电感(L2)是否开路。

Q2:电源板输出电压偏低(如+24V输出仅为18V),可能的原因有哪些?
A:输出电压偏低通常由以下原因导致:①整流二极管(如SB5600)正向压降增大或性能不良,导致损耗增加;②滤波电容(如C20)容量下降,纹波过大,使实际输出电压降低;③误差反馈电路异常,如光耦(PC817)初级侧发光二极管电流不足或次侧三极管漏电,导致PWM芯片误判电压偏低,从而减小占空比;④负载过重,如主板或背光板存在短路,可通过断开负载电压测量判断;⑤PWM控制芯片(如SG6848)内部损坏,输出脉冲异常,维修时需逐一排查,优先检查反馈电路和滤波电容。
