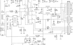
什么是iPhone维修方案点位图?
iPhone维修方案点位图,通常也被称为 原理图 或 电路图,是iPhone内部所有电子元件、电路连接、芯片引脚等信息的“地图”或“蓝图”,它以图形化的方式展示了:

- 元件位置: 每个电阻、电容、电感、芯片、接口、传感器等在主板上的精确位置。
- 电路连接: 各个元件之间如何通过铜箔走线连接,形成不同的功能电路(如电源、音频、Wi-Fi、摄像头等)。
- 测试点: 专门用于测量电压、波形、电阻值的关键焊点,是故障诊断的核心。
- 芯片引脚定义: 每个主要芯片(如CPU、电源管理芯片基带)的每个引脚的功能(如电源、接地、数据线、时钟等)。
- 参考电压: 关键测试点的标准电压值,用于判断电路是否工作正常。
没有点位图,维修就像在黑暗中摸索;有了点位图,维修就变成了按图索骥的科学诊断过程。
如何获取iPhone维修方案点位图?
获取官方的、完整的、带测试点标记的点位图是极其困难的,因为苹果公司对此严格保密,维修人员主要依赖以下渠道:
专业维修数据库(付费,最推荐)
这是最专业、最可靠的来源,通常按订阅制收费,它们由专业的维修团队和公司维护,提供高质量的图纸、维修案例和教程。
- iFixit: 除了提供维修指南,其Pro级服务也提供部分型号的原理图和部件图。
- iPad Rehab: 提供非常详细的iPhone和iPad原理图、点位图和维修视频教程,是很多专业维修师的首选。
- Vergence-Engineering: 另一个高质量的付费维修资料库,图纸清晰,更新及时。
- 东方联诚: 国内知名的维修资料平台,提供丰富的图纸和维修方案。
优点: 图纸质量高,信息准确,通常带有测试点、参考电压、维修案例等,是专业维修的基石。 缺点: 需要付费订阅。

开源社区和论坛(免费,信息混杂)
一些技术爱好者和维修师会分享自己整理或绘制的图纸。
- GitHub: 搜索 "iPhone schematics",可以找到一些开源项目,但质量参差不齐,可能不完整或有错误。
- 专业维修论坛: 如某些国内的维修技术论坛,版块内会有会员分享和讨论图纸。
- Reddit 的 r/iphoneRepair 社区: 可能有用户分享特定问题的维修图纸。
优点: 免费。 缺点: 图纸可能不完整、过时、有错误,缺乏官方的测试点标记,可靠性低,不推荐新手使用。
维修指南和部件图(免费,但非电路图)
- iFixit (免费部分): 提供非常详细的物理拆解指南和部件位置图,这些图展示了如何拆解手机以及每个部件在哪里,但不显示电路连接。
- 苹果官网 (服务手册): 苹果会向授权服务商提供服务手册,里面包含部件更换的流程图和部件列表,但同样不包含内部电路原理图。
用途: 主要用于学习如何安全地拆装手机,更换屏幕、电池、摄像头等总成部件,对于需要焊接芯片级别的深层次维修,这些图远远不够。
如何解读和使用点位图进行维修?
拿到点位图后,如何将其应用于实际维修,是技术能力的核心体现,以下是一个典型的故障排除流程:

场景示例:iPhone无法开机
第1步:故障现象分析 手机按开机键无任何反应(黑屏、无充电图标、电脑不识别)。
第2步:测量关键电压点
- 找到图纸: 打开对应型号的iPhone原理图,找到“电源管理”相关的章节。
- 定位测试点: 在图纸上找到电池接口、开机键、电源管理芯片(PMIC)以及CPU等关键供电测试点,这些测试点通常用 TP (Test Point) 或 TPV (Test Point Voltage) 标记,并标注了电压值,如
TP_BATT_VCC = 3.8V。 - 测量电压: 使用万用表的直流电压档,将黑表笔接地(通常是螺丝孔或金属屏蔽罩),红表笔依次测量上述测试点的实际电压。
- 如果电池接口有电压,但PMIC输入端无电压: 可能是供电线路断线或元件损坏。
- 如果PMIC输入有电压,但输出端无电压: 很可能是电源管理芯片本身损坏或其外围元件(如电容、电感)短路。
- 如果所有供电都正常,但CPU核心电压无输出: 问题可能出在CPU或其时钟、复位电路上。
第3步:检查信号线
- 定位信号点: 在图纸上找到开机键信号线,开机键会连接到PMIC或CPU的一个特定引脚,图上会标注
PWR_KEY或ON_OFF。 - 测量信号:
- 使用万用表二极管档: 测量开机键对地是否短路或开路。
- 使用示波器(更专业): 按下开机键的同时,观察信号线上是否有正常的电压跳变波形,这是判断开机电路是否响应的最准确方法。
第4步:检查时钟和复位信号 如果供电和开机信号都正常,但CPU不工作,需要检查CPU工作的基本条件。
- 时钟信号: 在图纸上找到CPU的时钟输入引脚,用示波器测量此处是否有正常的方波时钟信号(频率如 24MHz, 32MHz 等),无时钟信号,CPU不工作。
- 复位信号: 在图纸上找到CPU的复位引脚,开机瞬间,此处应有电压从低到高的跳变,无复位信号,CPU不工作。
第5步:定位并更换故障元件 通过以上步骤,可以大致锁定故障范围,确定是某个电感L123开路导致CPU无供电,就可以在图纸上找到L123的位置,然后进行更换。
重要注意事项
- 风险极高: 在主板上进行焊接和测量需要非常专业的工具(热风枪、精密焊台、万用表、示波器)和丰富的经验,操作不当会直接导致主板报废。
- 防静电: 人体静电足以击穿精密的芯片,操作前务必佩戴防静电手环,并确保工作环境接地良好。
- 安全第一: 维修时务必先断开电池连接,防止短路造成二次损坏。
- 图纸版本: 不同批次、不同代次的iPhone主板可能存在微小差异,请务必使用与你手机主板型号(通常在主板上用一行字母数字标出,如
D321, N94等)完全对应的图纸。
| 资源类型 | 获取方式 | 优点 | 缺点 | 适用人群 |
|---|---|---|---|---|
| 专业维修数据库 | 付费订阅 | 图纸质量高、信息全、有测试点、更新及时 | 需要付费 | 专业维修师、技术工程师 |
| 开源社区/论坛 | 免费 | 免费 | 图纸质量低、可能过时或错误、信息不全 | 技术爱好者、学习研究 |
| 维修指南/部件图 | 免费 | 提供详细的拆解步骤和部件位置 | 不显示电路连接,无法用于芯片级维修 | 普通用户、更换总成部件的维修人员 |
对于希望从事专业iPhone芯片级维修的人来说,投资一个付费的专业维修数据库是必不可少的第一步,它将是你手中最强大的武器。
