在进行任何维修操作之前,请务必强调安全第一:

- 断电操作:务必拔下电视电源线。
- 大电容放电:电源板输入端和输出端都接有高压大容量滤波电容,即使在断电后,它们内部仍可能储存有致命的高压,维修前,必须用大功率电阻(如几十欧姆的大水泥电阻)或螺丝刀(注意可能导致火花和电容损坏)对其进行充分放电。
- 隔离操作:维修时最好将电源板从电视上取下,放在绝缘的工作台上操作。
- 使用隔离变压器:如果条件允许,使用隔离变压器可以增加一级安全保障,防止因电源板热地端带电而触电。
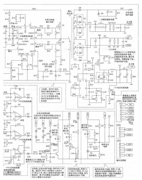
电源板简介与工作原理
长虹 LT26810 的电源板通常型号为 FSP205-3F01 或类似的方案,它属于典型的反激式开关电源,主要功能是将交流 220V 转换为多路直流电压,为电视主板、背光板等提供能量。
其输出电压通常包括:
- +24V:为主板逻辑电路和伴音功放供电。
- +12V:有时也用于部分小信号电路或为其他芯片供电。
- +5V (或+5V_STB):为主板的待机电路和部分芯片供电。
- +5V_SB (或+3.3V_SB):真正的待机电压,即使在待机状态下也一直工作,用于接收遥控器信号和启动电源。
工作流程:
- 市电输入与抗干扰:保险丝、压敏电阻、互感滤波器、X电容、Y电容。
- 整流滤波:桥式整流器将交流电转为脉动直流,再经大电容滤波成约 300V 的直流高压。
- PWM振荡与开关:由 VIPer12A/22A 或 TEA1533 等厚膜IC为核心,启动后产生高频振荡,驱动开关管(通常是MOSFET)工作。
- 次级整流输出:高频变压器次级绕组感应出低压交流电,再通过整流二极管和滤波电容输出各组直流电压。
- 稳压与反馈:通过 光耦PC817 和 TL431 等精密稳压源,对输出电压进行采样,反馈到初级IC,实现稳压控制。
- 待机控制:通过一个小型继电器或可控硅,控制主电压(如+24V)的输出通断。
常见故障现象与维修思路
故障现象一:完全不开机,指示灯不亮
这是最常见的故障,通常是电源板本身或市电输入部分的问题。

维修思路:
- 目测检查:
- 保险丝:用万用表电阻档测量保险丝是否熔断。
- 保险丝熔断:说明后级存在严重短路,重点检查:
- 整流桥:是否击穿短路。
- 主开关管:三个极之间是否击穿短路(这是最高发故障点之一)。
- PFC(功率因数校正)部分的开关管和二极管(如果此电源板有PFC电路,但LT26810的电源板通常没有,主要是反激式)。
- 高压滤波电容:是否鼓包、漏液或击穿。
- 保险丝完好:说明后级无明显短路,故障可能在启动电路或负载过轻/无负载。
- 保险丝熔断:说明后级存在严重短路,重点检查:
- 保险丝:用万用表电阻档测量保险丝是否熔断。
- 静态电阻测量:
若保险丝完好,测量 300V 滤波电容两端的对地电阻,正常情况下应有几十千欧的阻值,如果阻值很小(接近0欧),则说明后级仍有短路元件,需重点排查开关管、整流桥等。
- 通电动态测试(此步需非常小心!):
- 在确认保险丝完好且无明显短路后,可以通电测试。
- 关键点电压测量:
- +300V:测量主滤波电容两端电压,通电后应有约 300V 的直流电压,若无,检查市电输入回路(如保险丝、互感器、整流桥)。
- VCC供电:测量 PWM IC(如VIPer12A的VCC脚,通常是第5或第8脚)的电压,正常启动时应有十几伏的电压,若无,检查启动电阻(通常是几MΩ的大电阻)是否开路,或IC是否损坏。
- 初级绕组电压:测量高频变压器初级绕组两端,应有几十到一百多伏的跳变电压,若无,说明IC未工作或开关管未起振。
- 常见维修点:
- 启动电阻:开路是导致电源不启动的常见原因之一。
- PWM IC (VIPer12A/22A):自身损坏。
- 光耦PC817:初级或次级开路、短路,导致反馈环路异常,电源保护性停振。
- 精密稳压源TL431:损坏,导致基准电压错误,反馈异常。
故障现象二:指示灯亮,但屏幕不亮,无伴音
这表明电源板的待机电路(+5V_SB)正常工作,但主电源电路未启动或无输出。
维修思路:

- 测量主电压输出:
- 用万用表测量 +24V 和 +12V 等主电压输出端。
- 电压为0V:说明主电源未启动。
- 待机控制电路:检查控制主电源通断的继电器或可控硅是否工作,可以用万用表测量继电器线圈两端是否有控制电压(通常是12V或24V),若无,检查主板送来的开机控制信号(通常是一个高/低电平信号)是否已送达电源板。
- PWM IC的使能脚:有些IC有专门的使能控制脚,检查其电压是否正常。
- 电压偏低且不稳定:可能是负载过重或反馈环路问题。
- 假负载法:断开所有负载(从电源板上拔通往主板的排线),在 +24V 输出端接一个几十欧姆/5W以上的电阻作为假负载,再通电测量电压是否恢复正常,如果恢复正常,说明故障在负载端(即主板或背光板),如果电压依然很低,则故障在电源板本身。
- 反馈环路:检查光耦PC817和TL431组成的反馈电路,看是否有元器件性能变差。
故障现象三:有声音,屏幕闪烁或亮一下就灭
这通常是电源保护电路启动了,常见原因有:
- 过压保护:输出电压过高,触发保护,通常是稳压反馈环路失效(如TL431、光耦、取样电阻开路)。
- 过流/短路保护:某路输出负载存在短路,导致电源负载加重,电流过大而触发保护,常见的是 +24V 负载短路,可能是主板或背光板上的电容、IC等击穿。
- 市电电压过高:电网不稳导致电源工作在极限边缘。
维修思路:
- 断开法排查:断开各路负载(拔掉通往主板的排线),逐一测量各组输出电压是否恢复正常,如果断开某路负载后电压恢复正常,则说明故障就在该路对应的负载板上。
- 重点检查反馈电路:对于过压保护,重点检查由精密电阻组成的电压取样分压电路,以及TL431和光耦。
总结与关键维修点
| 故障现象 | 关键检查点 |
|---|---|
| 不开机,灯不亮 | 保险丝 (判断有无短路) 2. 主开关管 (是否击穿) 3. 整流桥 (是否击穿) 4. 启动电阻 (是否开路) 5. PWM IC (VIPer12A等) (是否损坏) 6. +300V电压 (是否正常) |
| 灯亮,不开机 | 主电压(+24V等) (是否为0V) 2. 待机控制电路 (继电器/可控硅) 3. 主板开机信号 (是否送到电源板) 4. 假负载法 (判断是电源板问题还是负载问题) |
| 闪烁/亮后灭 | 过压/过流保护 (电源板自身) 2. 断开法排查负载 (主板/背光板短路) 3. 反馈环路 (光耦PC817, TL431, 取样电阻) |
维修资源与备件
- 原理图:在网上搜索“长虹 LT26810 原理图”或“FSP205-3F01 原理图”,通常能找到PDF版本,这是维修的必备图纸。
- 备件:
- 易损件:保险丝、主开关管(如K2655、K2141等,需根据具体型号确认)、整流桥、滤波电容、启动电阻。
- 核心IC:VIPer12A/22A/23A、PC817、TL431,这些是极易损坏的元件。
- 其他:共模电感、Y电容、X电容等。
希望这份详细的维修指南能帮助你成功修复长虹 LT26810 电视,祝你维修顺利!
