strw6756的维修工作需要结合设备的具体故障表现和电路原理进行系统排查,以下是详细的维修步骤和注意事项,维修前需断开电源并等待电容完全放电,避免触电风险,准备万用表、示波器、焊接工具及常用电子元件(如电容、电阻、二极管等)作为基础工具,维修过程中应遵循“先易后难、先外后内”的原则,逐步缩小故障范围。

第一步是外观检查,观察设备外壳是否有破损、烧焦痕迹,电源线是否老化,接口有无松动,打开外壳后,重点检查电路板上的电容是否有鼓包、漏液现象,电阻有无烧黑或开裂,二极管、三极管引脚是否虚焊,使用放大镜仔细查看PCB走线是否有断裂或短路点,这些直观问题往往能快速定位故障,若发现主滤波电容鼓包,可直接更换同规格电容,通常能解决开机无反应或电源异响问题。
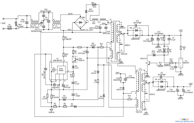
第二步是电源电路检测,strw6756的电源部分采用开关电源设计,需先测量交流输入端保险管是否熔断,若保险管发黑熔断,说明后级存在短路,需进一步检查整流桥、开关管(如MOSFET)是否击穿,使用万用表二极管档测量开关管D、S极间电阻,若接近0Ω,则需更换开关管并检查其驱动电路(如PWM控制器芯片、反馈光耦),若保险管完好但无输出电压,需检测PWM芯片的供电引脚是否有电压,若无,则检查启动电阻是否开路。
第三步是主控电路检修,主控芯片是设备的核心,需测量其供电电压(通常为5V或3.3V)是否正常,若供电异常,检查对应的稳压芯片(如LM2596、AMS1117)及其外围电路,若供电正常但芯片无输出,需用示波器检测时钟信号和复位信号,若波形异常,可能是晶振损坏或电容失效,需检查存储芯片(如24C02)的数据线和片选信号是否正常,程序丢失可能导致设备无法启动。
第四步是信号处理与输出电路排查,若设备有输入信号但无输出,需检查信号放大电路(如运放芯片NE5532)的供电和输入输出波形,若运放输出异常,更换芯片并检查其反馈电阻网络,对于功率输出部分,测量功率管(如TIP41C)的基极驱动信号,若无驱动信号,检查前置驱动电路;若驱动信号正常但输出功率不足,需更换功率管并检测散热片是否完好。

维修过程中需注意元件代换的规范性,例如二极管极性、电容耐压值、芯片型号需匹配,焊接时使用恒温烙铁,避免静电损坏敏感元件,故障修复后,需进行空载和带载测试,确保输出电压、电流稳定,无异常发热或噪声,以下是常见故障及排查要点简表:
| 故障现象 | 可能原因 | 排查方法 |
|---|---|---|
| 开机无反应 | 保险管熔断、电源芯片损坏 | 检查保险管、测量开关管和PWM芯片 |
| 输出电压低 | 滤波电容失效、稳压电路故障 | 检测电容容量、测量反馈光耦输出 |
| 有输入无输出 | 运放损坏、功率管开路 | 检测运放波形、测量功率管驱动信号 |
| 设备频繁重启 | 散热不良、供电不稳 | 检查散热片、测量电源纹波电压 |
相关问答FAQs:
-
问:strw6756维修后出现输出纹波过大,如何解决?
答:纹波过大通常与滤波电容失效或开关电源频率异常有关,需更换主滤波电容(如4700μF/25V),并检查PWM控制器的反馈回路电阻是否变值,可在输出端并联一个低ESR电容(如10μF/50V陶瓷电容)进一步滤波。 -
问:维修时如何判断strw6756的功率管是否需要更换?
答:用万用表二极管档测量功率管B、E极和B、C极的正反向压降,若正向压降过大或短路,说明管子已损坏,也可在电路中串联电流表,带载时若电流远低于额定值,且管子无发热,可能是驱动不足或管子开路。
(图片来源网络,侵删)
