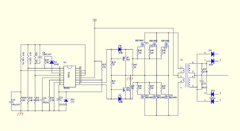
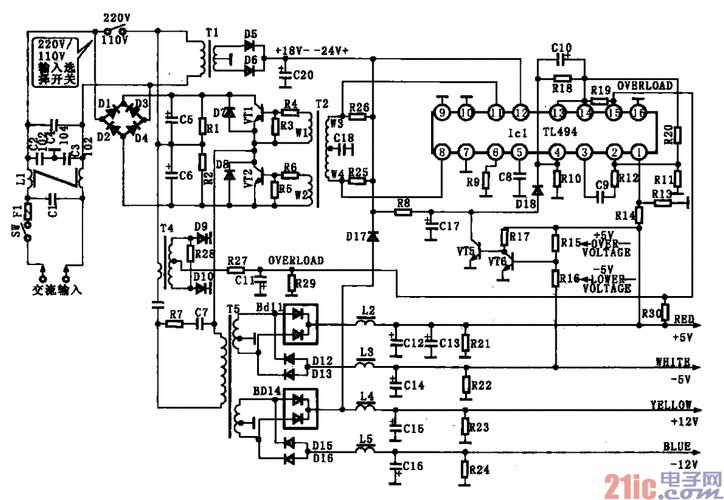
tl494取样电路维修是开关电源维修中的核心环节,该电路作为脉宽调制控制器tl494的外围关键部分,负责实时输出电压或电流的采样反馈,直接影响电源的输出稳定性与保护功能,维修时需结合电路原理、故障现象及检测数据逐步排查,以下从工作原理、常见故障、维修步骤及注意事项等方面展开详细说明。

tl494取样电路的工作原理与组成
tl494的取样电路通常由电压取样、电流取样及误差放大器组成,其核心是通过反馈信号调节tl494的输出脉冲宽度,实现稳压与限流功能。
- 电压取样电路:一般由输出端的电阻分压网络构成,将高压输出(如12v、24v等)按比例分压后送入tl494的误差放大器反相输入端(pin1),与同相输入端(pin2)的基准电压(2.5v)比较,产生误差电压,在12v输出电路中,若分压电阻为10kω与2.5kω,则分压后为2.5v,与基准电压相等,输出电压稳定;若分压电阻变质导致分压偏离,则会引起输出电压异常。
- 电流取样电路:多通过电流检测电阻或霍尔传感器取样主回路电流,转换为电压信号后送入tl494的电流放大器反相输入端(pin15),当电流超过设定值时,误差电压增大,tl494的输出脉冲宽度减小,限制输出电流。
- 误差放大器与调制:tl494内部两个误差放大器(电压放大器为1、2脚,电流放大器为15、16脚)的输出信号通过二极管或门电路后,进入死区控制端(pin4),共同调节输出脉冲的占空比,实现闭环控制。
常见故障现象与原因分析
取样电路故障通常表现为输出电压过高/过低、无输出、频繁保护等,具体原因及对应现象如下表所示:
| 故障现象 | 可能原因 |
|---|---|
| 输出电压偏高 | 电压取样分压电阻阻值变大(如上拉电阻开路)、tl494 pin1反馈线断路、误差放大器损坏 |
| 输出电压偏低 | 分压电阻阻值变小、滤波电容漏电导致反馈电压波动、tl494 pin2基准电压异常 |
| 输出电压不稳定 | 取样电路虚焊、分压电阻热稳定性差、滤波电容失效(如容值减小) |
| 无输出且保护 | 电流取样电阻短路、tl494 pin15对地短路、光耦反馈回路失效 |
| 输出过流保护误触发 | 电流取样电阻阻值变大、tl494电流放大器输入端干扰过大、保护阈值电阻参数错误 |
维修步骤与检测方法
维修取样电路需遵循“断电测量-通电测试-动态调试”的流程,避免盲目操作扩大故障。
-
断电初测
(图片来源网络,侵删)- 电阻检测:使用万用表测量分压电阻、电流取样电阻的阻值是否与标称值一致,常见的10kω分压电阻若实测为50kω,会导致反馈电压过低,输出电压飙升。
- 通路检查:检测tl494的pin1(电压反馈)、pin15(电流反馈)对地阻值,正常情况下pin1对地阻值约为10-20kω(视电路设计而定),若为0ω或无穷大,需检查反馈线路是否对地短路或断路。
- 电容检测:用电容档测量滤波电容(如误差放大器输入端的0.1uf电容)是否失效,漏电或容值减小会导致反馈信号纹波增大。
-
通电关键点测试
- 基准电压检测:tl494 pin2电压应为稳定的2.5v,若偏差过大(如超过±0.1v),需检查tl494供电(pin8、11)及基准电压生成电路(通常为内部稳压电路)。
- 反馈电压动态监测:通电后用万用表监测pin1电压,正常情况下应随输出电压变化而线性波动,12v输出时pin1电压应为2.5v,若输出为15v而pin1仍为2.5v,说明分压电阻未按比例调整。
- 电流取样信号检测:在带载状态下测量电流取样电阻两端电压,正常为0.1-0.3v(具体值取决于电阻功率与设计阈值),若电压过高(如超过1v)且伴随保护动作,需检查负载是否短路或取样电阻参数错误。
-
替换法与调试
- 对疑似损坏的元件(如分压电阻、误差放大器周边电容)进行替换,替换后需重新校准输出电压:调整分压电阻使pin1电压满足(输出电压×分压比=2.5v)。
- 若电流保护误触发,可适当增大电流取样电阻的并联电阻(降低取样电压)或调整tl494 pin16的基准分压电阻,改变保护阈值。
维修注意事项
- 安全防护:tl494电路多涉及高压部分(如输入端300v直流),维修前必须对大电容放电,避免触电。
- 参数匹配:替换电阻、电容时需选用同型号、同功率元件,尤其是电流取样电阻需满足功率要求(如1ω/2w),否则可能因过热导致参数漂移。
- 动态调试:维修后需进行满载测试,观察输出电压纹波(用示波器检测,应小于50mvpp)及温升,避免元件在临界状态下工作引发二次故障。
相关问答FAQs
问题1:tl494取样电路中,分压电阻变质会导致什么后果?如何判断?
解答:分压电阻变质会导致反馈电压异常,进而引起输出电压偏离设定值,若阻值变大,反馈电压降低,tl494误判为输出不足,增大脉冲宽度,导致输出电压过高;若阻值变小,反馈电压升高,输出电压过低,判断方法:断电后测量电阻阻值,与标称值对比;通电时测量pin1电压,正常情况下(如12v输出)应为2.5v,若偏离过大(如3v或1.5v),则需重点检查分压电阻。
问题2:维修时发现tl494 pin15电流反馈端电压为0v,但负载正常,可能是什么原因?
解答:pin15电压为0v通常意味着电流取样回路未工作或短路,可能原因包括:①电流取样电阻短路(如烧毁或虚焊);②pin15对地存在短路(如电容击穿、pcb板污垢导致漏电);③电流检测电路的滤波电容严重漏电,排查步骤:先断电测量pin15对地阻值,正常应为数千欧姆,若为0ω,则检查周边元件是否短路;若阻值正常,通电后测量取样电阻两端电压,若无电压,需检查主回路电流是否正常(若主回路无电流,可能是负载开路)。

