安全第一!维修前必须遵守的原则
CRT彩电,尤其是开关电源部分,存在高压(即使拔掉插头,滤波电容中储存的电荷也足以致命)!请务必在维修前做好以下安全措施:

- 断电后放电:拔下电源插头,等待至少5-10分钟,用一只大功率(如1kΩ/5W)的电阻,或带绝缘手柄的螺丝刀,小心地 across(并联)在主滤波电容(通常是400V左右的大电解电容)的两个引脚上进行放电,确保电压降到安全值(36V以下)。
- 隔离变压器:强烈建议使用隔离变压器进行维修,它可以有效防止因电源火线、零线接反而导致的二次触电风险。
- 单手操作:测量时,尽量用一只手操作,另一只手不碰触任何金属部分,防止电流通过心脏。
- 使用绝缘工具:维修时,使用带绝缘手柄的螺丝刀和电烙铁。
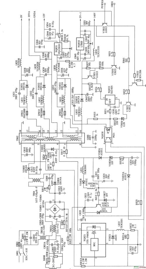
长虹G2538电源板电路简介
G2538的电源电路属于自激式并联型开关电源,主要由以下几个部分组成:
- 输入整流滤波电路:包括保险丝、限流电阻、桥式整流堆和主滤波电容(C507,通常为100μF/400V),作用是将220V交流电转换成约300V的直流脉动电压。
- 开关振荡电路:这是电源的核心,通常以 STR-S6709(或其兼容型号如STR-S6708A、STR-S6707)厚膜集成电路(IC501)为核心,配合外围的启动电阻、正反馈绕组、定时电容等元件,构成自激振荡。
- 稳压控制电路:通过光耦合器(IC502,如PC817)和精密稳压源(IC503,如TL431)来取样输出电压的变化,反馈到IC501的误差放大端,从而调整开关管的导通时间,实现稳压。
- 待机控制电路:由CPU(主芯片)通过一个小三极管(如Q503)来控制光耦IC502的工作状态,实现开机和待机。
- 输出整流滤波电路:将高频变压器次级的高压交流电,通过整流二极管(如D505)和滤波电容(如C520)转换为+115V(供给行扫描电路)、+24V(伴音功放)、+16V(或其他低压)等直流电压,供给整机各部分。
常见故障现象与维修思路
故障现象一:完全无反应,指示灯不亮
故障范围:电源板本身或市电输入部分。
维修思路:
- 观察保险丝:
- 保险丝F501熔断:说明电源板存在严重短路。
- 重点检查:桥式整流堆(D501-D504)、主滤波电容C507、开关管(IC501内部或外部)是否击穿短路,用万用表二极管档测量这些元件的对地电阻,特别是C507的正极对地电阻,正常时应有充电现象且最终阻值较大,如果接近0Ω,则说明后级有短路。
- 保险丝完好:说明电源板没有严重短路,但电路未工作。
- 重点检查:
- 启动电路:检查启动电阻(R501、R502等,通常为几百kΩ)是否开路或阻值变大,这是最常见的故障点之一,如果没有启动电压,IC501无法开始工作。
- IC501(STR-S6709)及其外围:检查IC501的①脚(VCC供电)和⑦脚(过流检测)对地是否短路,检查其外围的定时电容(C511)、正反馈电阻(R510)等是否损坏。
- 市电输入部分:检查限流电阻(RT501)、保险管座是否接触不良。
- 重点检查:
- 保险丝F501熔断:说明电源板存在严重短路。
故障现象二:指示灯亮,但二次开机后无光栅、无伴音
故障范围:电源板未进入正常工作状态,或行扫描电路未工作,导致电源保护。

维修思路:
- 测量主电压输出:
- 主电压(+115V)输出为0V或极低:
- 检查待机控制电路:这是G2538的“通病”,CPU发出开机指令后,应控制Q503导通,使光耦IC502工作,电源才能从待机状态(通常输出电压较低,如50V)切换到正常工作状态。
- 重点检查:Q503(c、e极是否击穿开路)、R533(基极限流电阻是否开路)、IC502(光耦是否损坏)、IC503(TL431是否损坏),可以尝试短接光耦IC502的①、②脚,看电压能否恢复正常,如果能,则说明稳压或待机控制部分有问题。
- 检查振荡电路:虽然能启动,但未能维持正常振荡,检查IC501的②脚(反馈电压)和⑦脚(过流检测)的外围元件,如R511、R512、D509等。
- 检查待机控制电路:这是G2538的“通病”,CPU发出开机指令后,应控制Q503导通,使光耦IC502工作,电源才能从待机状态(通常输出电压较低,如50V)切换到正常工作状态。
- 主电压(+115V)严重偏高或偏低:
- 检查稳压控制电路:这是最常见的故障。
- 重点检查:IC503(TL431)、光耦IC502、以及它们的取样分压电阻(如R528、R529、R530),TL431或光耦损坏会导致输出电压失控,TL431内部击穿,会导致光耦始终导通,使开关管提前关断,输出电压变低;反之,如果光耦内部开路,则输出电压会变得非常高,可能击穿负载。
- 检查+115V负载:如果行输出管或行变压器(FBT)击穿短路,会导致电源因过载而保护,电压下降,可以暂时断开行负载(即拔掉行管集电极的插头或断开L505),在电源输出端接一个假负载(如60W/220V灯泡),然后通电测量电压是否恢复正常,如果恢复正常,则故障在行扫描电路。
- 检查稳压控制电路:这是最常见的故障。
- 主电压(+115V)输出为0V或极低:
故障现象三:电源发出“吱吱”叫声
故障原因:开关电源工作在“临界振荡”状态,通常是由于负载过重或电源本身带不动负载。
维修思路:
- 检查输出电压:用万用表测量+115V等输出电压是否偏低。
- 检查负载:同上,断开行负载,接假负载,判断是电源问题还是行负载问题,如果接假负载后“吱吱”声消失,电压正常,则故障在行扫描电路(如行输出变压器、行管、偏转线圈等)。
- 检查电源本身:
- 检查+115V整流二极管D505是否性能不良。
- 检查IC501的过流检测电阻(R509)是否阻值变大。
- 检查正反馈回路元件(如C511、R510、D509)是否参数变化。
核心元器件检测要点
- IC501 (STR-S6709):
- 静态电阻测量:测量其对地电阻,特别是①脚(VCC)、②脚(FB)、④脚(电流检测)、⑤脚(地)、⑦脚(启动电流),与正常值对比,如果偏差很大,基本可判断损坏。
- 关键电压:正常工作时,①脚VCC电压在15-20V之间波动;②脚反馈电压在0.2-0.4V之间。
- IC502 (PC817光耦):
- 好坏判断:用万用表二极管档测量其内部。①-②脚(发光管)应正向导通(压降约1.0-1.2V),反向截止。③-④脚(光敏三极管)c-e极之间应有较高电阻,用光线照射或用万用表电阻档给①-②脚加正向电压时,c-e极电阻会明显变小。
- IC503 (TL431):
- 好坏判断:TL431有3个引脚:参考端(R)、阳极、阴极,用万用表R×1k档测量,阳极和阴极之间正向电阻约几千欧,反向电阻为无穷大,阳极和参考端之间正向电阻约几千欧,反向电阻为无穷大,最简单的判断方法是,将其接入一个简单的稳压电路,看能否输出稳定的2.5V基准电压。
- Q503 (待机控制三极管):
- 好坏判断:测量其c-e结是否击穿或开路,待机时Q503应截止,开机时应导通。
维修总结与注意事项
- 先易后难:先检查直观的元件(保险丝、电容鼓包、电阻烧黑),再测量电压和电阻。
- 先电源后负载:对于“三无”故障,优先检修电源板,确保电源正常后,再检查行扫描、伴音等负载电路。
- 代换法:对于一些关键且易损的元件,如STR-S6709、TL431、PC817,在怀疑其损坏时,直接用新件代换,是最高效的维修方法。
- 注意参数:更换电阻、电容时,要注意其功率、耐压、容量等参数,尤其是滤波电容和高压电容,参数不匹配可能导致新换的元件再次损坏。
- 经验积累:维修G2538这类机器,经验非常重要,多记录正常工作时的关键点电压,特别是IC501各脚电压和光耦的工作状态,这会成为你未来快速判断故障的宝贵资料。
希望这份详细的维修指南能帮助你顺利解决问题!如果维修过程中遇到具体困难,可以随时提出,我们可以进行更深入的探讨。

